- Partiron
- OEM Parts
- Polaris
- ATV
- 2010
- SPORTSMAN 400 HO 4X4 - A10LH46AX/AZ
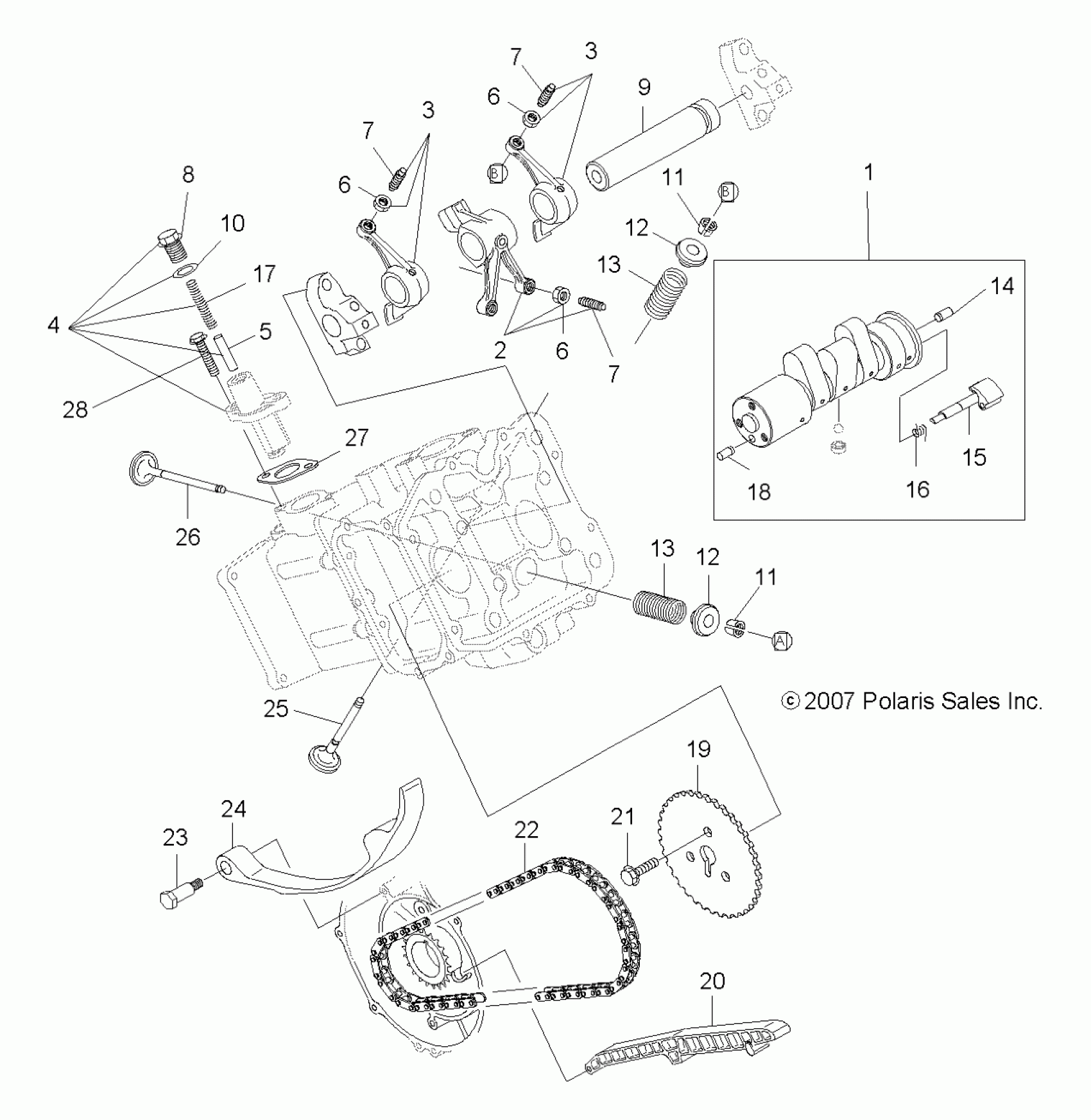
ENGINE, VALVES and CAMSHAFT - A10LH46AX/AZ (49ATVVALVE08SP400)
Polaris SPORTSMAN 400 HO 4X4 - A10LH46AX/AZ ENGINE, VALVES and CAMSHAFT - A10LH46AX/AZ (49ATVVALVE08SP400) Diagram
#
Description
Price
4
ASM., TENSIONER [INCL. 5,8,10,17]
3086493
Unavailable
8
PLUG
3087129
Unavailable
12
RETAINER, VALVE SPRING
3087203
Unavailable
12
RETAINER, VALVE SPRING
3087203
Unavailable
14
SPRING, TENSIONER
3087131
Unavailable
16
LEVER, RELEASE
3085348
Unavailable
17
SPRING, RETURN
3085076
Unavailable
20
GUIDE, CHAIN
3084916
Unavailable
23
ASM., BOLT, PIVOT LEVER
3084924
Unavailable
28
BOLT, FLANGE
3083361
Unavailable
