- Partiron
- OEM Parts
- Polaris
- ATV
- 2003
- SPORTSMAN 400 - A03CH42AA/AB/AC
COOLING SYSTEM - A03CH42AA/AB/AC (4975377537A09)
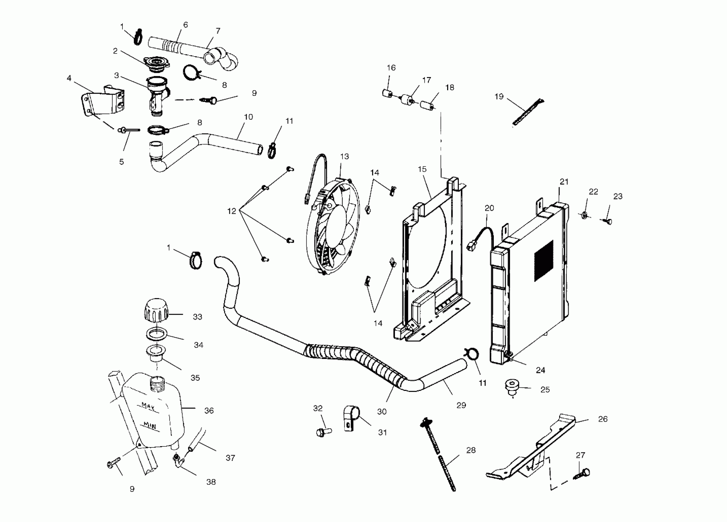
Polaris SPORTSMAN 400 - A03CH42AA/AB/AC COOLING SYSTEM - A03CH42AA/AB/AC (4975377537A09) Diagram
#
Description
Price
2
Cap, Pressure
1240044
Unavailable
4
Bracket, Filler, Coolant
5243505
Unavailable
6
Flexguard
5433948
Unavailable
8
Clamp, 1 Inch
7080827
Unavailable
8
Clamp, 1 Inch
7080827
Unavailable
10
Hose, Filler Neck
5411632
Unavailable
14
U-Clip
7670111
Unavailable
14
U-Clip
7670111
Unavailable
15
Shroud, Fan
5433059
Unavailable
21
Radiator
1240045
Unavailable
24
Valve, Drain
7052296
Unavailable
29
Hose, Engine, Lower
5411782
Unavailable
30
Guard, Hose
5521550
Unavailable
36
Tank, Surge
5431673
Unavailable
