- Partiron
- OEM Parts
- Polaris
- ATV
- 2002
- SPORTSMAN 400 - A02CH42AB
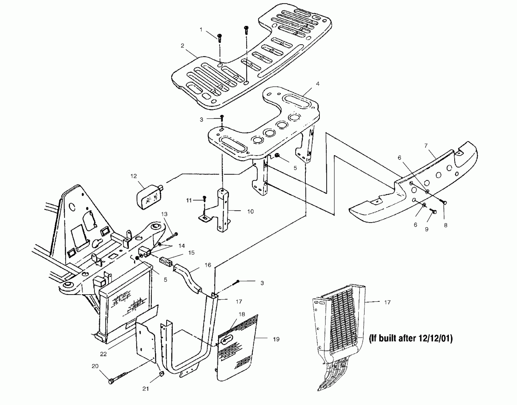
FRONT RACK AND BUMPER MOUNTING - A02CH42AA (4968536853A07)
Polaris SPORTSMAN 400 - A02CH42AB FRONT RACK AND BUMPER MOUNTING - A02CH42AA (4968536853A07) Diagram
#
Description
Price
2
Asm., Front Rack (Incl. Warning Decal) (Incl. Warning Decal)
2670180-070
Unavailable
4
Kit, Front Rack Mount
2200775
Unavailable
9
Screw
7515390
Unavailable
12
Bulb, Replacement, 27W
4030059
Unavailable
12
Headlight, LH
2431014
Unavailable
15
PLUG, FRAME
5810467
Unavailable
17
Guard, Brush (If built before 12/12/01)
5244731-067
Unavailable
17
Guard, Brush (If built after 12/12/01)
1013772-067
Unavailable
17
Guard, Brush (If built before 12/12/01)
5244731-067
Unavailable
17
Guard, Brush (If built after 12/12/01)
1013772-067
Unavailable
