- Partiron
- OEM Parts
- Polaris
- ATV
- 2001
- SPORTSMAN 400 - A01CH42AB
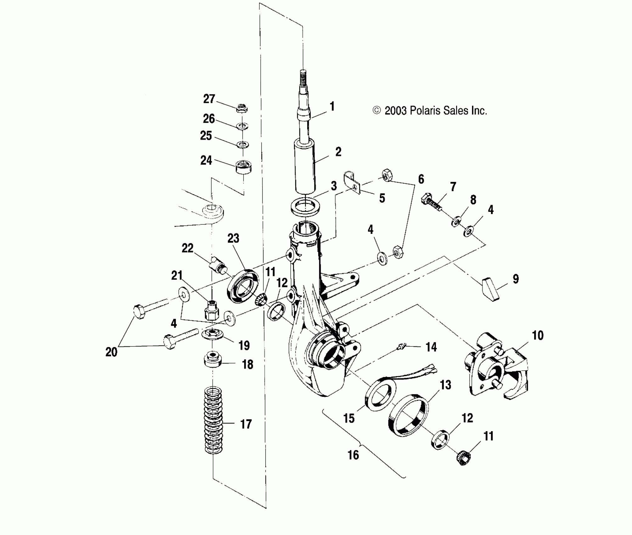
FRONT STRUT - A01CH42AA (4959905990B007)
Polaris SPORTSMAN 400 - A01CH42AB FRONT STRUT - A01CH42AA (4959905990B007) Diagram
#
Description
Price
1
BUMPER-MCU,17.80MM ID
5411608
Unavailable
9
RETAINER,WIRE,STRUT CAST
5810439
Unavailable
10
Asm., Front Brake Caliper, RH (See Front Brake Pg. B6 for Details)
-------
Unavailable
16
HUBSTRUT,LH,ASM. (42mm)(Incl. 9,12-15,23)
1820950
Unavailable
16
HUBSTRUT,RH,ASM. (42mm)(Incl. 9,12-15,23)
1820951
Unavailable
22
Kit - Drive Shaft w/Sleeve BTB (See CV Joint - BTB Pg. B1, Ref. 13)
-------
Unavailable
