- Partiron
- OEM Parts
- Polaris
- ATV
- 2001
- SPORTSMAN 400 - A01CH42AB
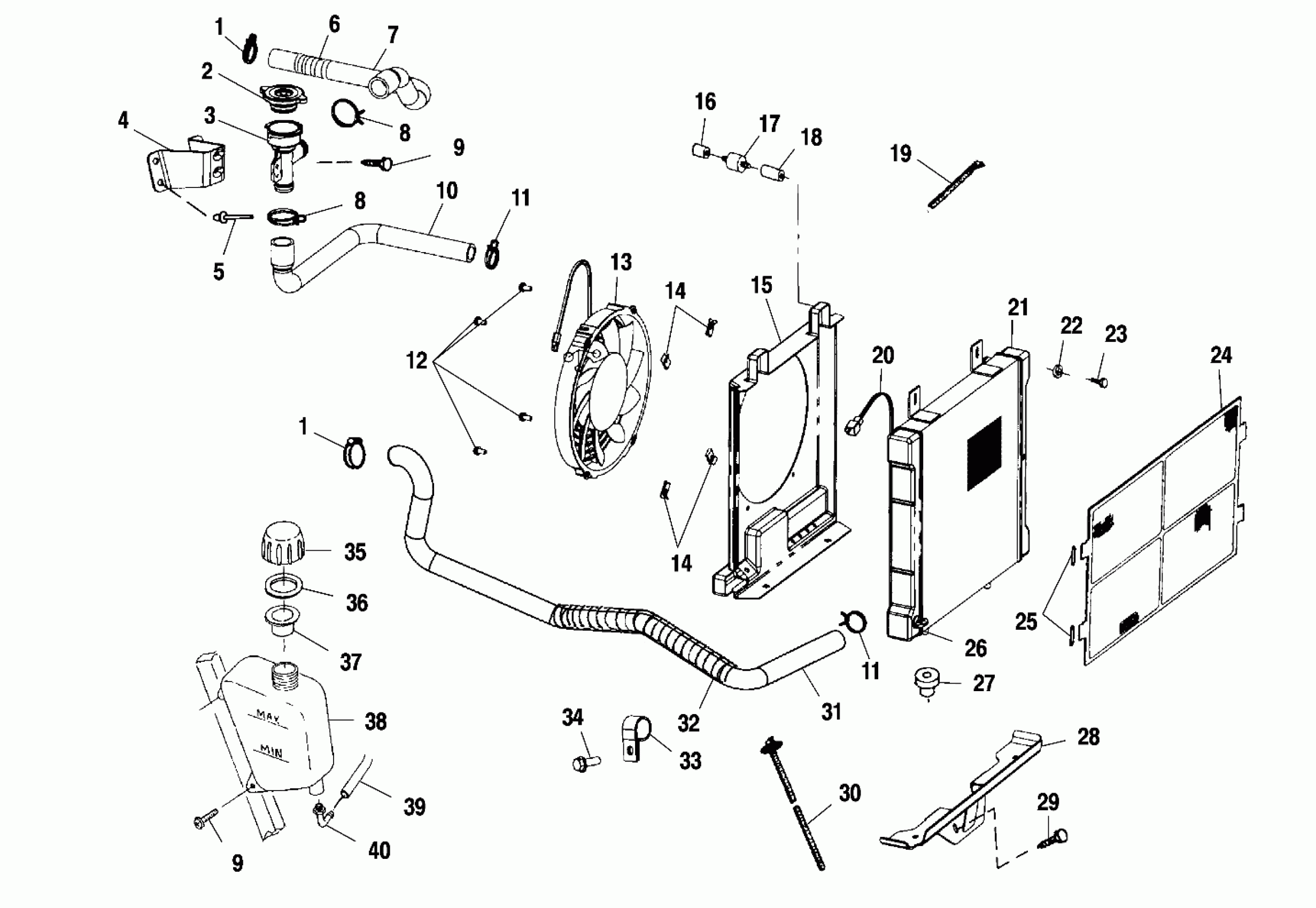
COOLING SYSTEM - A01CH42AA (4964436443A009)
Polaris SPORTSMAN 400 - A01CH42AB COOLING SYSTEM - A01CH42AA (4964436443A009) Diagram
#
Description
Price
2
CAP-PRESSURE,13 PSI
1240044
Unavailable
4
BRKT,REMOTE COOLANT FILL
5243505-067
Unavailable
6
FLEXGUARD-PLASTIC GUARD
5433948
Unavailable
8
CLAMP-ROTO SPRING 1"
7080827
Unavailable
8
CLAMP-ROTO SPRING 1"
7080827
Unavailable
10
HOSE,FILLER NECK
5411632
Unavailable
14
CLIP,U,ZY
7670111
Unavailable
14
CLIP,U,ZY
7670111
Unavailable
15
SHROUD-FAN,ATV
5433059
Unavailable
21
Radiator
1240045
Unavailable
26
VALVE-PLASTIC RAD/COOLER DRAIN
7052296
Unavailable
31
HOSE,LOWER ENGINE
5411782
Unavailable
32
PLASTIC,HOSEGUARD 18"
5521550
Unavailable
38
Tank, Surge
5431673
Unavailable
