- Partiron
- OEM Parts
- Polaris
- ATV
- 1999
- SPORTSMAN 335 - A99CH33CA
ELECTRICAL/TAILLIGHT - A99CH33CB (4945964596c007)
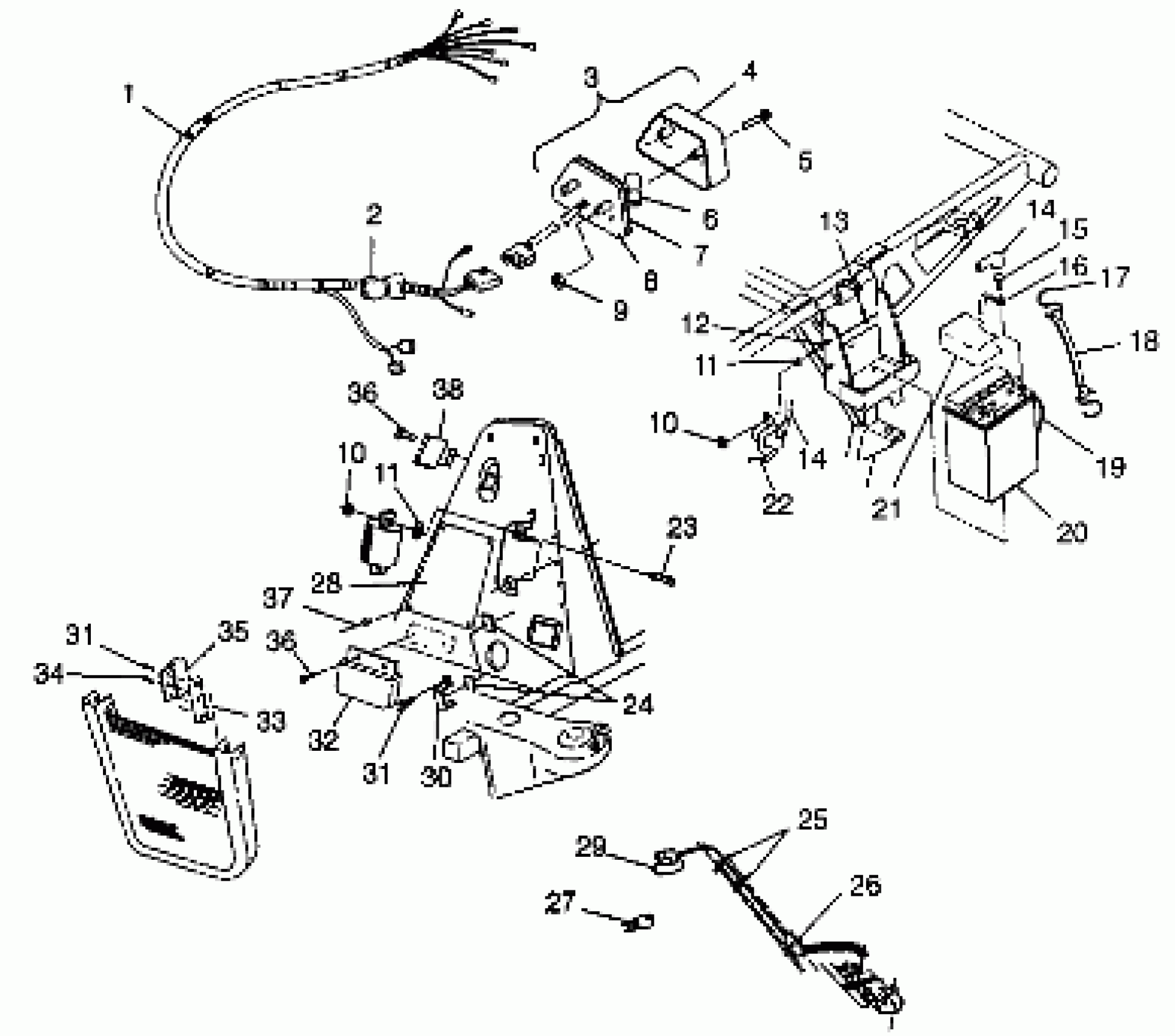
Polaris SPORTSMAN 335 - A99CH33CA ELECTRICAL/TAILLIGHT - A99CH33CB (4945964596c007) Diagram
#
Description
Price
1
HARNESS-MAIN WIRE
2460544
Unavailable
14
CABLE,BATT/SOLENOID,RED
4010094
Unavailable
14
CABLE,BATT/SOLENOID,RED
4010094
Unavailable
16
CABLE,BATT/ENG.,BLK.
4010095
Unavailable
18
STRAP,BATTERY HOLDDOWN
5410424
Unavailable
19
TUBE,BATTERY VENT
5432077
Unavailable
28
BOARD, TERMINAL Substituted by 4040063
4040064
Unavailable
29
POWER ASM,12V
2410022
Unavailable
32
LIMITER,RPM,LR-83,HUB GROUND
4060205
Unavailable
33
HEATSINK,RECT.
5131818
Unavailable
35
RECTIFIER/REGULATOR,LR-35
4060191
Unavailable
38
RELAY,SOLID STATE,LR-60
4010164
Unavailable
