- Partiron
- OEM Parts
- Polaris
- ATV
- 1999
- SPORTSMAN 335 - A99CH33CA
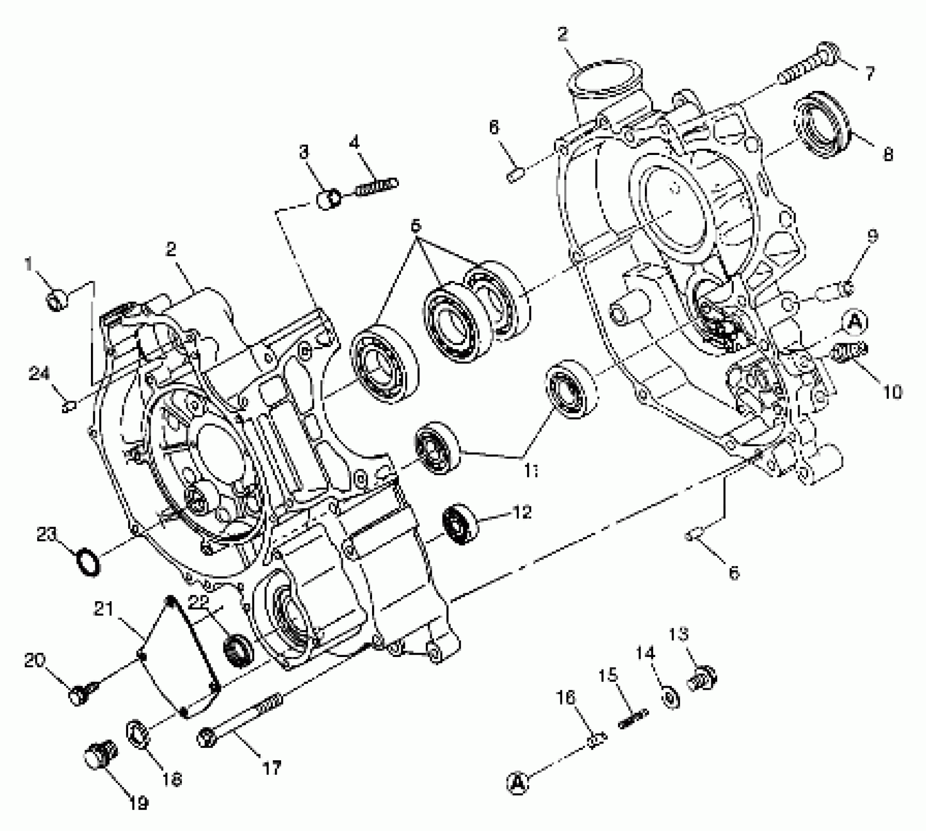
CRANKCASE - A99CH33CB (4945964596d005)
Polaris SPORTSMAN 335 - A99CH33CA CRANKCASE - A99CH33CB (4945964596d005) Diagram
#
Description
Price
1
BUSHING, STARTER
3083669
Unavailable
2
CRANKCASE ASM. (See Footnote) (Incl. 1,4,5,6,8,9,11,12,17,22,24)
3085759
Unavailable
2
CRANKCASE ASM. (See Footnote) (Incl. 1,4,5,6,8,9,11,12,17,22,24)
3085759
Unavailable
3
PIN,STRAIGHT
3084838
Unavailable
4
STUD
3085760
Unavailable
6
Pin, Dowel
3084840
Unavailable
6
Pin, Dowel
3084840
Unavailable
9
PIPE,AIR BREATHER
3085525
Unavailable
10
Union
3084842
Unavailable
12
BEARING,BALL
3084835
Unavailable
13
PLUG
3084845
Unavailable
16
VALVE Substituted by 3086810
3084843
Unavailable
17
BOLT,FLANGE
3084841
Unavailable
19
PLUG Substituted by 3086749
3083453
Unavailable
22
SEAL, OIL
3084836
Unavailable
