- Partiron
- OEM Parts
- Polaris
- ATV
- 2000
- SPORTSMAN 335 - A00CH33AB
REAR CAB and SEAT - A00CH33AA (4957715771A005)
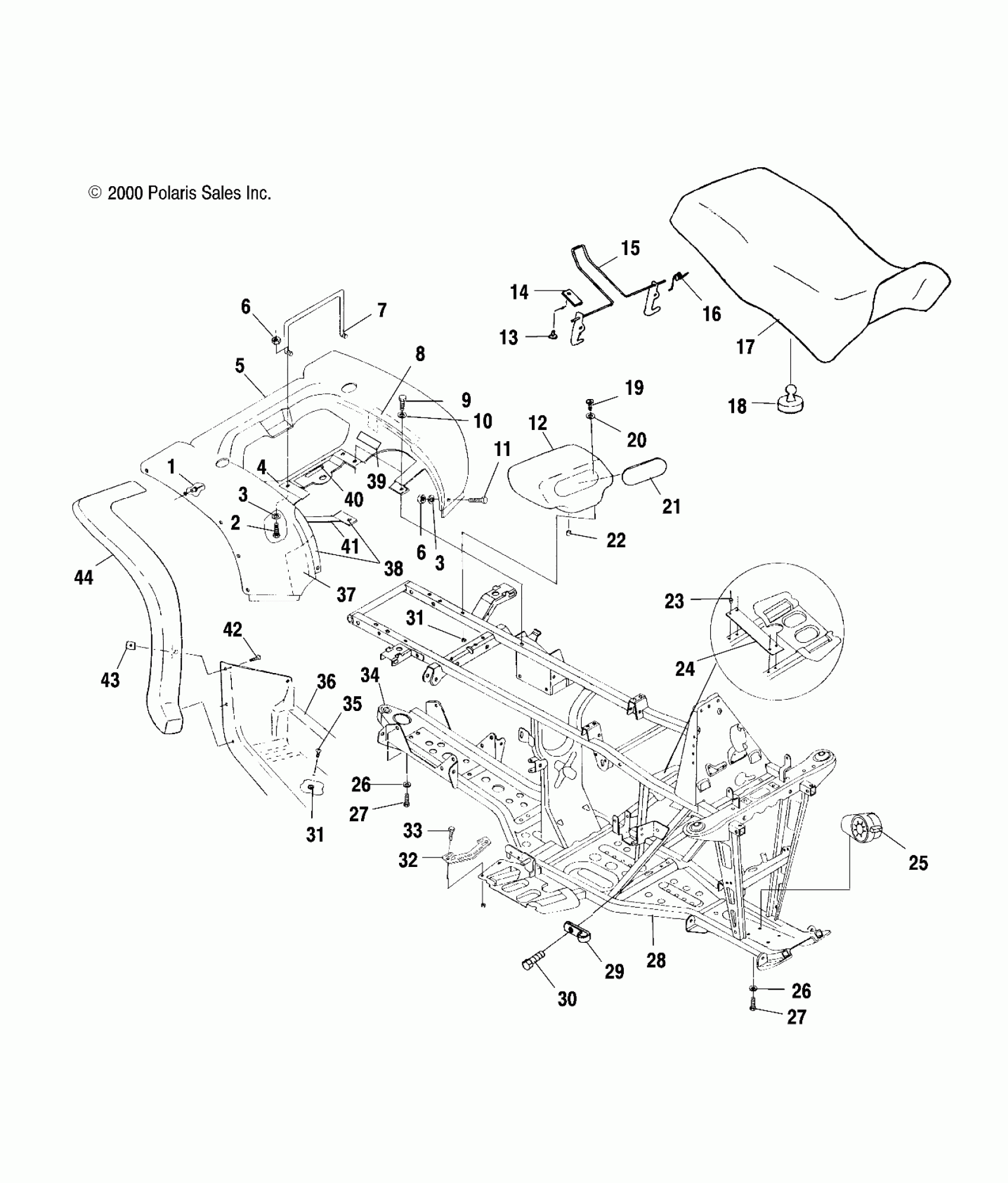
Polaris SPORTSMAN 335 - A00CH33AB REAR CAB and SEAT - A00CH33AA (4957715771A005) Diagram
#
Description
Price
5
CAB,REAR,GEN 4,P.RED (A00CH33AB)
5432117-136
Unavailable
5
CAB,REAR,GEN 4,OLV.GRN. (A00CH33AA)
5432117-191
Unavailable
7
RETAINER,SEAT LATCH
5224592
Unavailable
11
SCREW(10) Substituted by 7511989
7512085
Unavailable
17
FOIL,SEATBASE,LG.
5811104
Unavailable
21
COVER, TOOLBOX
5431787
Unavailable
24
GUARD-CLUTCH, BLK
5241403-067
Unavailable
25
Asm., Gearcase, Front (See Front Housing Pg. C11 for Details)
-------
Unavailable
28
FRAME,MAIN,BLK.
1040699-067
Unavailable
34
DECAL, HITCH Substituted by 7078261
7072533
Unavailable
35
SCREW Substituted by 7512279
7517376
Unavailable
39
DECAL,CARB.INFO.
7073761
Unavailable
40
DECAL,FILT.ELEMENT,4-S
7077446
Unavailable
41
FOIL-FOAM,(6X1)
5811087
Unavailable
44
MUDGUARD,LH,R.BLK. Substituted by 5431796-070
5431796
Unavailable
44
MUDGUARD,RH,R.BLK. Substituted by 5431797-070
5431797
Unavailable
