- Partiron
- OEM Parts
- Polaris
- Motorcycle
- VIC
- 2001
- SPORTCRUISER - V01CS15LF
BRAKES, REAR - V01CS15DA (4966166616B002)
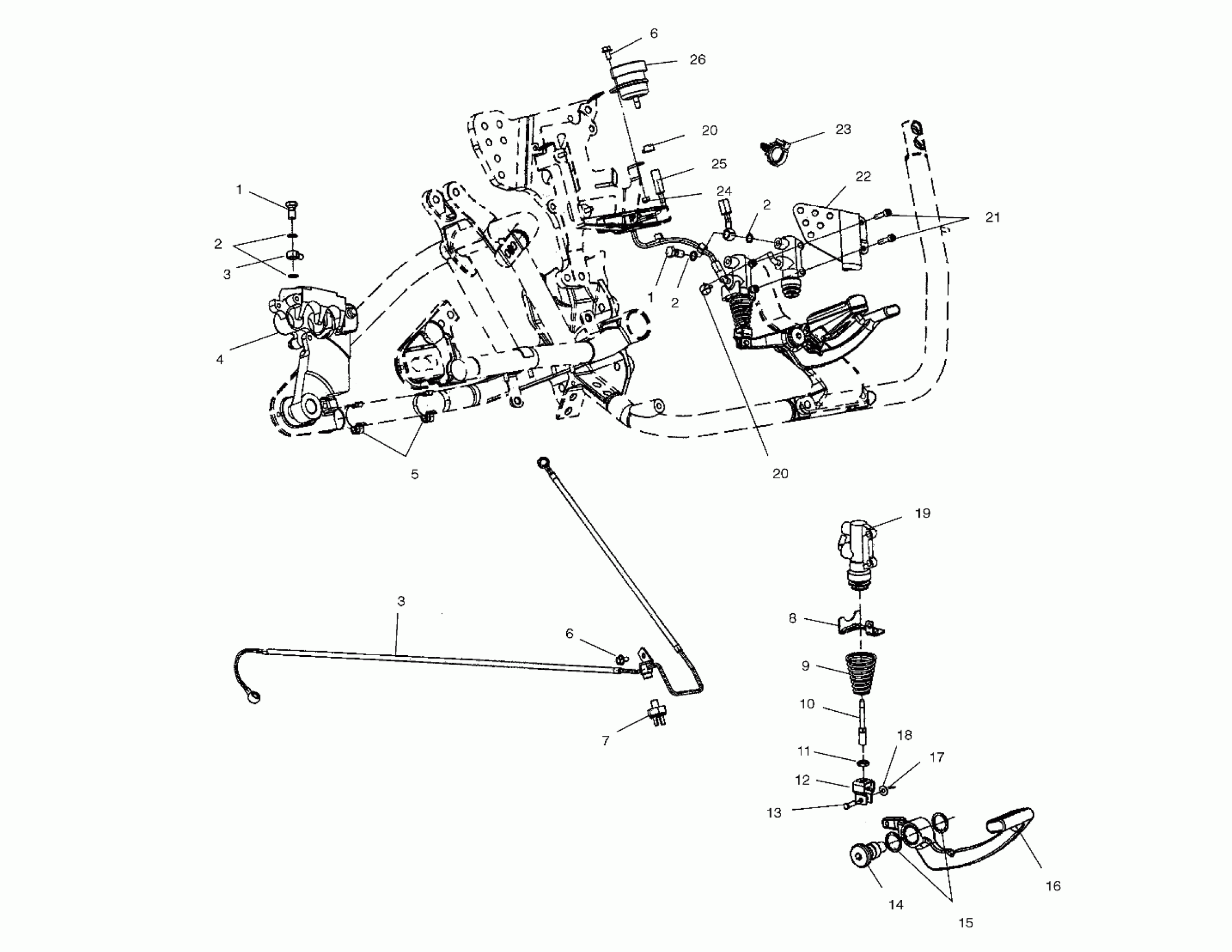
Polaris SPORTCRUISER - V01CS15LF BRAKES, REAR - V01CS15DA (4966166616B002) Diagram
#
Description
Price
1
BOLT,BRAKE,BANJO,SPCL
1930848
Unavailable
1
BOLT,BRAKE,BANJO,SPCL
1930848
Unavailable
4
CALIPER,REAR,ASM.2 PISTON 6MM.
1910374
Unavailable
4
KIT,BRAKE PAD,REAR
2201171
Unavailable
4
KIT,BOOTS,R.CALIPER
2201174
Unavailable
7
SWITCH-PRESSURE,REAR BRAKE
4010372
Unavailable
16
BRAKELEVER,ASM,SC
1012890
Unavailable
19
MASTER CYLINDER,REAR,SC
1910359
Unavailable
20
CLAMP-HOSE,.375,BLACK(10)
7080829
Unavailable
20
CLAMP-HOSE,.375,BLACK(10)
7080829
Unavailable
23
DART,HANDLEBAR,(10)1/2"
5433140
Unavailable
26
RESERVOIR,R.MASTER CYL.
1930882
Unavailable
