- Partiron
- OEM Parts
- Polaris
- ATV
- 1998
- SPORT 400L - W98BA38C
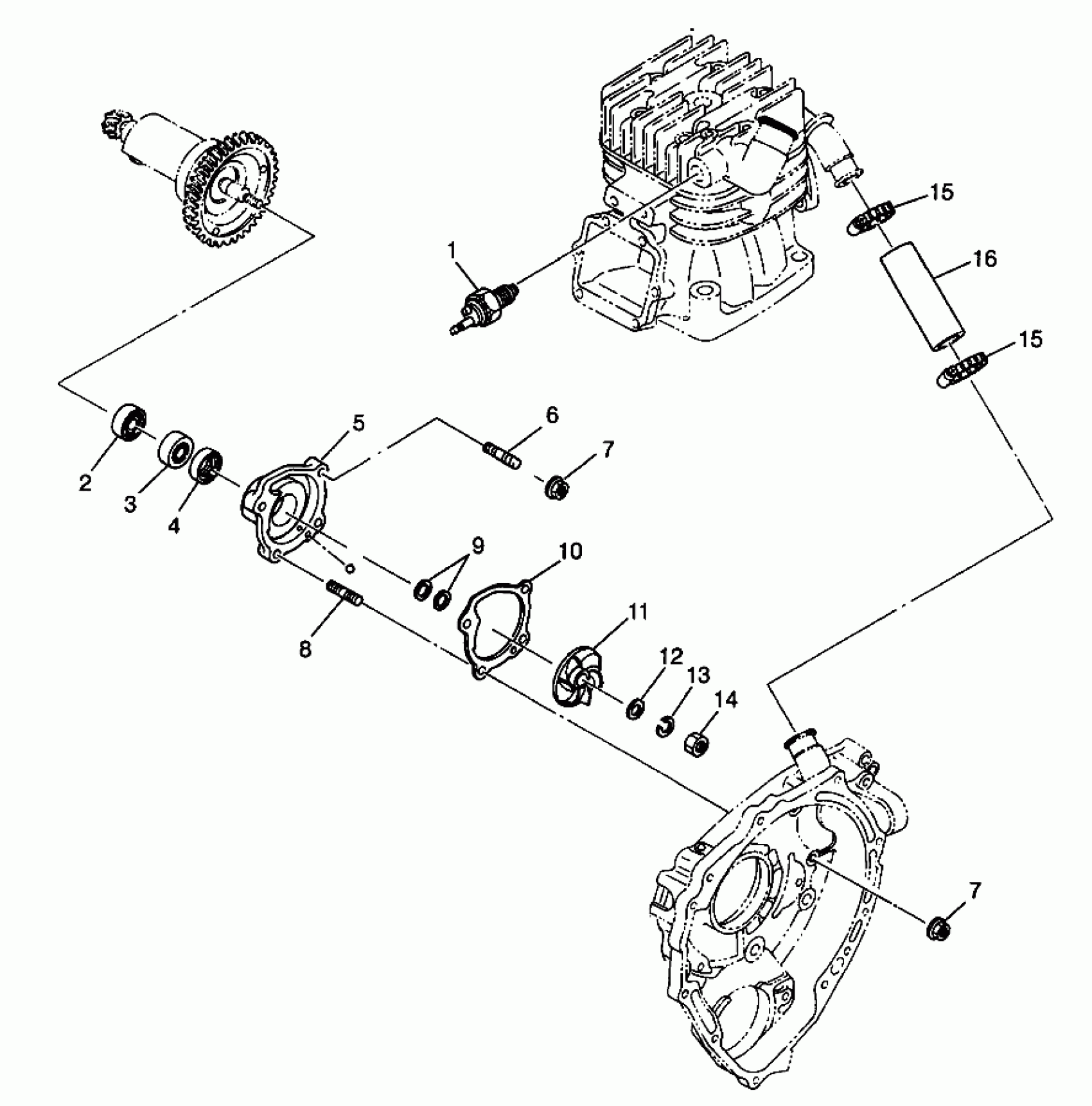
WATER PUMP Sport 400L W98BA38C (4947234723D005)
Polaris SPORT 400L - W98BA38C WATER PUMP Sport 400L W98BA38C (4947234723D005) Diagram
#
Description
Price
1
SWITCH,THERMAL,IOS
3084284
Unavailable
2
Bearing, Ball
3084183
Unavailable
3
Seal, Oil
3084184
Unavailable
4
Seal, Oil
3084185
Unavailable
5
CASE,WATER PUMP Substituted by 3086770 (Incl. 2-6, 8)
3085084
Unavailable
5
CASE,WATER PUMP Substituted by 3084754 (Incl. 5, 6, 8)
3085085
Unavailable
6
STUD Substituted by 3086775
3085086
Unavailable
9
SPACER #3, (0.1) (0.1mm)
3084188
Unavailable
9
SPACER #4, (0.2) (0.2mm)
3084189
Unavailable
11
Impeller
3084186
Unavailable
16
HOSE, MAIN Substituted by 3086773
3084190
Unavailable
