- Partiron
- OEM Parts
- Polaris
- ATV
- 1998
- SPORT 400L - W98BA38C
FUEL TANK Sport 400L W98BA38C (4947234723A013)
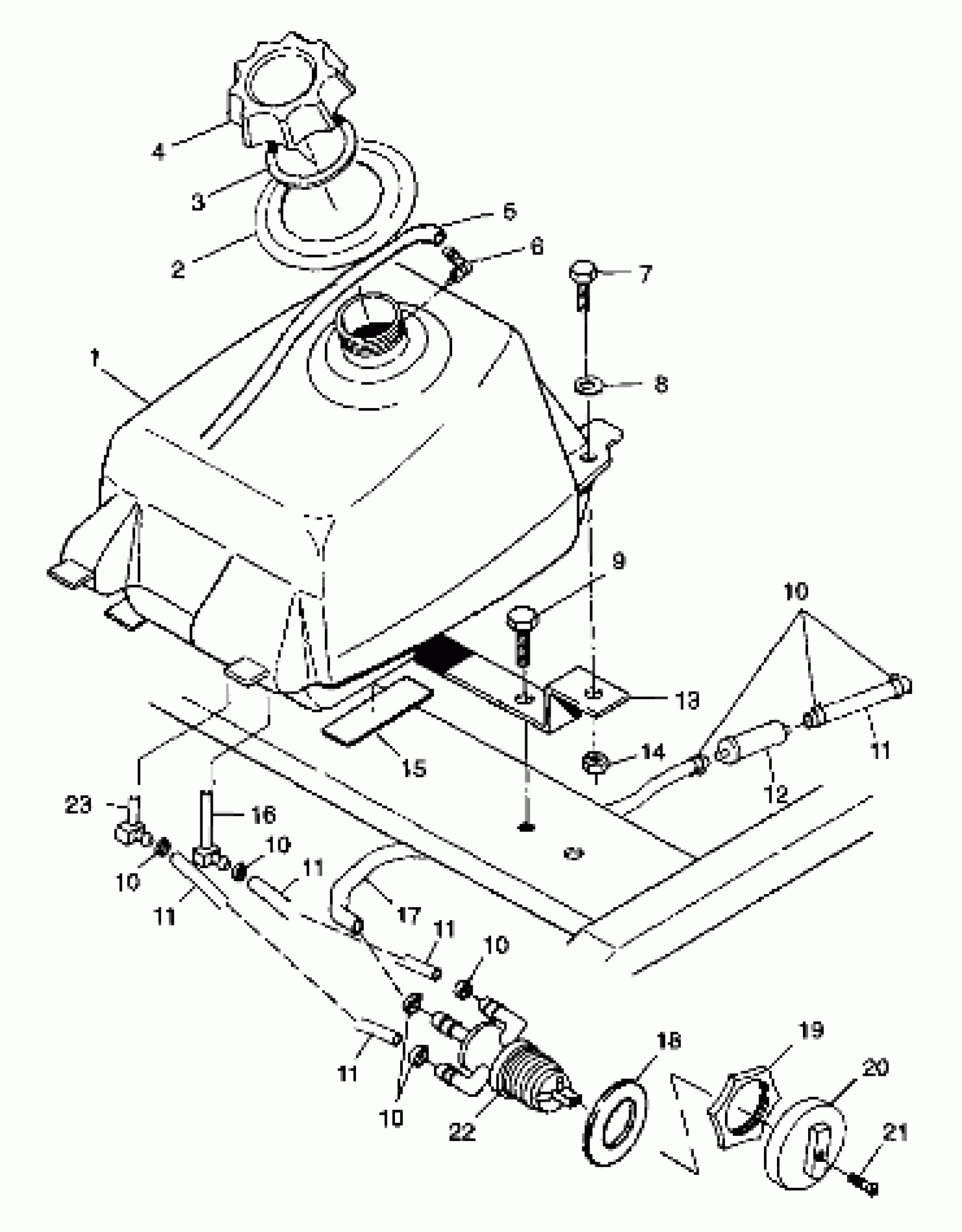
Polaris SPORT 400L - W98BA38C FUEL TANK Sport 400L W98BA38C (4947234723A013) Diagram
#
Description
Price
1
FUELTANK ASM,(300) Substituted by 1240048 (Incl. 6, 16, 23)
2511272
Unavailable
2
GROMMET,FUELTANK
5410842
Unavailable
5
FUEL LINE,1/8 ID,600 CM.
8360009-600
Unavailable
11
FUEL LINE,1/4 ID(600 CM.)
8450040-600
Unavailable
11
FUEL LINE,1/4 ID(600 CM.)
8450040-600
Unavailable
11
FUEL LINE,1/4 ID(600 CM.)
8450040-600
Unavailable
11
FUEL LINE,1/4 ID(600 CM.)
8450040-600
Unavailable
11
FUEL LINE,1/4 ID(600 CM.)
8450040-600
Unavailable
13
BRKT,R.TANK MT,BLK.
5220916-067
Unavailable
15
PAD,BULK FUEL
8360026
Unavailable
16
ELBOW, MAIN
7052147
Unavailable
17
HOSE,FUEL,1/4 IN.
5411272
Unavailable
18
SPACER,FUEL VALVE
5242977
Unavailable
19
NUT,FUELVALVE,ATV
5432733
Unavailable
23
FITTING,FUEL OUT,90DEG,RES,Z
7052148
Unavailable
