- Partiron
- OEM Parts
- Polaris
- ATV
- 1997
- SPORT 400L - W97BA38C
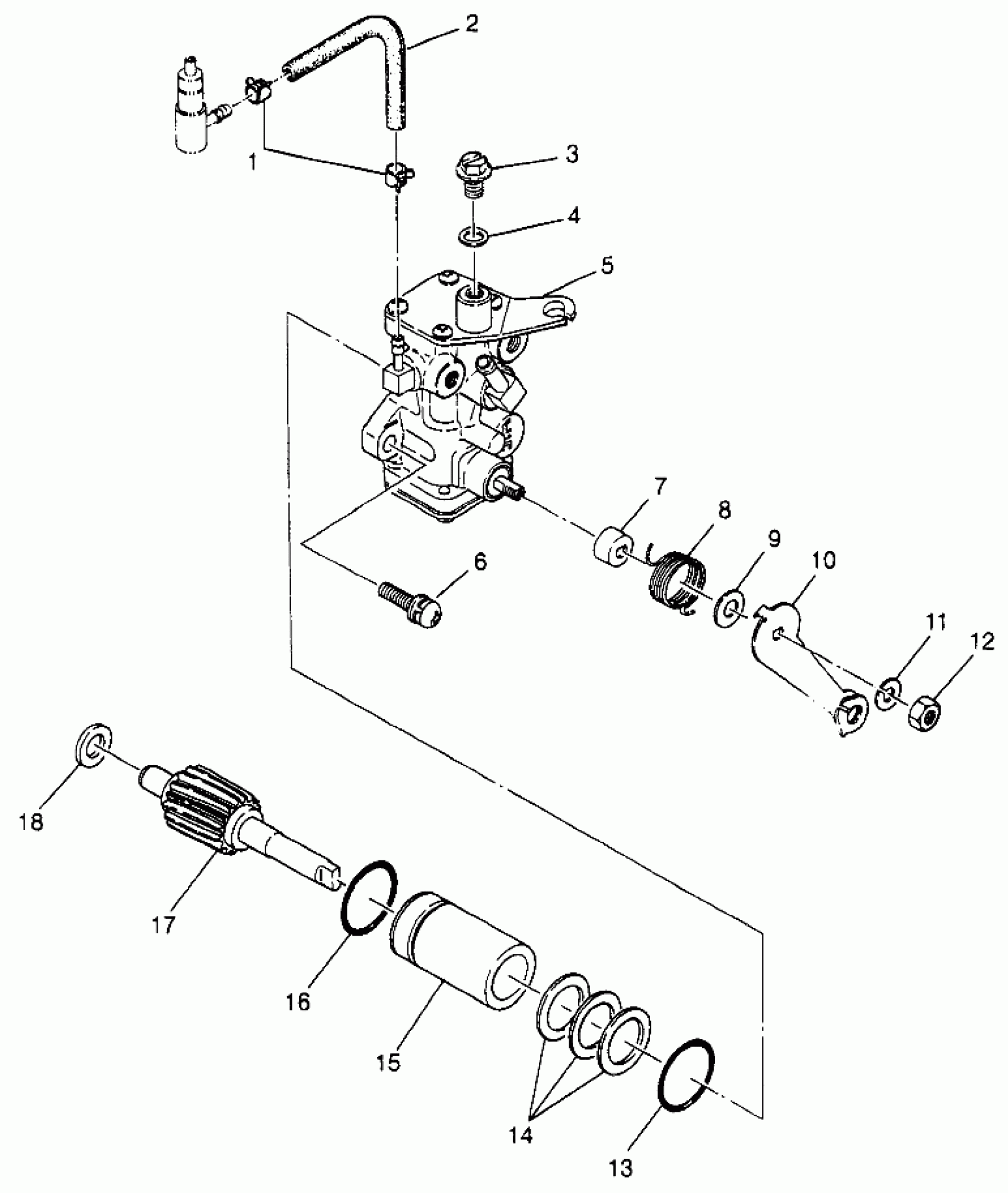
OIL PUMP (BLAZER) Trail Blazer W97BA25C (4940124012D003)
Polaris SPORT 400L - W97BA38C OIL PUMP (BLAZER) Trail Blazer W97BA25C (4940124012D003) Diagram
#
Description
Price
3
SCREW-AIR VENT
3083125
Unavailable
5
PUMP ASM,OIL Substituted by 3085624 (Incl. 3, 4, 7-13)
3085542
Unavailable
8
SPRING-RETURN
3083123
Unavailable
10
LEVER, CONTROL
3083935
Unavailable
13
O RING
3083127
Unavailable
14
SPACER #3 (.6mm)
3083673
Unavailable
14
SPACER #2 (.3mm)
3083672
Unavailable
14
SPACER #1 (.15mm)
3083671
Unavailable
16
O RING
3083129
Unavailable
17
Gear, Small
3083429
Unavailable
