- Partiron
- OEM Parts
- Polaris
- ATV
- 1997
- SPORT 400L - W97BA38C
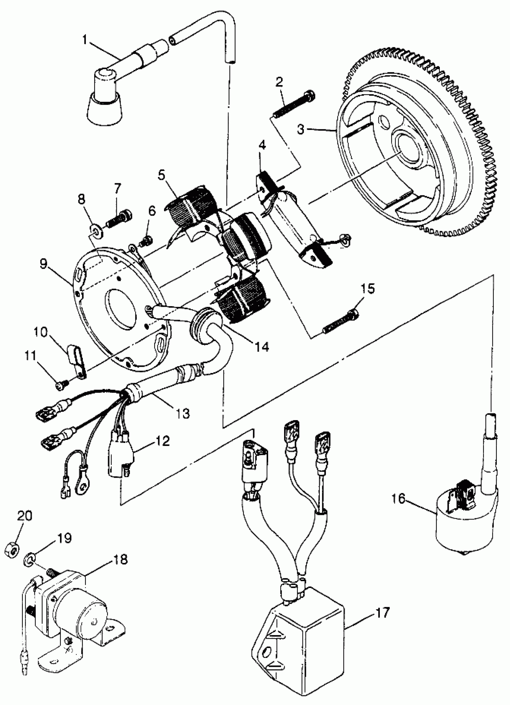
MAGNETO (BLAZER) Trail Blazer W97BA25C (4940124012D011)
Polaris SPORT 400L - W97BA38C MAGNETO (BLAZER) Trail Blazer W97BA25C (4940124012D011) Diagram
#
Description
Price
4
Coil, Exciting
3083422
Unavailable
5
COIL,LIGHT(STATOR 1)
3083976
Unavailable
7
SCREW&WASHER Substituted by 3086788
3083774
Unavailable
9
PLATE ASM. (Incl. 2, 5, 6, 9-15)
3083979
Unavailable
10
Clamp
3081296
Unavailable
14
Grommet
3083773
Unavailable
16
COIL, IGNITION *
3083923
Unavailable
17
CDI UNIT *
3083977
Unavailable
