- Partiron
- OEM Parts
- Polaris
- ATV
- 1997
- SPORT 400L - W97BA38C
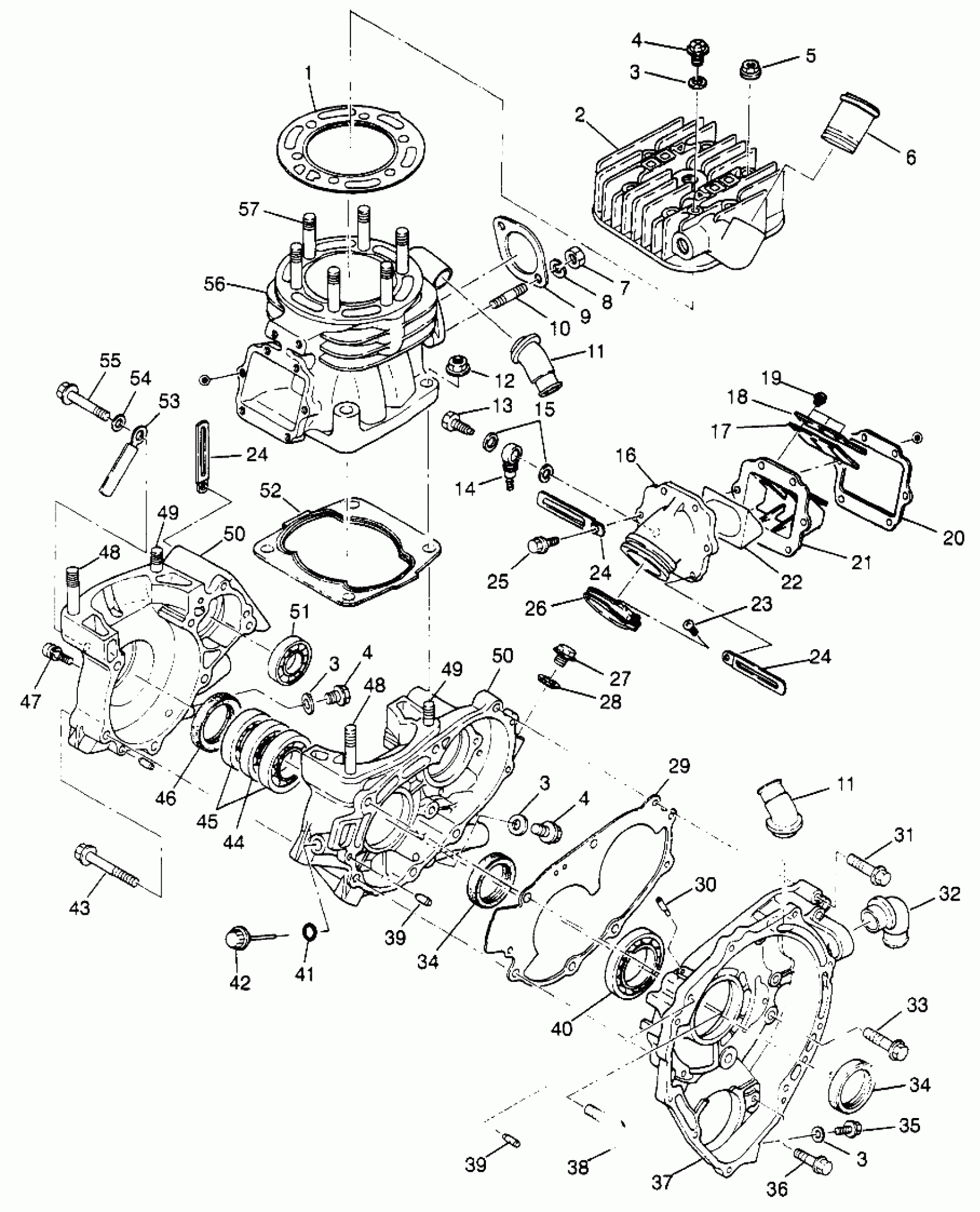
CRANKCASE and CYLINDER (SPORT) Sport 400L W97BA38C (4940124012C011)
Polaris SPORT 400L - W97BA38C CRANKCASE and CYLINDER (SPORT) Sport 400L W97BA38C (4940124012C011) Diagram
#
1
GASKET,HEAD (Head)
3084731
Unavailable
2
HEAD, CYLINDER Substituted by 3086755 (Incl. 6)
3084730
Unavailable
4
PLUG, DRAIN
3083767
Unavailable
4
PLUG, DRAIN
3083767
Unavailable
4
PLUG, DRAIN
3083767
Unavailable
6
PIPE, WATER (Water)
3083452
Unavailable
7
NUT(10)
3080285
Unavailable
9
GASKET,EXHAUST,NA(10) Substituted by 3086757 (Exhaust) Non-Asbestos
3084439
Unavailable
10
STUD,(10)
3085326
Unavailable
11
PIPE, 1 ELBOW Substituted by 3086746 (Elbow)
3084129
Unavailable
11
PIPE, 1 ELBOW Substituted by 3086746 (Elbow)
3084129
Unavailable
13
BOLT-BANJO
3083137
Unavailable
14
VALVE, CHECK
3083894
Unavailable
15
WASHER(10) Substituted by 7555998
3083138
Unavailable
16
ADAPTER, CARB.
3085277
Unavailable
17
VALVE, REED(10)
3240064
Unavailable
18
Stopper
3240065
Unavailable
19
SCREW&WASHER Substituted by 3084565
3240066
Unavailable
20
GASKET, REED VALVE,(10) (Reed Valve)
3084148
Unavailable
21
VALVE ASM., REED (Incl. 17-19)
3084147
Unavailable
25
BOLT, FLANGE Substituted by 3086759 (Adapter)
3084145
Unavailable
26
BAND ASM. (Adapter) (Incl. 23)
3084144
Unavailable
27
PLUG Substituted by 3086749
3083453
Unavailable
29
GASKET,(CASE 3) Substituted by 3086748 (Case 3)
3084727
Unavailable
30
PIPE, BREATHER (Breather)
3084128
Unavailable
31
BOLT, FLANGE Substituted by 3086751
3084177
Unavailable
32
PIPE, 2 ELBOW Substituted by 3086747 (Elbow)
3084130
Unavailable
33
BOLT, FLANGE ,(10)
3084435
Unavailable
34
Seal, Oil
3084120
Unavailable
34
Seal, Oil
3084120
Unavailable
35
PLUG
3085152
Unavailable
36
Bolt, Flange
3084126
Unavailable
37
CRANKCASE 3 Substituted by 3087149 (Incl. 11, 30, 32, 34-36, 39, 40)
3085278
Unavailable
38
Bolt, Flange
3084134
Unavailable
40
Bearing, Ball
3084131
Unavailable
41
O-Ring
3084733
Unavailable
42
GAUGE, OIL Substituted by 3085517 (Incl. 41)
3084732
Unavailable
43
BOLT, FLANGE Substituted by 3086742
3084125
Unavailable
46
Seal, Oil
3084725
Unavailable
48
Stud
3084118
Unavailable
48
Stud
3084118
Unavailable
50
CRANKCASE ASM. Substituted by 3086740 (Incl. 3, 4, 34, 36, 39, 43-46, 48-51, 55)
3084774
Unavailable
50
CRANKCASE ASM. Substituted by 3086740 (Incl. 3, 4, 34, 36, 39, 43-46, 48-51, 55)
3084774
Unavailable
51
Bearing, Ball
3084123
Unavailable
53
Clamp
3083384
Unavailable
56
CYLINDER Substituted by 3086753 (Incl. 10, 11, 57)
3085276
Unavailable
57
Stud
3084138
Unavailable
