- Partiron
- OEM Parts
- Polaris
- ATV
- 1995
- SPORT 400L - W958540
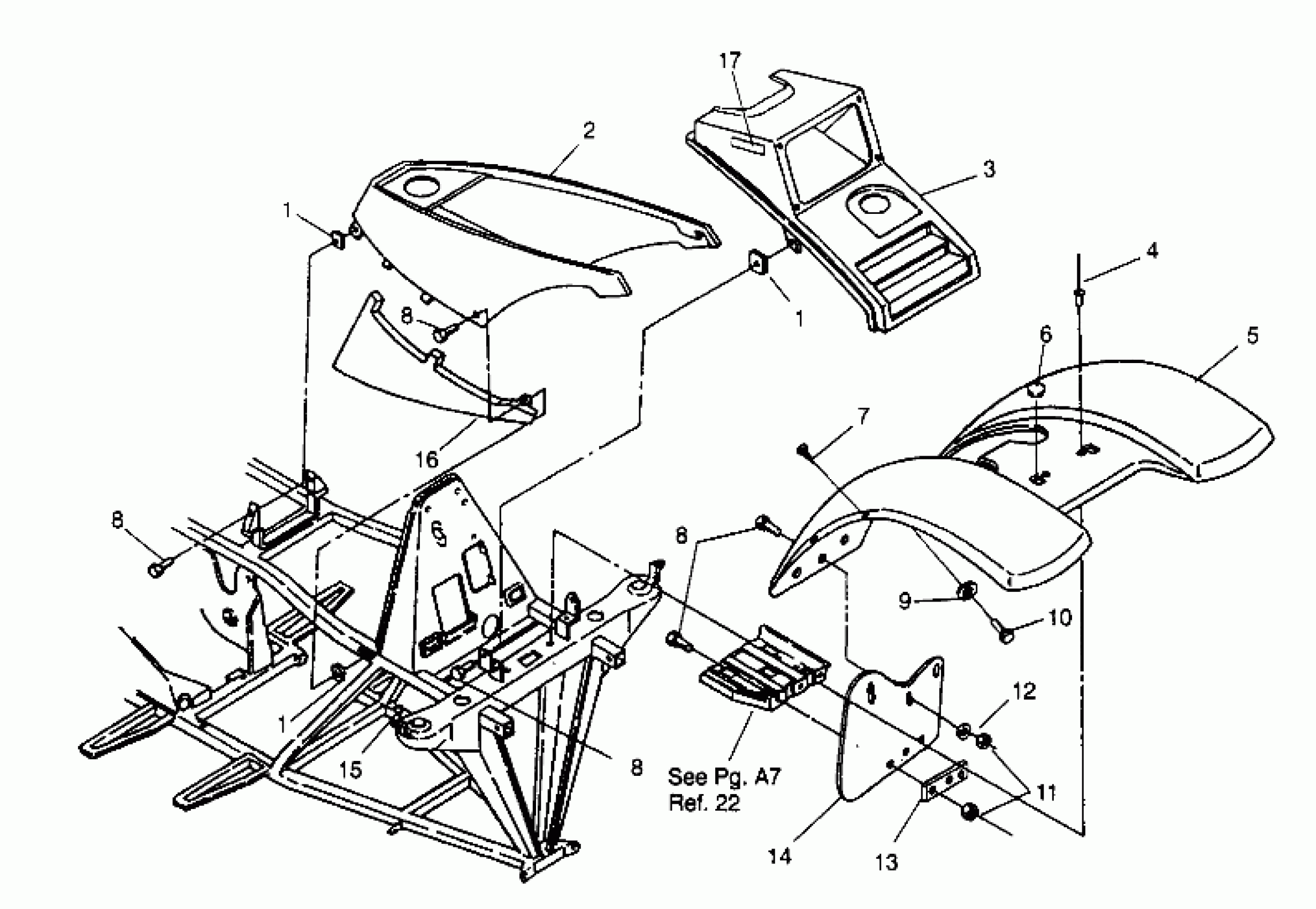
FRONT CAB ASSEMBLY Sport 400L W958540 (4930133013A005)
Polaris SPORT 400L - W958540 FRONT CAB ASSEMBLY Sport 400L W958540 (4930133013A005) Diagram
#
Description
Price
3
Cover, Headlamp (See Pg., Ref.)
-------
Unavailable
13
BRKT, LH MUD FLAP
5211131-067
Unavailable
15
PLUG,RUBBER-HOLE,.5DIA(10) Substituted by 5411426
5410012
Unavailable
16
COVER,,LH(P.RED)SIDE Substituted by 5433382-136
5430970-136
Unavailable
16
COVER,RH(P.RED)SIDE Substituted by 5433579-136
5430971-136
Unavailable
