- Partiron
- OEM Parts
- Sea-doo
- Boats
- 2008
- Speedster
- Speedster WAKE 310, 2008
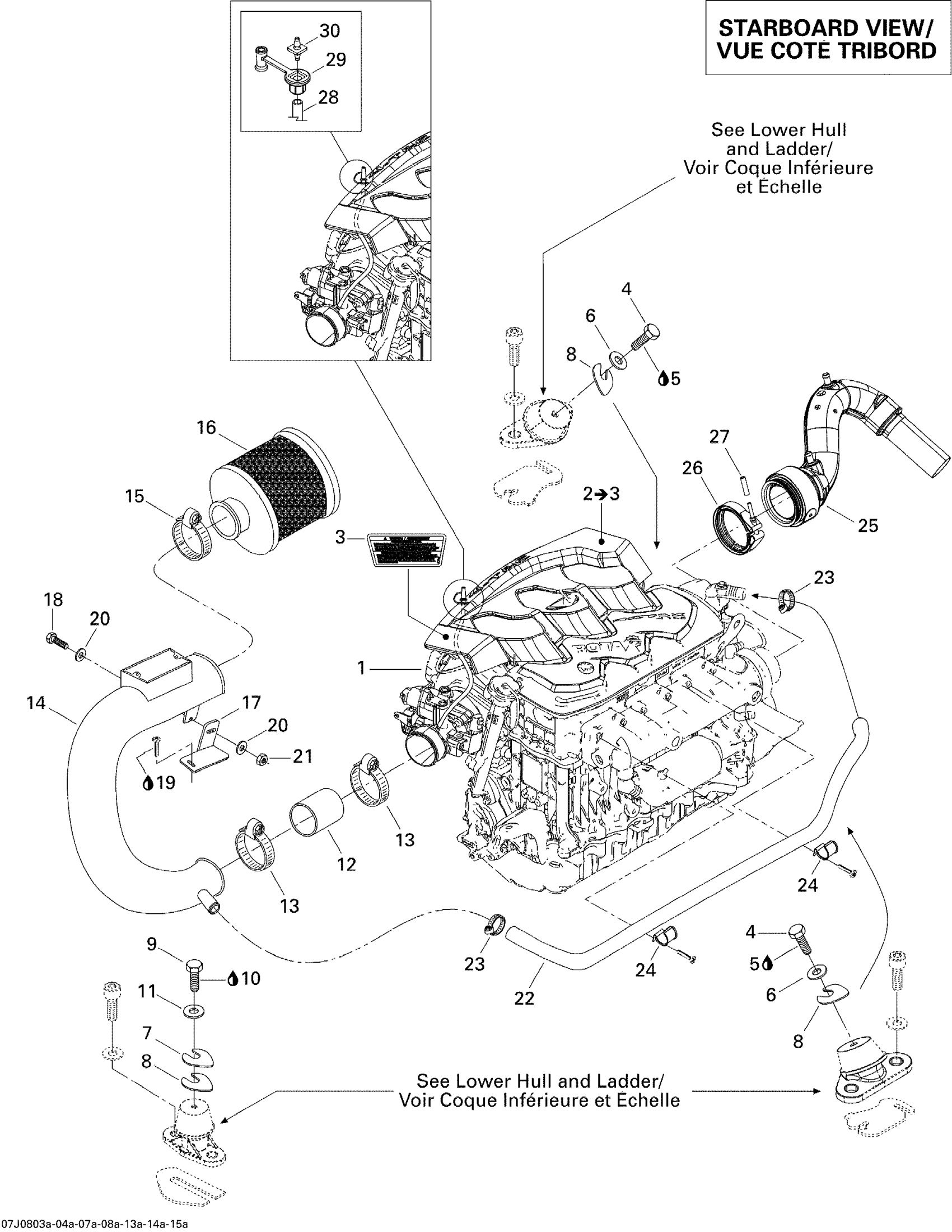
Engine And Air Intake Silencer Edition 1
Sea-doo Speedster WAKE 310, 2008 Engine And Air Intake Silencer Edition 1 Diagram
#
Description
Price
1
Engine Long Block, 1503 NA
420150315
Unavailable
2
COVER ASS'Y - Call your local BRP dealership | Includes 1 to 3 This part replaces 270000679.
270000677
Unavailable
3
WARNING DECAL, ENGINE OIL LEVEL - Call your local BRP dealership
219902674
Unavailable
4
HEX. SCREW M8 X 25 - Call your local BRP dealership
207182560
Unavailable
7
SHIM 1.3 MM - Call your local BRP dealership
270000025
Unavailable
8
SHIM 0.4 MM - Call your local BRP dealership
270000024
Unavailable
9
HEX. SCREW M8 X 25 - Call your local BRP dealership
207182560
Unavailable
12
INTAKE HOSE - Call your local BRP dealership
204250400
Unavailable
13
TRIDON GEAR CLAMP - Call your local BRP dealership
293650061
Unavailable
14
INTAKE TUBE - Call your local BRP dealership
204250421
Unavailable
17
BRACKET - Call your local BRP dealership
204250407
Unavailable
19
ADHESIVE LOCTITE 495 - Call your local BRP dealership
293800021
Unavailable
25
EXHAUST PIPE - Call your local BRP dealership
274001030
Unavailable
28
HOSE 3 MM - Call your local BRP dealership
270000469
Unavailable
29
GROMMET CAP - Call your local BRP dealership
293830120
Unavailable
