Speedster, 5772, 2003
01- Cooling System
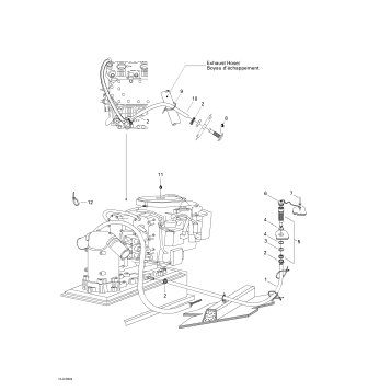
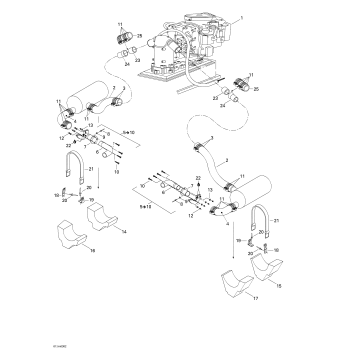
01- Exhaust System
02- Fuel System
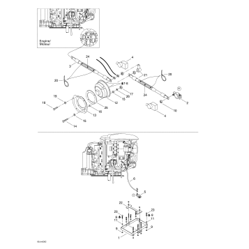
02- Oil Injection System
05- Control Handle
05- Propulsion
07- Steering System
09- Body And Accessories 1
09- Body And Accessories 2
09- Central Cover And Accessories
09- Decals
09- Engine Compartment
09- Front Storage Compartment
09- Seats
10- Electrical Accessories 1
10- Electrical Accessories 2
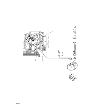
10- Electrical System
10- Typical Electrical Connections
Fuel Your Passion
Parts That Keep You Riding
Edit ride