- Partiron
- OEM Parts
- Sea-doo
- Boats
- 2000
- Speedster SK
- Speedster SK, 5687, 2000
Electrical System
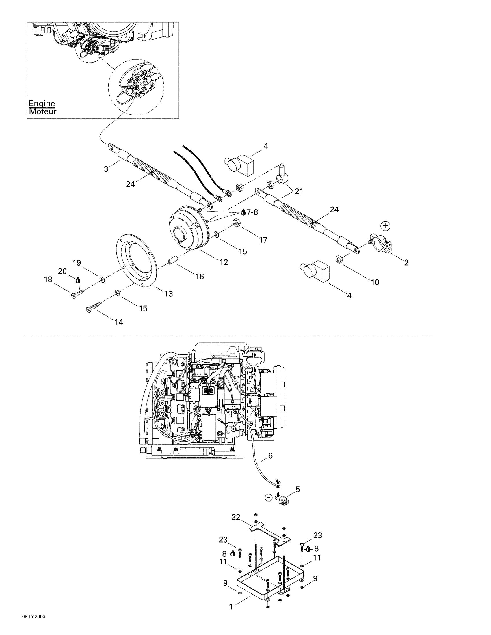
Sea-doo Speedster SK, 5687, 2000 Electrical System Diagram
#
Description
Price
1
BATTERY SUPPORT - Call your local BRP dealership
204471008
Unavailable
2
POSITIVE BATTERY POLE - Call your local BRP dealership
204470349
Unavailable
3
Positive Cable, Red
204470386
Unavailable
4
Red Boot
204470388
Unavailable
5
NEGATIVE BATTERY POLE - Call your local BRP dealership
204470348
Unavailable
6
Battery Ground Cable
204470389
Unavailable
9
FLAT WASHER, PLASTIC - Call your local BRP dealership
211200029
Unavailable
10
HEX. NUT 3/8-16 - Call your local BRP dealership
211100063
Unavailable
12
Battery Switch
204470329
Unavailable
13
Switch Support
204470251
Unavailable
16
NYLON SPACER - Call your local BRP dealership
204470330
Unavailable
18
PHILLIPS SCREW M4 X 25 - Call your local BRP dealership
208642560
Unavailable
21
Positive Switch Cable
204470387
Unavailable
22
TOP BATTERY SUPPORT - Call your local BRP dealership
204471290
Unavailable
24
SLIT CONDUIT, METER - Call your local BRP dealership
204550015
Unavailable
