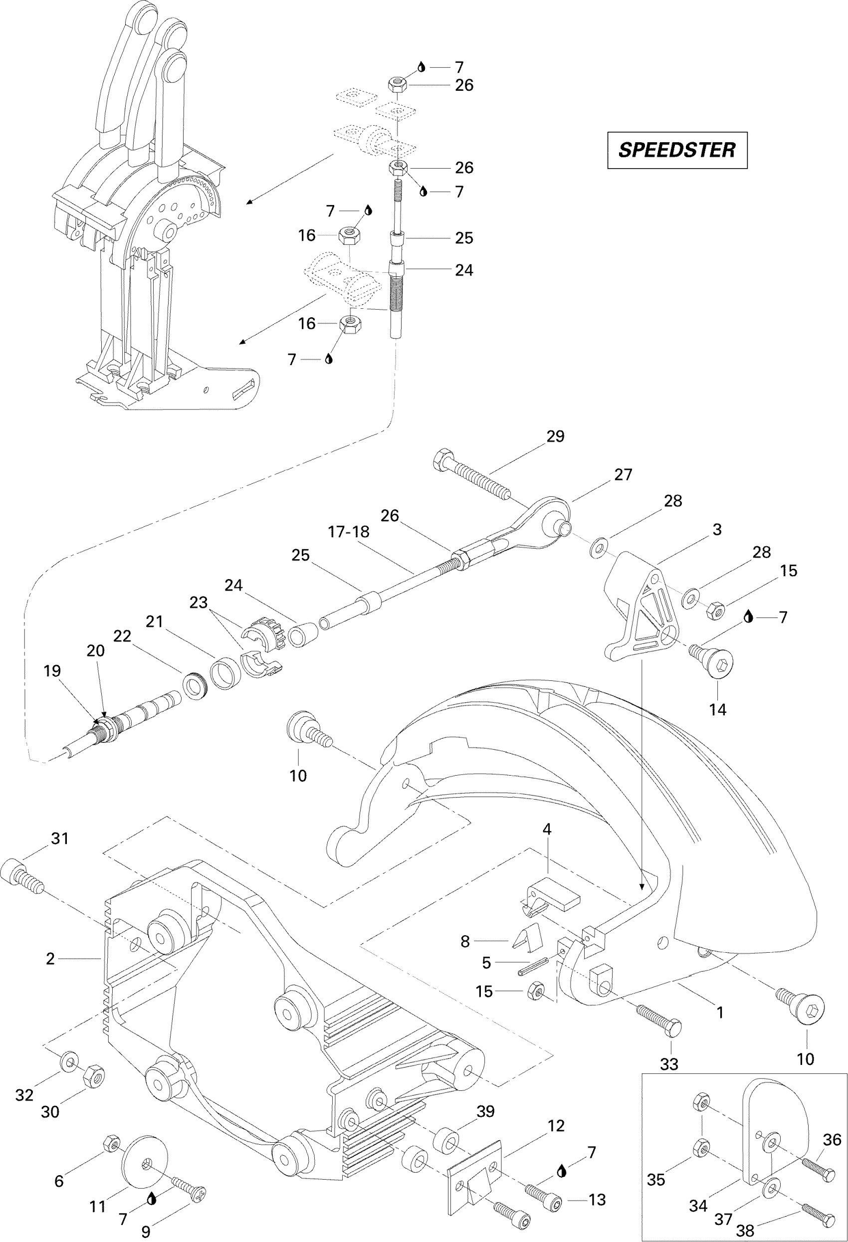
Sea-doo Speedster, 5894, 1996 Reverse Speedster Diagram
#
Description
Price
1
Gate - Reverse
204170008
Unavailable
2
Gate Support
204000170
Unavailable
3
CABLE LEVER - Call your local BRP dealership
271000583
Unavailable
4
HOOK LEVER - Call your local BRP dealership
271000430
Unavailable
6
HEX. NUT 1/4 - Call your local BRP dealership
211100026
Unavailable
9
Countersunk Phillips Head Screw
211000087
Unavailable
10
Screw
211000007
Unavailable
11
Anode-Zinc
271000477
Unavailable
12
STOP PAWL - Call your local BRP dealership
271000485
Unavailable
14
SCREW-SHOULDER M8 - Call your local BRP dealership
211000077
Unavailable
16
Hex. Jam Nut
212100006
Unavailable
17
REVERSE CABLE - Call your local BRP dealership
271000628
Unavailable
18
LH Reverse Cable
271000627
Unavailable
19
Hex. Jam Nut 1/2-20
211100011
Unavailable
20
FLAT WASHER, STAINLESS - Call your local BRP dealership
211200006
Unavailable
21
Retaining Ring
211100010
Unavailable
22
RUBBER WASHER - Call your local BRP dealership
211100009
Unavailable
23
Half-Ring
277000168
Unavailable
24
Boot, Large
277000473
Unavailable
25
Boot, Small
277000466
Unavailable
27
BALL JOINT - Call your local BRP dealership
277000153
Unavailable
29
HEX. SCREW M6 X 60 - Call your local BRP dealership
207066060
Unavailable
31
SCREW-SOCKET HD.DIN.912A2 - Call your local BRP dealership
215981660
Unavailable
34
Reverse Gate Shutter (Starboard)
204170010
Unavailable
36
SCREW HEX. M4 X 20 - Call your local BRP dealership
207142060
Unavailable
39
Spacer 6 mm
204170003
Unavailable
