- Partiron
- OEM Parts
- Polaris
- Motorcycle
- VIC
- 2000
- SPECIAL EDITION - V00CB15DCS
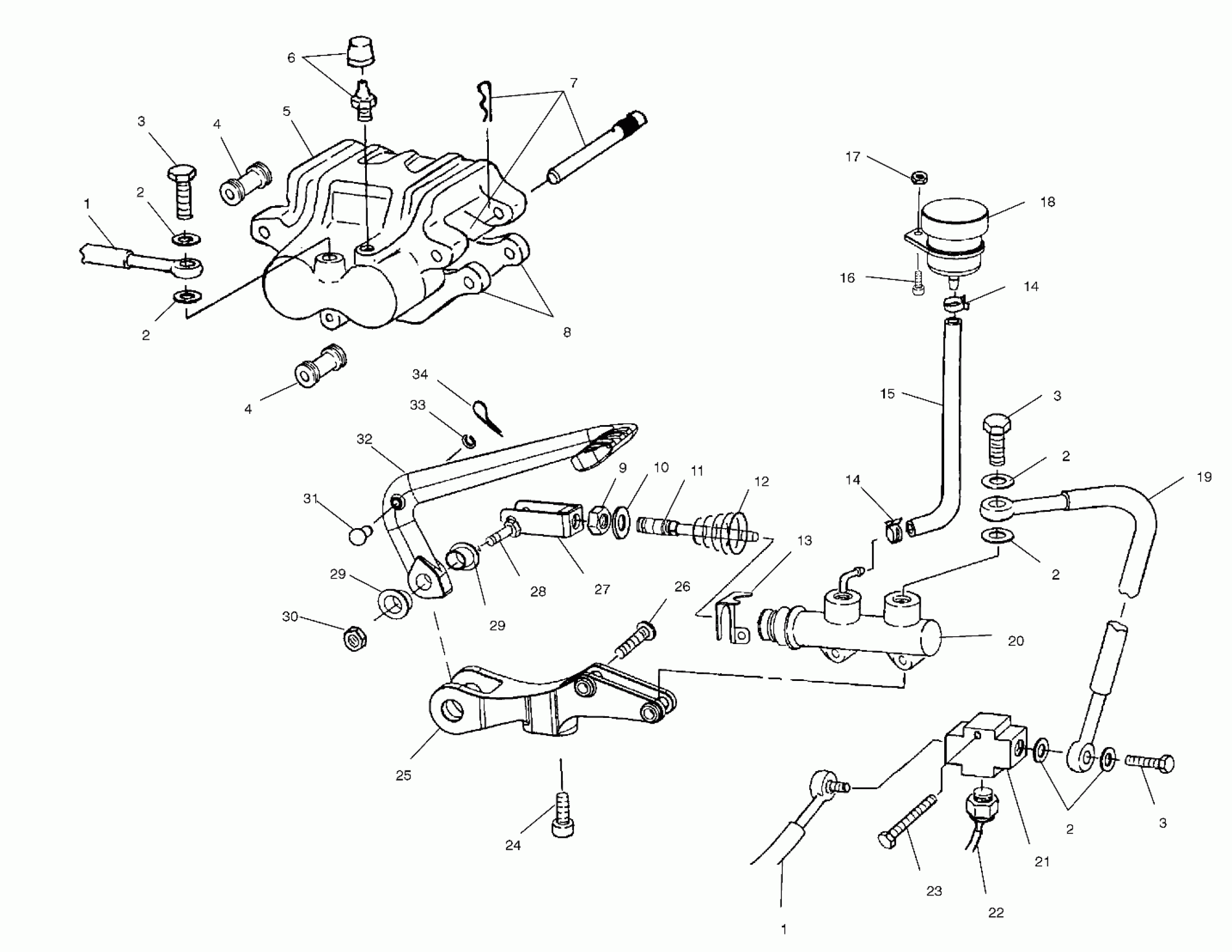
BRAKES, REAR - V00CB15DCS (4960146014B005)
Polaris SPECIAL EDITION - V00CB15DCS BRAKES, REAR - V00CB15DCS (4960146014B005) Diagram
#
Description
Price
1
HOSE,R.BRAKE,R.SEGMENT
1930887
Unavailable
1
HOSE,R.BRAKE,R.SEGMENT
1930887
Unavailable
3
BOLT,BRAKE,BANJO,SPCL
1930848
Unavailable
3
BOLT,BRAKE,BANJO,SPCL
1930848
Unavailable
3
BOLT,BRAKE,BANJO,SPCL
1930848
Unavailable
4
KIT,BOOTS,R.CALIPER
2201174
Unavailable
4
KIT,BOOTS,R.CALIPER
2201174
Unavailable
5
CALIPER ASM,REAR,2 PISTON
1930868
Unavailable
5
Bracket, Rear Brake Caliper
-------
Unavailable
8
KIT,BRAKE PAD,REAR
2201171
Unavailable
15
HOSE,REAR BRAKE Substituted by 8450082-41
8450082
Unavailable
18
RESERVOIR,R.MASTER CYL.
1930882
Unavailable
19
HOSE,R.BRAKE,FR.SEGMENT
1930867
Unavailable
20
MASTERCYL,REAR,BMM
1930865
Unavailable
21
MANIFOLD,REAR BRAKE Substituted by 1910351
1910266
Unavailable
22
SW,PRESSURE,R.BRAKE
4110238
Unavailable
24
SCREW,SOCHD,M8X20
7517410
Unavailable
28
SCREW Substituted by 7517715
7517576
Unavailable
29
BUSHING,PEDAL
5020904
Unavailable
29
BUSHING,PEDAL
5020904
Unavailable
30
NUT (10)
7547039
Unavailable
31
PIN-CLEVIS,BRAKE PEDAL
7661063
Unavailable
