- Partiron
- OEM Parts
- Suzuki
- Motorcycle
- 1980
- SP400 (1980)
REAR COMBINATION LAMP
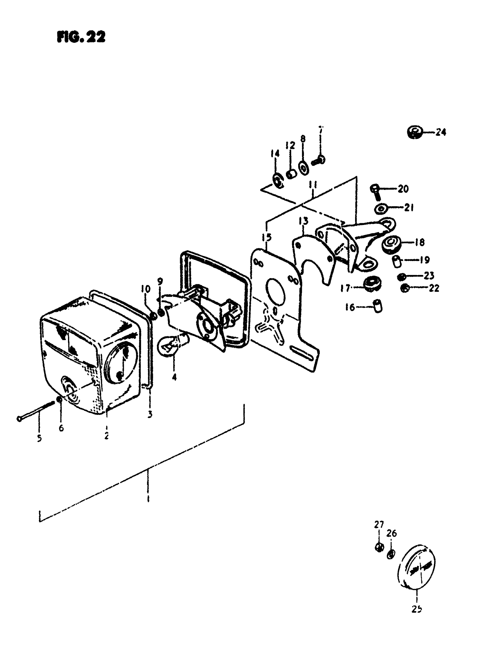
Suzuki SP400 (1980) REAR COMBINATION LAMP Diagram
#
Description
Price
1
LAMP UNIT, REAR COMBINATION | Includes Item(s) 2 - 10
35720-32430
Unavailable
2
LENS
35712-30512
Unavailable
3
GASKET
35713-30510
Unavailable
4
BULB (6V,32/3CP)
09471-06030
Unavailable
7
SCREW
35725-32410
Unavailable
8
WASHER
35727-32410
Unavailable
11
BRACKET SET | Includes Item(s) 12 - 19
35730-37131
Unavailable
13
CUSHION
35763-32410
Unavailable
14
CUSHION
35764-32410
Unavailable
15
PLATE, LICENCE
35927-37131
Unavailable
16
SPACER
35766-37120
Unavailable
17
CUSHION
35765-32410
Unavailable
18
CUSHION
35765-44130
Unavailable
24
GROMMET
09308-09001
Unavailable
