- Partiron
- OEM Parts
- Suzuki
- Motorcycle
- 1988
- SP200 (1988)
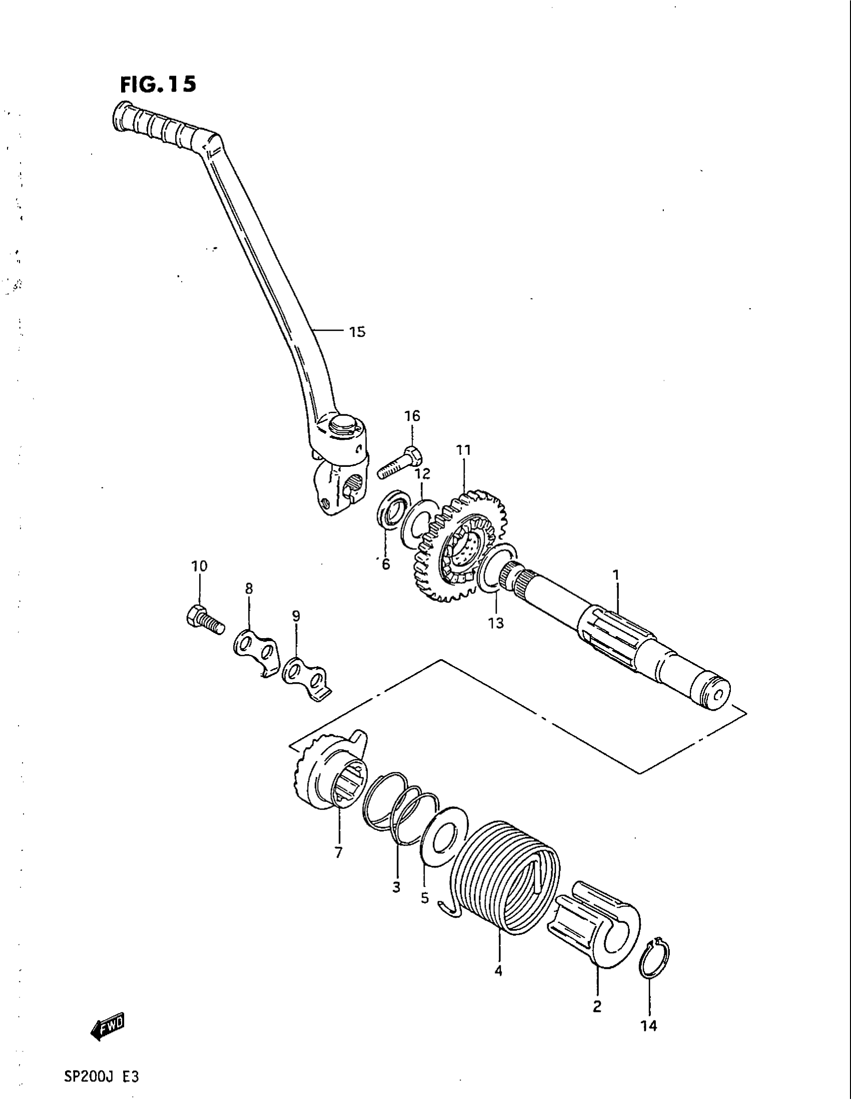
KICK STARTER
Suzuki SP200 (1988) KICK STARTER Diagram
#
Description
Price
8
GUIDE, KICK STARTER
26232-38200
Unavailable
11
NO DESCRIPTION AVAILABLE This part replaces 26240-42A01.
26240-42A02
Unavailable
16
BOLT,8X25 This part replaces 09100-08193.
09100-08193-XC0
Unavailable
