- Partiron
- OEM Parts
- Polaris
- Watercraft
- PWC
- 1997
- SLX PRO 785 - B974978
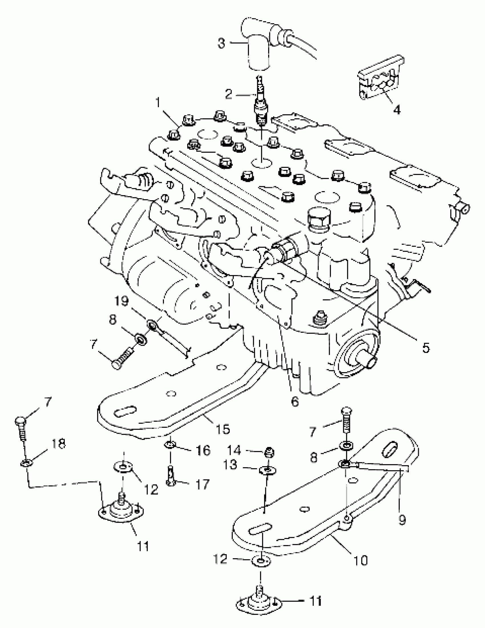
ENGINE MOUNTING - B974978 (4941254125b001)
Polaris SLX PRO 785 - B974978 ENGINE MOUNTING - B974978 (4941254125b001) Diagram
#
Description
Price
1
ENG.(S.B.)EC78ZPWE-01 (See Footnote) NOTE: SHORT BLOCK ENGINE. The Short Block assembly contains a crankcase assembly, cylinder and cylinder head assembly, and a piston & crankshaft assembly. Prior
3240296
Unavailable
3
Cap, Spark Plug (See Pg. C8, Ref. 6)
-------
Unavailable
5
SWITCH, TEMP.
4110174
Unavailable
6
SWITCH,THERMO (825C)
3240223
Unavailable
7
BOLT, S.S.(10)
7515361
Unavailable
7
BOLT, S.S.(10)
7515361
Unavailable
7
BOLT, S.S.(10)
7515361
Unavailable
8
WASHER, LOCK(10)
7552613
Unavailable
8
WASHER, LOCK(10)
7552613
Unavailable
9
Cable, Ground, Battery/Engine (See Pg. B6, Ref. 12)
-------
Unavailable
10
PLATE,FR.NOTCHED,FUJI
5630761
Unavailable
11
MT,ENG,ANTI-ROTATION,SLT Substituted by 3021102
3110054
Unavailable
11
MT,ENG,ANTI-ROTATION,SLT Substituted by 3021102
3110054
Unavailable
12
SHIM,ENG.MT.(PWC)
5211727
Unavailable
12
SHIM,ENG.MT.(PWC)
5211727
Unavailable
13
WASHER, FLAT, S.S.(10)
7555848
Unavailable
14
NUT, NYLOK, S.S.(10) Substituted by 7547001
7542725
Unavailable
15
PLATE,R.MT,CAST,(FUJI)
5630577
Unavailable
16
WASHER,LOCK,S.S.
7552609
Unavailable
17
BOLT, S.S.(10)
7512573
Unavailable
18
WASHER, LOCK, S.S.(10)
7552610
Unavailable
19
CABLE,SOL/START.RED
4010127
Unavailable
