- Partiron
- OEM Parts
- Polaris
- Watercraft
- PWC
- 1999
- SLX - B994690
OIL TANK - I994690 (4951365136a013)
Polaris SLX - B994690 OIL TANK - I994690 (4951365136a013) Diagram
#
Description
Price
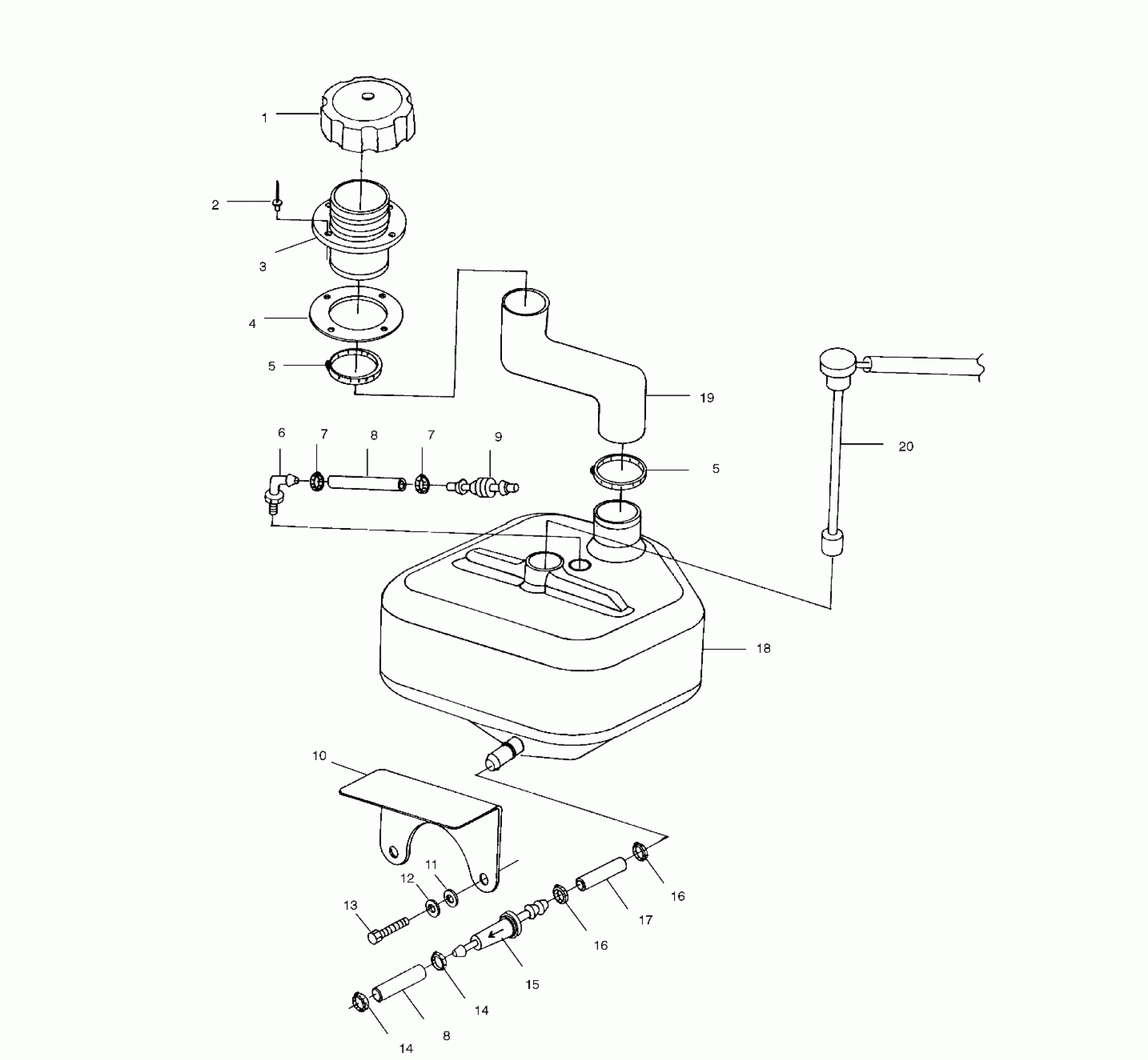
1
CAP,OILTANK
5432843
Unavailable
2
RIVET-POP 3/16(10)
7661040
Unavailable
3
INLET,OIL Substituted by 5433601
5432801
Unavailable
4
GASKET,OIL INLET
5811554
Unavailable
5
CLAMP,HOSE, SS.
7080772
Unavailable
5
CLAMP,HOSE, SS.
7080772
Unavailable
6
ELBOW,90 DEG.
7052130
Unavailable
8
FUEL LINE,1/4 ID(1525 CM.)
8450003-1525
Unavailable
8
FUEL LINE,1/4 ID(1525 CM.)
8450003-1525
Unavailable
9
VALVE,VACUUM CHECK
7052118
Unavailable
10
PLATE,MT,TANK,OIL
5211866
Unavailable
11
WASHER,LOCK
7555961
Unavailable
13
SCREW, S.S.(10)
7515143
Unavailable
15
FILTER,OIL
2530015
Unavailable
17
FUEL LINE
8450059-150
Unavailable
18
TANK,OIL,(SL2)
5432768
Unavailable
19
HOSE,FILL,OIL Substituted by 5433636
5432662
Unavailable
20
SENDER ASM,OIL LEVEL
2410079
Unavailable
