- Partiron
- OEM Parts
- Polaris
- Watercraft
- PWC
- 1999
- SLX - B994690
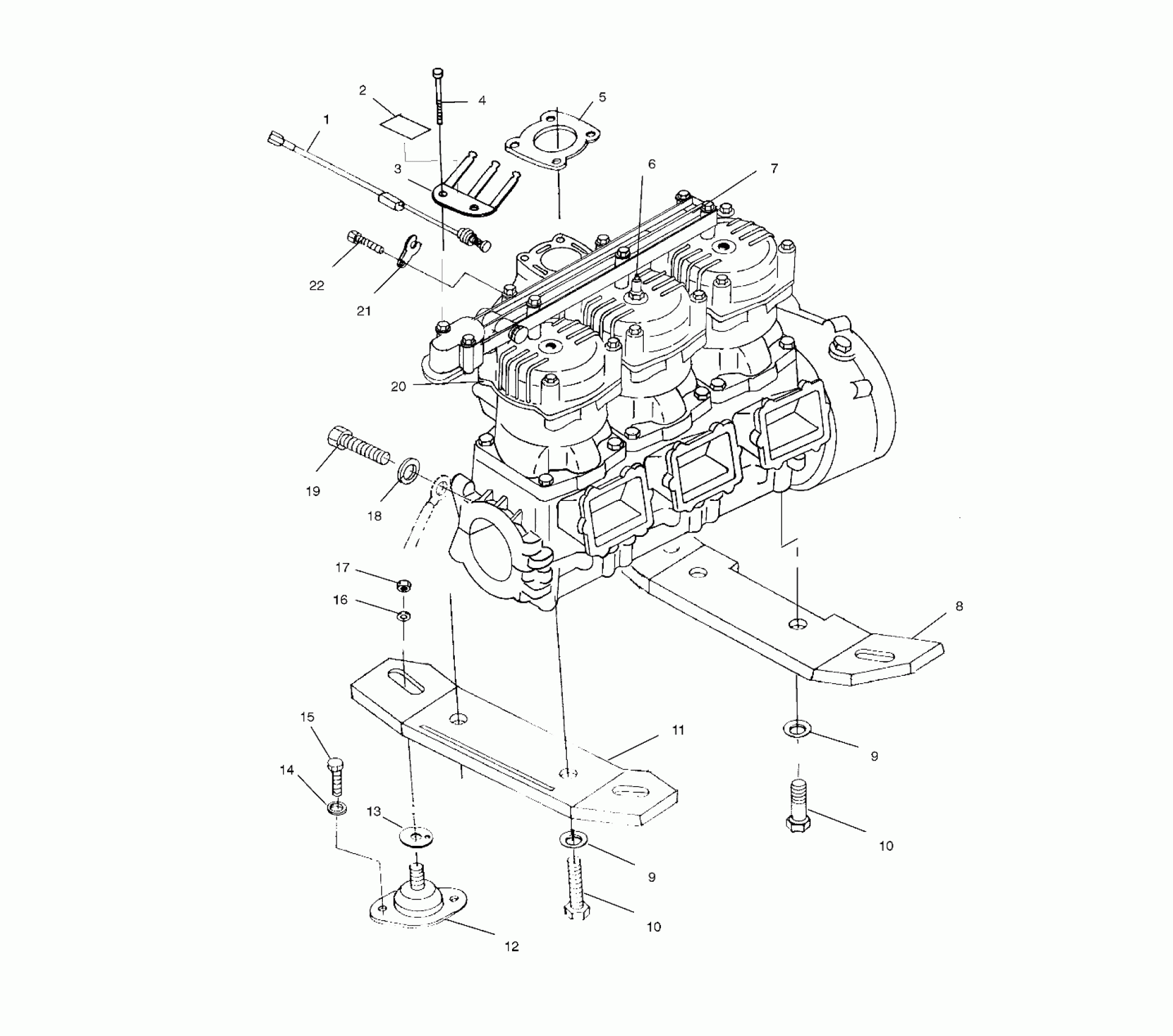
ENGINE MOUNTING - I994690 (4951365136b002)
Polaris SLX - B994690 ENGINE MOUNTING - I994690 (4951365136b002) Diagram
#
Description
Price
1
SWITCH ASM,TEMP(NO GROMMET)
2410075
Unavailable
3
GROUND,SPARKPLUG,3CYL
5242476
Unavailable
4
SCREW,SHOULDER,S.S.(10)
7515149
Unavailable
5
GASKET,EXH.PIPE
5830051
Unavailable
6
Spark Plug, NGK BPR8ES (See Footnote) (See Cyl. and Manifold Pg. C2, Ref. 5)
-------
Unavailable
7
Decal - Warning (See Footnote) (See Cylinder and Manifold Pg. C2, Ref. 2)
-------
Unavailable
8
PLATE,F.MOUNT Substituted by 5631128
5630585
Unavailable
9
WASHER,LOCK,S.S.
7552609
Unavailable
9
WASHER,LOCK,S.S.
7552609
Unavailable
10
SCREW, SS.
7517330
Unavailable
10
SCREW, SS.
7517330
Unavailable
11
PLATE,R.MOUNT Substituted by 5631129
5630584
Unavailable
12
MOUNT-ENGINE,PWC Substituted by 3021208
3021103
Unavailable
13
SHIM,ENG.MT.(PWC)
5211727
Unavailable
14
WASHER, LOCK, S.S.(10)
7552610
Unavailable
15
SCREW(10)
7517627
Unavailable
16
WASHER, FLAT, S.S.(10)
7555848
Unavailable
17
NUT, NYLOK, S.S.(10) Substituted by 7547001
7542725
Unavailable
18
WASHER,LOCK,SS.
7556055
Unavailable
20
KIT,S.B.UPDATE(1050TRIPLE) [Cannot Purchase as Assembly] (See Footnote) Note: The Short Block assembly contains a crankcase assembly, cylinder and cylinder head assembly, and a piston & crankshaft as
2201212
Unavailable
21
CLIP,RETAIN,TEMP.SW.
5240876
Unavailable
