- Partiron
- OEM Parts
- Polaris
- Watercraft
- PWC
- 1999
- SLX - B994690
COOLING SYSTEM - I994690 (4951365136b009)
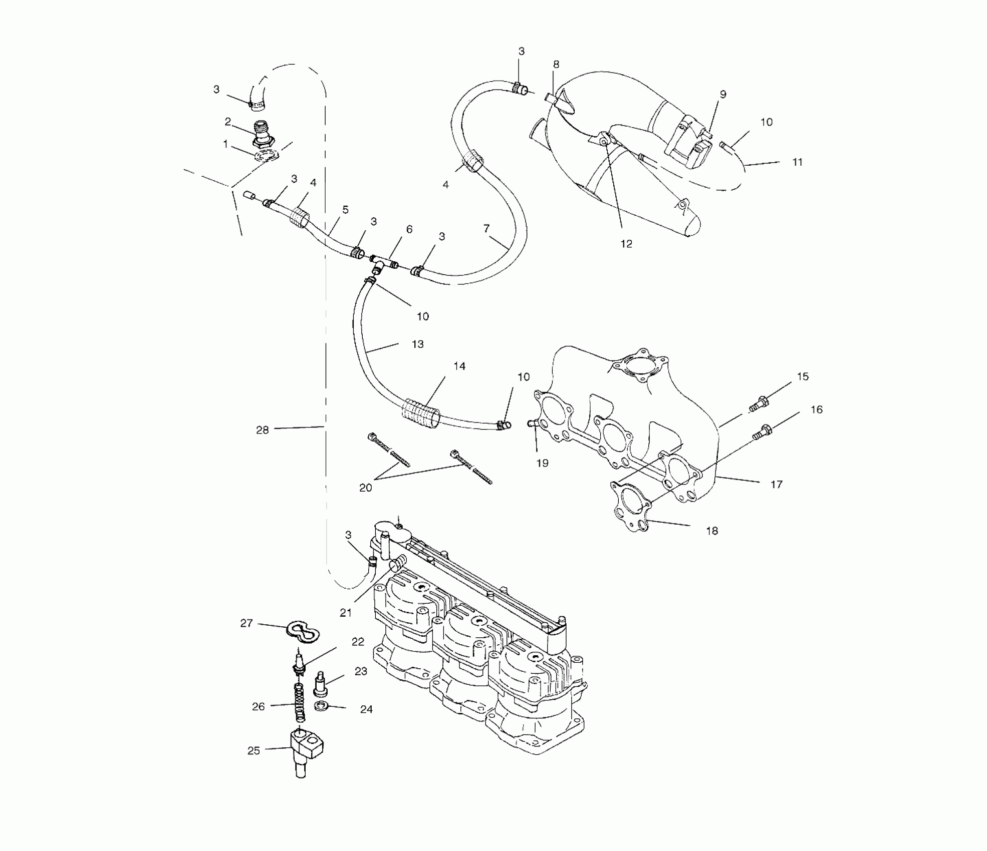
Polaris SLX - B994690 COOLING SYSTEM - I994690 (4951365136b009) Diagram
#
Description
Price
1
Gasket
5811317
Unavailable
2
FITTING,THRU HULL,WATER Substituted by 5431444-133
5431444
Unavailable
5
HOSE,WATER INLET
5411335
Unavailable
6
FITTING,TEE
5431784
Unavailable
7
HOSE,WATER-IN EXH PIPE 1050
5411793
Unavailable
8
Fitting, Inlet, Water (See Footnote) (See Exhaust System Pg. B6, Ref. 1)
-------
Unavailable
9
Fitting, Exhaust Screen (See Footnote) (See Exhaust System Pg. B6, Ref. 8)
-------
Unavailable
11
HOSE,STINGER
5411153
Unavailable
12
Fitting, Exhaust Injector (See Footnote) (See Exhaust System Pg. B6, Ref.11)
-------
Unavailable
13
HOSE,WATER,50CM Substituted by 8450054-100
8450054-50
Unavailable
14
CONDUIT,FLEX(.75"ID) Substituted by 5521398-96
5521398-42
Unavailable
15
Bolt
7516727
Unavailable
16
BOLT, S.S,(10)
7516725
Unavailable
17
MANIFOLD ASM,EXH,(TRIPLE)
1260809
Unavailable
18
GASKET,EXH.FLNG
5811045
Unavailable
19
FITTING,DRAIN,EXH.MANIFOLD
5020746
Unavailable
21
PLUG,PIPE(10)
7051527
Unavailable
22
VALVE,POP-OFF
5432799
Unavailable
23
THERMOSTAT, (143 F.)
7051008
Unavailable
24
GASKET, THERMOSTAT Substituted by 5412014
5410781
Unavailable
25
COVER,THERMOSTAT Substituted by 5631098
5131008
Unavailable
26
Spring, Compression
7041310
Unavailable
27
SEAL,O-RING/THERMO/FITTING
5410860
Unavailable
28
HOSE,WATER OUT,3/4 ID
5411310
Unavailable
