- Partiron
- OEM Parts
- Polaris
- Watercraft
- PWC
- 1999
- SLX - B994690
CARBURETOR - I994690 (4951365136c005)
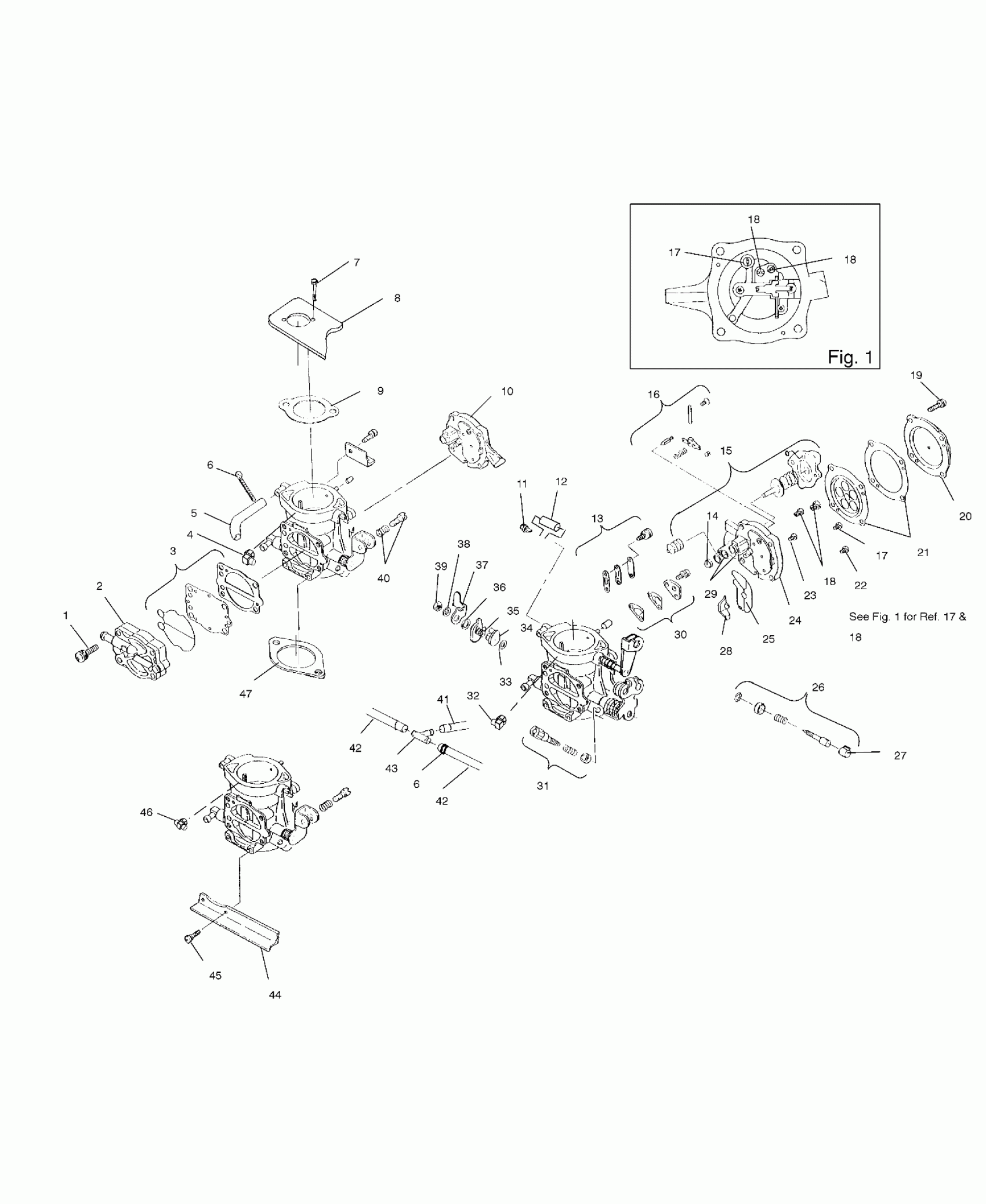
Polaris SLX - B994690 CARBURETOR - I994690 (4951365136c005) Diagram
#
-
KIT,CARB.REBUILD(700PWC) (Incl. 9,16,21,47)
2200788
Unavailable
-
CARBURETOR ASM.
1253204
Unavailable
-
CARB.ASM,CTR. Substituted by 1253137
3050166
Unavailable
-
CARB.ASM,REAR Substituted by 1253137
3050165
Unavailable
-
CARB.ASM,FRONT Substituted by 1253137
3050167
Unavailable
1
SCREW, FUELPUMP
3050136
Unavailable
2
KIT,FUELPUMP BODY(KEIHIN)
2200687
Unavailable
3
KIT,GASKET(FUELPUMP)
2200686
Unavailable
4
NOZZLE,PTO,KEIHIN
3050254
Unavailable
5
Hose, Fuel
3050143
Unavailable
8
BASE,SILENCER,INTAKE,TRIPLE
5630546
Unavailable
9
GASKET,CARB.,UPPER
5830062
Unavailable
10
BLOCK-JET,KEIHIN Substituted by 3050205 (Rear & Center)
3050258
Unavailable
11
JOINT,CONNECTING
3050156
Unavailable
12
TUBE,RUBBER
3050157
Unavailable
13
KIT,CHECKVALVE,MID-RANGE,KHN (1 Per Carb)
2200685
Unavailable
14
SCREEN,FUELSTRAINER
3050144
Unavailable
15
KIT,ACCEL.PUMP (1 Per Carb)
2200732
Unavailable
16
KIT,NDLE VLVE,97DOM,NOT SL 1050 (1 Per Carb)
2200733
Unavailable
17
JET-MAIN,140 KEIHIN (Per Carb) Mag & Center
3050186
Unavailable
17
JET-MAIN,135 KEIHIN (Per Carb) PTO
3050184
Unavailable
17
JET-MAIN,140 KEIHIN (Per Carb) Mag & Center
3050186
Unavailable
17
JET-MAIN,135 KEIHIN (Per Carb) PTO
3050184
Unavailable
18
JET-PILOT,62 KEIHIN (1 Per Carb)
3050127
Unavailable
18
JET-PILOT,62 KEIHIN (1 Per Carb)
3050127
Unavailable
18
JET-PILOT,62 KEIHIN (1 Per Carb)
3050127
Unavailable
18
JET-PILOT,62 KEIHIN (1 Per Carb)
3050127
Unavailable
19
SCREW,JET BLOCK COVER
3050135
Unavailable
20
COVER,JET BLOCK
3050139
Unavailable
21
KIT,DIAPHRAGM-JET BLOCK (1 Per Carb)
2200730
Unavailable
22
JET,PILOT,KEIHIN (1 Per Carb)
3050260
Unavailable
23
SCREW, JET BLOCK (1 Per Carb)
3050137
Unavailable
24
BLOCK-JET,KEIHIN Substituted by 3050204 (Front)
3050259
Unavailable
25
O-Ring, Jet Block
3050147
Unavailable
26
KIT,IDLESCREW,(KEIHIN) (1 Per Carb)
2200689
Unavailable
27
Cap, Limiter
3050140
Unavailable
28
Collar
3050138
Unavailable
29
O-RING,(VALVE SEAT)
3050148
Unavailable
30
KIT,CHECKVALVE,MAIN(KEIHIN) (1 Per Carb)
2200688
Unavailable
31
KIT,IDLESTOP SCREW
2200731
Unavailable
32
NOZZLE,MAG,KEIHIN
3050252
Unavailable
33
E-Clip
3050158
Unavailable
34
COLLAR
3050149
Unavailable
35
SPRING, TORSION
3050150
Unavailable
36
WASHER
3050152
Unavailable
37
LEVER,SYNCHRONIZING
3050153
Unavailable
38
Washer, Lock
3050154
Unavailable
39
NUT,THROTTLE SHAFT
3050155
Unavailable
40
KIT,SYNCH.SCREW
2200734
Unavailable
41
TUBE,RUBBER Substituted by 3050142
3050261
Unavailable
42
HOSE,FUEL,(ACCEL.PUMP)
3050142
Unavailable
42
HOSE,FUEL,(ACCEL.PUMP)
3050142
Unavailable
44
PLATE,CON,KEIHIN
3050164
Unavailable
45
SCREW,CONNECT.PLATE
3050159
Unavailable
46
NOZZLE,CTR,KEIHIN
3050253
Unavailable
47
GASKET,CARB.
5830043
Unavailable
