- Partiron
- OEM Parts
- Polaris
- Watercraft
- PWC
- 1996
- SLX 780 - B964287
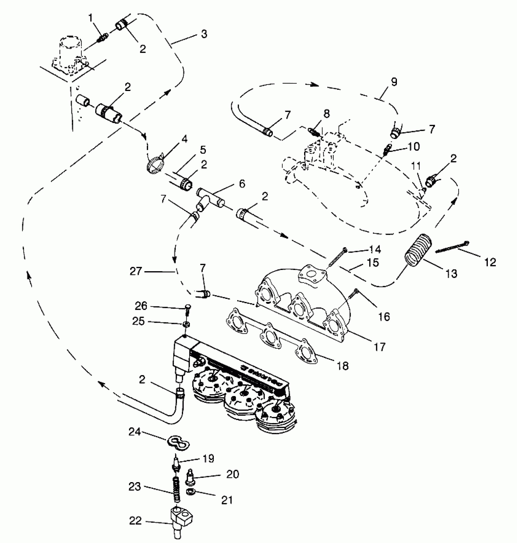
COOLING SYSTEM SLX 780 B964287 and Intl. SLX 780 I964287 (4937443744B008)
Polaris SLX 780 - B964287 COOLING SYSTEM SLX 780 B964287 and Intl. SLX 780 I964287 (4937443744B008) Diagram
#
Description
Price
1
Fitting, Pipe
7052071
Unavailable
3
HOSE,THERMOSTAT/FITTING
5410859
Unavailable
4
STRAP, CABLE(10)
7080598
Unavailable
5
HOSE,OUTLET,PUMP
5410885
Unavailable
6
FITTING,TEE
5431784
Unavailable
8
FITTING,SCREEN
7052122
Unavailable
9
HOSE,STINGER,FORMED
5410897
Unavailable
10
FITTING,INJECTOR,EXH.
5020747
Unavailable
11
FITTING,WATER INLET
5020668
Unavailable
13
CONDUIT,FLEX,1.250ID Substituted by 5521287-132
5521287-63
Unavailable
14
Bolt
7516727
Unavailable
15
HOSE,INLET,EXHAUST
5410886
Unavailable
16
BOLT(10)
7516722
Unavailable
17
MANIFOLD,EXH,(SLX),BLUE
1260706-157
Unavailable
18
GASKET,EXH.MANIFOLD,(780)
5211623
Unavailable
19
VALVE, POP-OFF
5431588
Unavailable
20
THERMOSTAT, (143 F.)
7051008
Unavailable
21
GASKET, THERMOSTAT Substituted by 5412014
5410781
Unavailable
22
COVER,THERMOSTAT Substituted by 5631098
5131008
Unavailable
23
Spring, Compression
7041310
Unavailable
24
SEAL,O-RING/THERMO/FITTING
5410860
Unavailable
26
SCREW,SHOULDER,S.S.(10)
7515149
Unavailable
27
HOSE,WATER
8450054-100
Unavailable
