- Partiron
- OEM Parts
- Polaris
- Watercraft
- PWC
- 1995
- SLX 780 - B954287
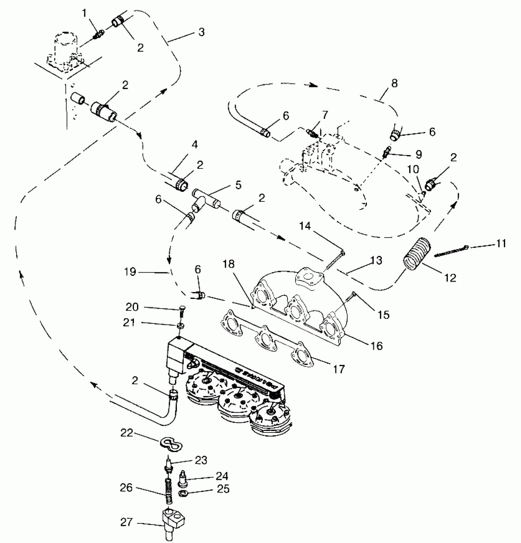
COOLING SYSTEM SLX 780 B954287 (4933953395B008)
Polaris SLX 780 - B954287 COOLING SYSTEM SLX 780 B954287 (4933953395B008) Diagram
#
Description
Price
1
Fitting, Pipe
7052071
Unavailable
3
HOSE,THERMOSTAT/FITTING
5410859
Unavailable
4
HOSE,OUTLET,PUMP
5410885
Unavailable
5
FITTING,TEE
5431784
Unavailable
7
FITTING,SCREEN
7052122
Unavailable
8
HOSE,STINGER,FORMED
5410897
Unavailable
9
FITTING,INJECTOR,EXH.
5020747
Unavailable
10
FITTING,WATER INLET
5020668
Unavailable
12
CONDUIT,FLEX,1.250ID Substituted by 5521287-132
5521287-63
Unavailable
13
HOSE,INLET,EXHAUST
5410886
Unavailable
14
Bolt
7516727
Unavailable
15
BOLT(10)
7516722
Unavailable
16
MANIFOLD,EXH,(SLX),BLUE
1260706-157
Unavailable
17
GASKET,EXH.MANIFOLD,(780)
5211623
Unavailable
18
FITTING,DRAIN,EXH.MANIFOLD
5020746
Unavailable
19
HOSE,WATER
8450054-100
Unavailable
20
SCREW,SHOULDER,S.S.(10)
7515149
Unavailable
22
SEAL,O-RING/THERMO/FITTING
5410860
Unavailable
23
VALVE, POP-OFF
5431588
Unavailable
24
THERMOSTAT, (143 F.)
7051008
Unavailable
25
GASKET, THERMOSTAT Substituted by 5412014
5410781
Unavailable
26
Spring, Compression
7041310
Unavailable
27
COVER,THERMOSTAT Substituted by 5631098
5131008
Unavailable
