- Partiron
- OEM Parts
- Polaris
- Watercraft
- PWC
- 1998
- SLTX - B984590
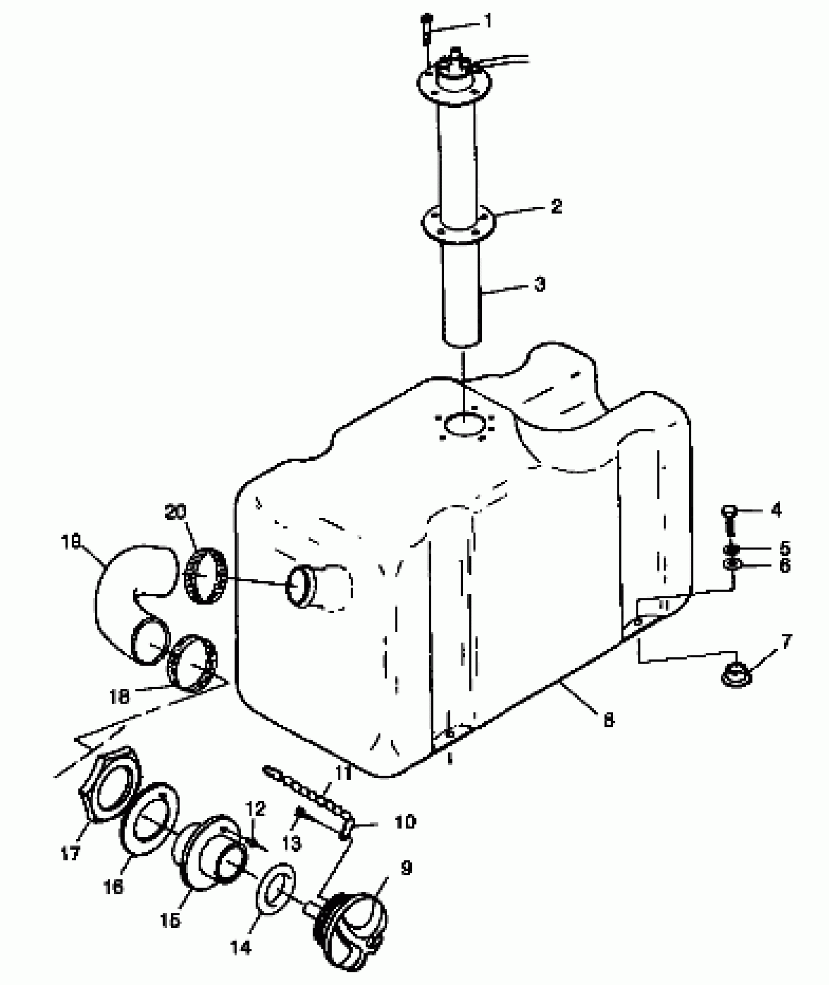
FUEL TANK - B984590 (4946314631a009)
Polaris SLTX - B984590 FUEL TANK - B984590 (4946314631a009) Diagram
#
Description
Price
3
SENDER,ASM,FUEL,3-T
2410077
Unavailable
4
BOLT, S.S.
7515365
Unavailable
5
WASHER, LOCK, S.S.(10)
7552610
Unavailable
6
WASHER, S.S.(10)
7555834
Unavailable
7
BUSHING,FUEL,TANK(10)
5333114
Unavailable
8
TANK,FUEL,15GAL,SLT
5432646
Unavailable
9
CAP ASM,FUEL,RATCHET Substituted by 2201745
2520148
Unavailable
10
Coupling
7080442
Unavailable
11
CHAIN,BEAD,FUELCAP RETAIN.
7080710
Unavailable
12
RIVET(50)
7621229
Unavailable
13
SCREW(10)
7511873
Unavailable
14
SEAL,FUEL CAP
5411305
Unavailable
15
INLET,FUEL Substituted by 2201745
5432639
Unavailable
16
SEAL,FUEL INLET
5811492
Unavailable
17
NUT,FUEL INLET Substituted by 2201745
5432657
Unavailable
18
CLAMP,HOSE,SS.
7080766
Unavailable
19
HOSE,FILL FUEL
5411076
Unavailable
