- Partiron
- OEM Parts
- Polaris
- Watercraft
- PWC
- 1997
- SLTX - B974590
CARBURETOR SLTX B974590 and INTL. SLTX I974590 (4941214121C001)
Polaris SLTX - B974590 CARBURETOR SLTX B974590 and INTL. SLTX I974590 (4941214121C001) Diagram
#
-
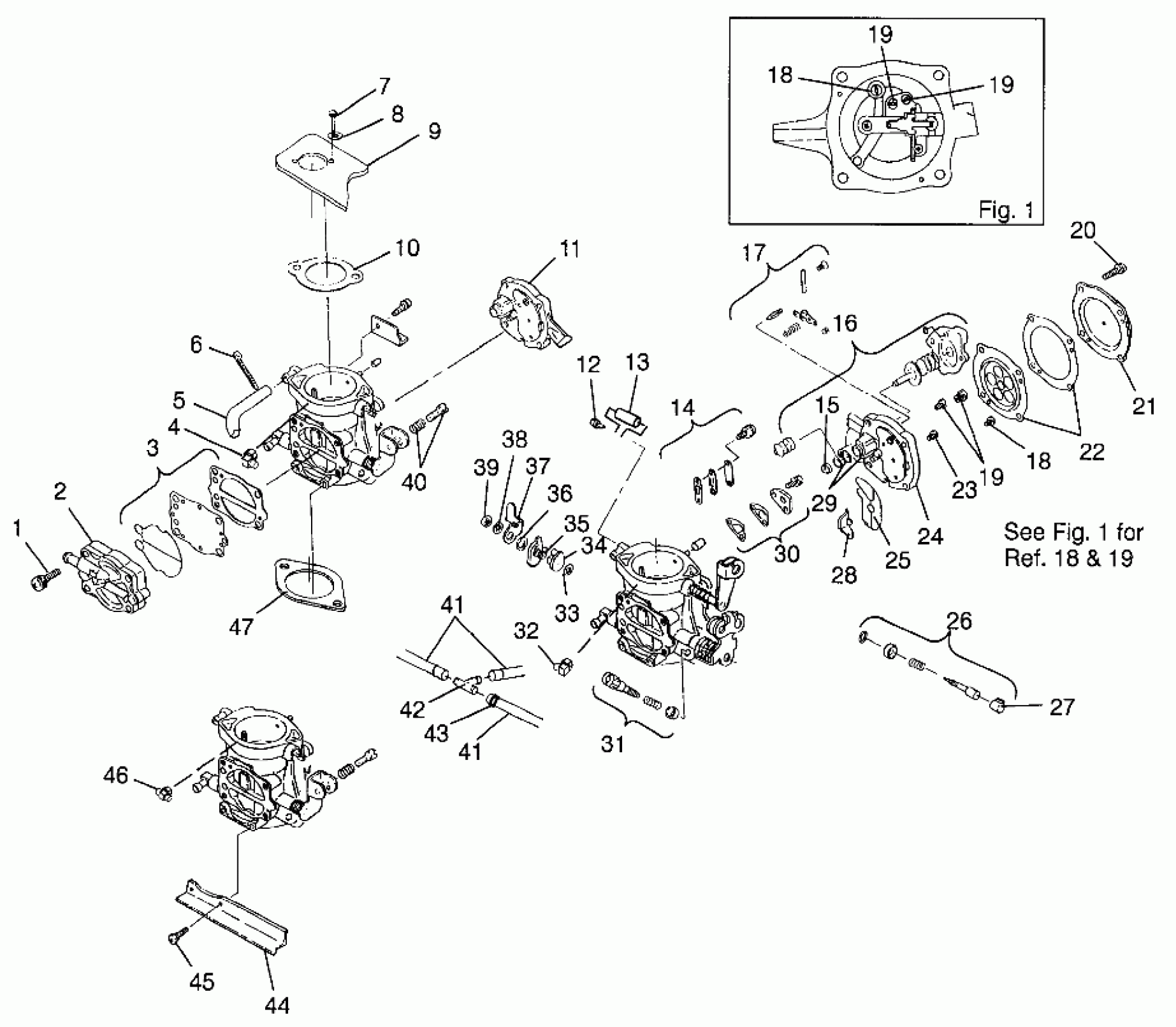
KIT,CARB.REBUILD,PWC (Incl. 10, 17, 22, 47)
2200910
Unavailable
-
CARB.ASM,CTR. Substituted by 1253137
3050166
Unavailable
-
CARB.ASM,REAR Substituted by 1253137
3050165
Unavailable
-
CARB.ASM,FRONT Substituted by 1253137
3050167
Unavailable
-
CARB.ASM,COMPLETE
1253137
Unavailable
1
SCREW, FUELPUMP
3050136
Unavailable
2
KIT,FUELPUMP BODY(KEIHIN)
2200687
Unavailable
3
KIT,GASKET(FUELPUMP)
2200686
Unavailable
4
NOZZLE,PTO,KEIHIN
3050254
Unavailable
5
Hose, Fuel
3050143
Unavailable
9
BASE,SILENCER,INTAKE,TRIPLE
5630546
Unavailable
10
GASKET,CARB.,UPPER
5830062
Unavailable
11
BLOCK,JET,KEIHIN (Rear & Center)
3050205
Unavailable
12
JOINT,CONNECTING
3050156
Unavailable
13
TUBE,RUBBER
3050157
Unavailable
14
KIT,CHECKVALVE,MID-RANGE,KHN (1 Per Carb)
2200685
Unavailable
15
SCREEN,FUELSTRAINER
3050144
Unavailable
16
KIT,ACCEL.PUMP (1 Per Carb)
2200732
Unavailable
17
KIT,NDLE VLVE,97DOM,NOT SL 1050 (1 Per Carb)
2200733
Unavailable
18
JET-MAIN,142 KEIHIN (Per Carb) Mag & Center
3050187
Unavailable
18
JET-MAIN,138 KEIHIN (Per Carb) PTO
3050185
Unavailable
18
JET-MAIN,142 KEIHIN (Per Carb) Mag & Center
3050187
Unavailable
18
JET-MAIN,138 KEIHIN (Per Carb) PTO
3050185
Unavailable
19
JET-PILOT,58 KEIHIN (1 Per Carb)
3050125
Unavailable
19
JET-PILOT,58 KEIHIN (1 Per Carb)
3050125
Unavailable
19
JET-PILOT,58 KEIHIN (1 Per Carb)
3050125
Unavailable
20
SCREW,JET BLOCK COVER
3050135
Unavailable
21
COVER,JET BLOCK
3050139
Unavailable
22
KIT,DIAPHRAGM-JET BLOCK (1 Per Carb)
2200730
Unavailable
23
Screw, Jet Block
3050137
Unavailable
24
BLOCK,JET,KEIHIN
3050204
Unavailable
25
O-Ring, Jet Block
3050147
Unavailable
26
KIT,IDLESCREW,(KEIHIN) (1 Per Carb)
2200689
Unavailable
27
Cap, Limiter
3050140
Unavailable
28
Collar
3050138
Unavailable
29
O-RING,(VALVE SEAT)
3050148
Unavailable
30
KIT,CHECKVALVE,MAIN(KEIHIN) (1 Per Carb)
2200688
Unavailable
31
KIT,IDLESTOP SCREW
2200731
Unavailable
32
NOZZLE,MAG,KEIHIN
3050252
Unavailable
33
E-Clip
3050158
Unavailable
34
COLLAR
3050149
Unavailable
35
SPRING, TORSION
3050150
Unavailable
36
WASHER
3050152
Unavailable
37
LEVER,SYNCHRONIZING
3050153
Unavailable
38
Washer, Lock
3050154
Unavailable
39
NUT,THROTTLE SHAFT
3050155
Unavailable
40
KIT,SYNCH.SCREW
2200734
Unavailable
41
HOSE,FUEL,(ACCEL.PUMP)
3050142
Unavailable
41
HOSE,FUEL,(ACCEL.PUMP)
3050142
Unavailable
44
PLATE,CON,KEIHIN
3050164
Unavailable
45
SCREW,CONNECT.PLATE
3050159
Unavailable
46
NOZZLE,CTR,KEIHIN
3050253
Unavailable
47
GASKET,CARB.
5830043
Unavailable
