Partiron

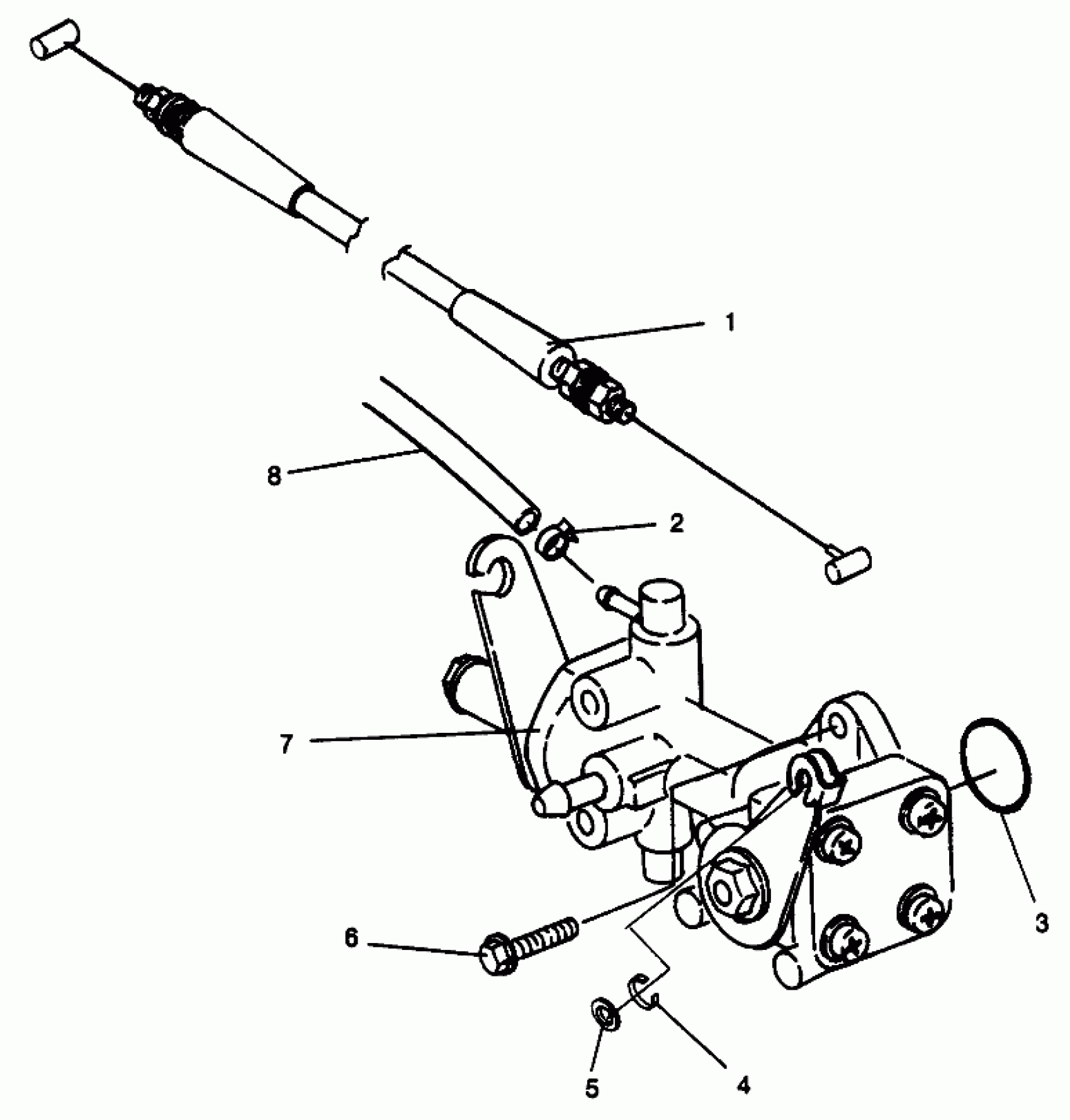
Polaris SLTX - B964590 OIL PUMP SLTX B964590 and Intl. SLTX I964590 (4935783578C005) Diagram

#

Description
Price

1

CABLE, OIL PUMP Substituted by 7081024

7080602

Unavailable

2

CLAMP(10)

7080603

$1.59

3

O-RING Substituted by 5411293

5411056

Unavailable

4

RING-E,RET.(10)

7710427

Unavailable

5

WASHER(10)

7555944

$3.99

6

BOLT(10)

7516605

Unavailable

7

PUMP, OIL Substituted by 2540049 (Incl. 3)

1251080

Unavailable

8

FUELLINE,54 CM.

8450061-54

Unavailable