- Partiron
- OEM Parts
- Polaris
- Watercraft
- PWC
- 1996
- SLTX - B964590
CARBURETOR SLTX B964590 and Intl. SLTX I964590 (4935783578C003)
Polaris SLTX - B964590 CARBURETOR SLTX B964590 and Intl. SLTX I964590 (4935783578C003) Diagram
#
-
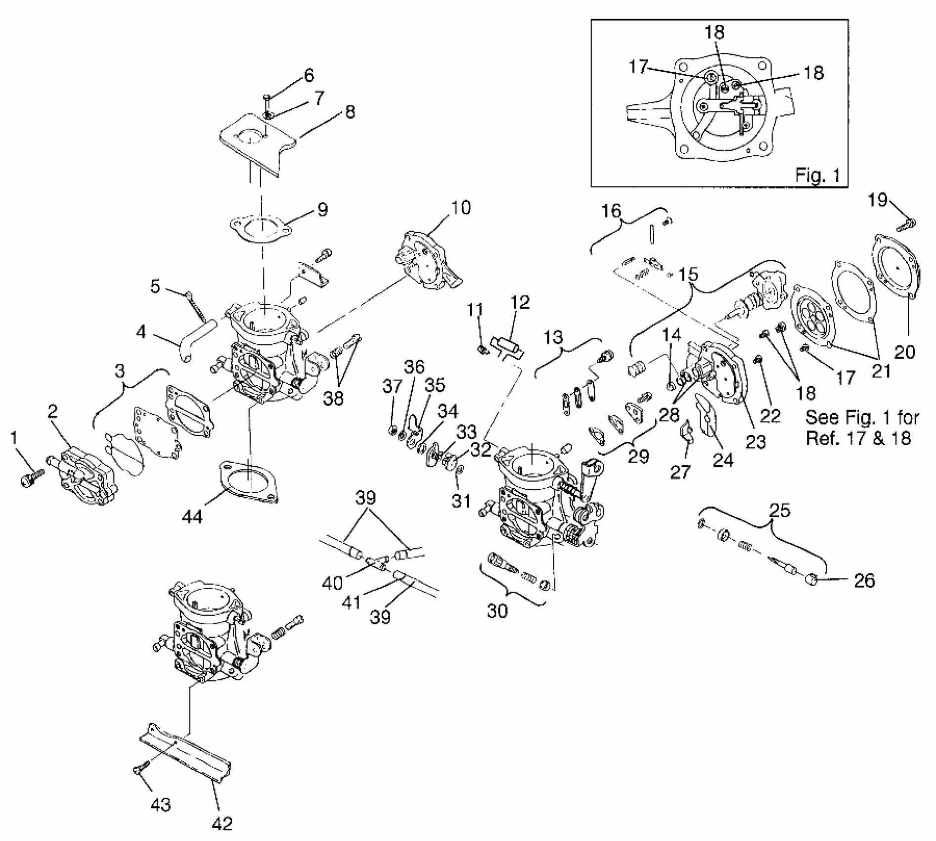
KIT,CARB.REBUILD,PWC (Incl. 9, 16, 21, 44)
2200910
Unavailable
-
CARB.ASM,CTR. Substituted by 1253137
3050166
Unavailable
-
CARB.ASM,REAR Substituted by 1253137
3050165
Unavailable
-
CARB.ASM,FRONT Substituted by 1253137
3050167
Unavailable
-
CARB.ASM,COMPLETE
1253137
Unavailable
1
SCREW, FUELPUMP
3050136
Unavailable
2
KIT,FUELPUMP BODY(KEIHIN)
2200687
Unavailable
3
KIT,GASKET(FUELPUMP)
2200686
Unavailable
4
Hose, Fuel
3050143
Unavailable
8
BASE,SILENCER,INTAKE,TRIPLE
5630546
Unavailable
9
GASKET,CARB.,UPPER
5830062
Unavailable
10
BLOCK,JET,KEIHIN (Rear & Center)
3050205
Unavailable
11
JOINT,CONNECTING
3050156
Unavailable
12
TUBE,RUBBER
3050157
Unavailable
13
KIT,CHECKVALVE,MID-RANGE,KHN (1 Per Carb)
2200685
Unavailable
14
SCREEN,FUELSTRAINER
3050144
Unavailable
15
KIT,ACCEL.PUMP (1 Per Carb)
2200732
Unavailable
16
KIT,NDLE VLVE,97DOM,NOT SL 1050 (1 Per Carb)
2200733
Unavailable
17
JET-MAIN,142 KEIHIN (Per Carb) Mag & Center
3050187
Unavailable
17
JET-MAIN,138 KEIHIN (Per Carb) PTO
3050185
Unavailable
17
JET-MAIN,142 KEIHIN (Per Carb) Mag & Center
3050187
Unavailable
17
JET-MAIN,138 KEIHIN (Per Carb) PTO
3050185
Unavailable
18
JET-PILOT,58 KEIHIN (1 Per Carb)
3050125
Unavailable
18
JET-PILOT,58 KEIHIN (1 Per Carb)
3050125
Unavailable
18
JET-PILOT,58 KEIHIN (1 Per Carb)
3050125
Unavailable
19
SCREW,JET BLOCK COVER
3050135
Unavailable
20
COVER,JET BLOCK
3050139
Unavailable
21
KIT,DIAPHRAGM-JET BLOCK (1 Per Carb)
2200730
Unavailable
22
Screw, Jet Block
3050137
Unavailable
23
BLOCK,JET,KEIHIN
3050204
Unavailable
24
O-Ring, Jet Block
3050147
Unavailable
25
KIT,IDLESCREW,(KEIHIN) (1 Per Carb)
2200689
Unavailable
26
Cap, Limiter
3050140
Unavailable
27
Collar
3050138
Unavailable
28
O-RING,(VALVE SEAT)
3050148
Unavailable
29
KIT,CHECKVALVE,MAIN(KEIHIN) (1 Per Carb)
2200688
Unavailable
30
KIT,IDLESTOP SCREW
2200731
Unavailable
31
E-Clip
3050158
Unavailable
32
COLLAR
3050149
Unavailable
33
SPRING, TORSION
3050150
Unavailable
34
WASHER
3050152
Unavailable
35
LEVER,SYNCHRONIZING
3050153
Unavailable
36
Washer, Lock
3050154
Unavailable
37
NUT,THROTTLE SHAFT
3050155
Unavailable
38
KIT,SYNCH.SCREW
2200734
Unavailable
39
HOSE,FUEL,(ACCEL.PUMP)
3050142
Unavailable
39
HOSE,FUEL,(ACCEL.PUMP)
3050142
Unavailable
42
PLATE,CON,KEIHIN
3050164
Unavailable
43
SCREW,CONNECT.PLATE
3050159
Unavailable
44
GASKET,CARB.
5830043
Unavailable
