- Partiron
- OEM Parts
- Polaris
- Watercraft
- PWC
- 1999
- SLTX-B - B994596
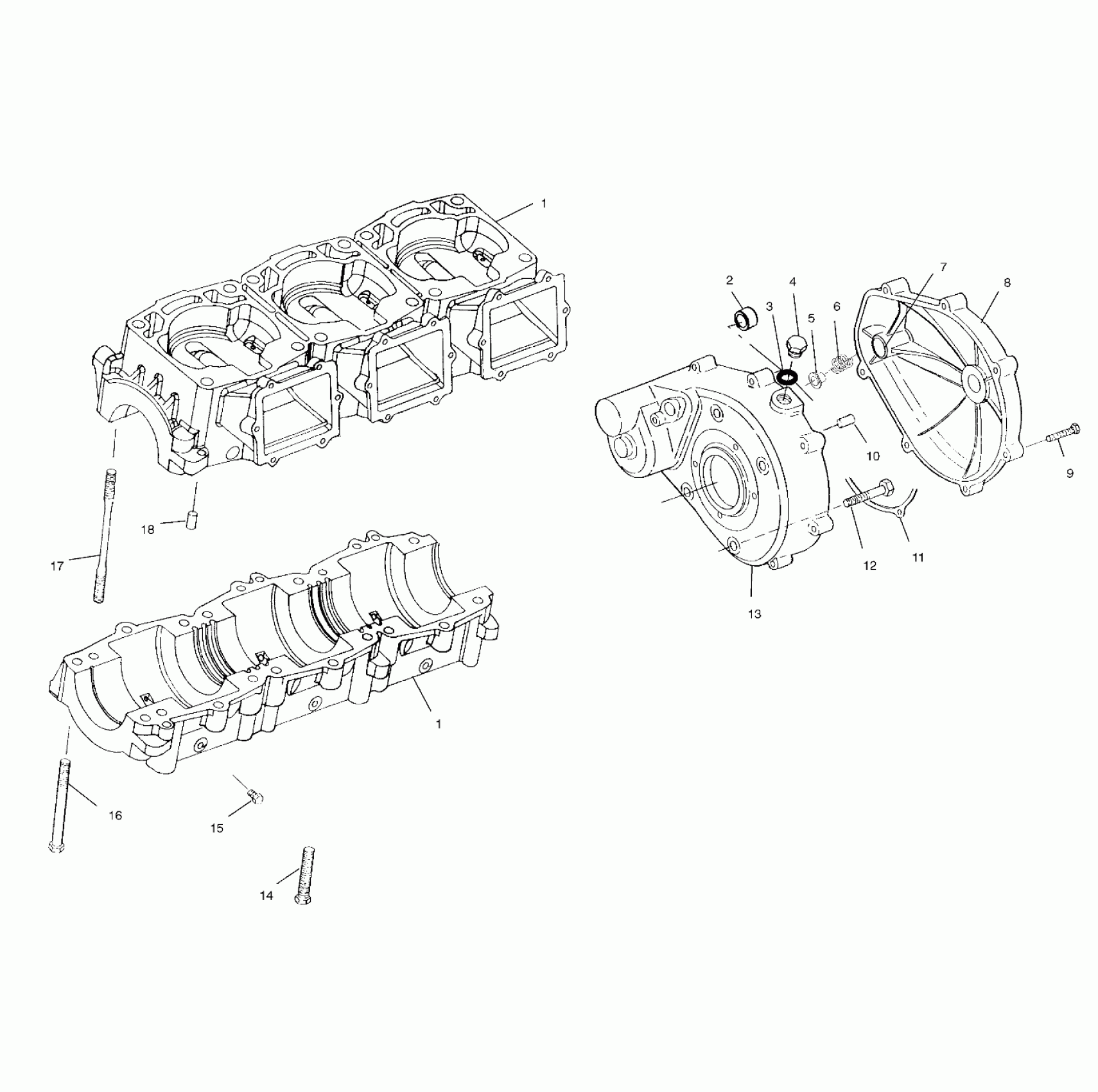
CRANKCASE - B994596 (4955995599b013)
Polaris SLTX-B - B994596 CRANKCASE - B994596 (4955995599b013) Diagram
#
Description
Price
1
CRANKCASE 1200 PWC,KIT (Incl. 14-18)
2201562
Unavailable
1
CRANKCASE 1200 PWC,KIT (Incl. 14-18)
2201562
Unavailable
2
Bushing
3569805
Unavailable
4
PLUG-TIMING HOLE,3/4X16,NYLON
5433130
Unavailable
5
BUSHING,PLASTIC
3574214
Unavailable
6
Spring
7041457
Unavailable
7
Bushing
3569806
Unavailable
8
COVER,FLYWHEEL ASM.
1201923
Unavailable
9
BOLT(10)
7516806
Unavailable
11
GASKET,FLYWHEEL COVER
5811550
Unavailable
12
BOLT(10)
7516723
Unavailable
13
FLYWHEEL HOUSING Substituted by 1201938
1201847
Unavailable
14
SCREW Substituted by 7516720
7517628
Unavailable
16
BOLT, S.S
7516913
Unavailable
17
STUD,CYL.FLANGE,152MM,SPS
5131677
Unavailable
