- Partiron
- OEM Parts
- Polaris
- Watercraft
- PWC
- 1998
- SLTH - B984573
COOLING SYSTEM - I984573 (4946554655b008)
Polaris SLTH - B984573 COOLING SYSTEM - I984573 (4946554655b008) Diagram
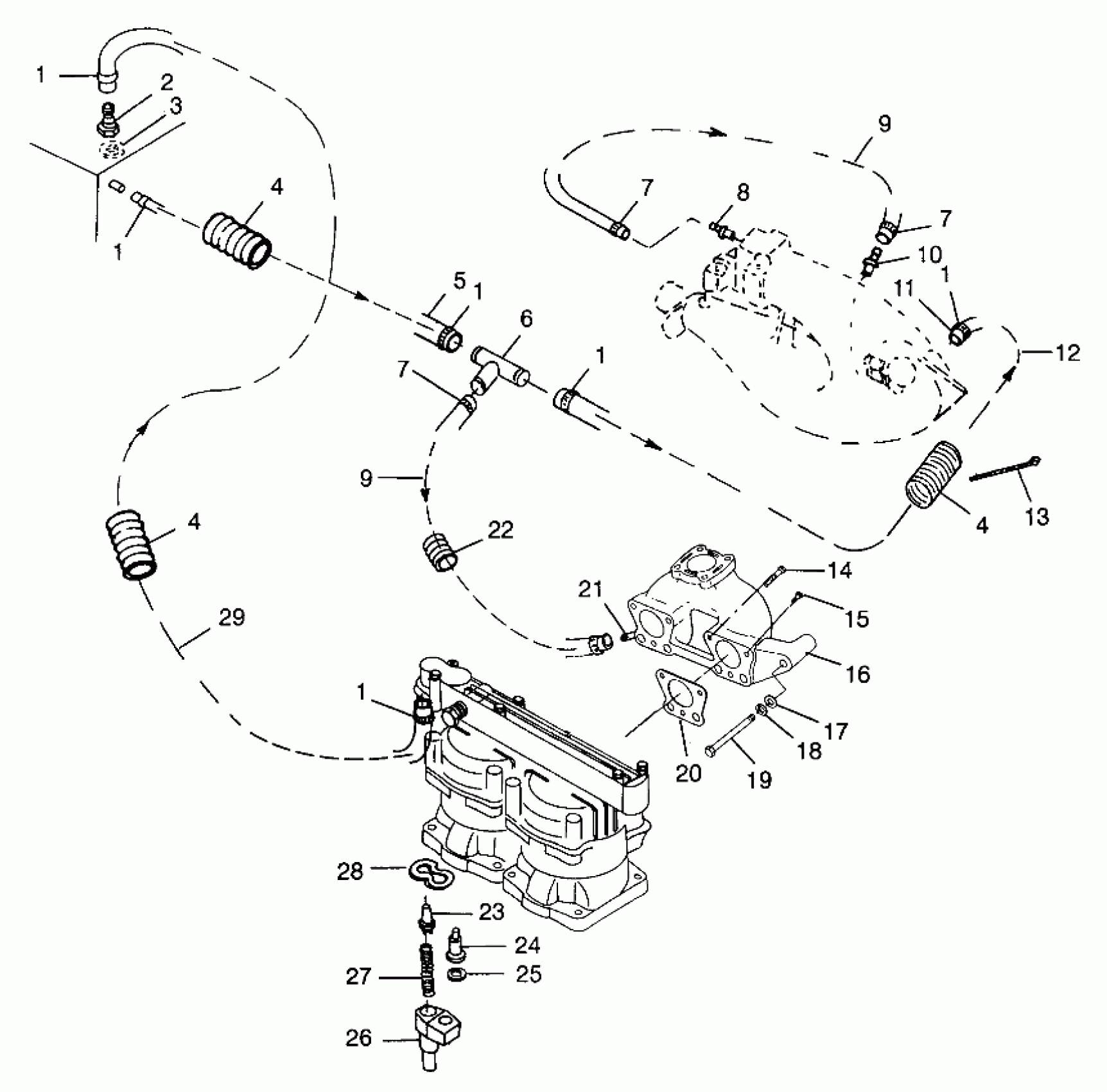
#
Description
Price
2
FITTING,THRU HULL,WATER Substituted by 5431444-133
5431444
Unavailable
3
Gasket
5811317
Unavailable
4
CONDUIT,FLEX,1.250ID
5521287-45
Unavailable
4
CONDUIT,FLEX,1.250ID
5521287-45
Unavailable
4
CONDUIT,FLEX,1.250ID
5521287-45
Unavailable
5
HOSE,PUMP OUTLET
5411049
Unavailable
6
FITTING,TEE
5431784
Unavailable
8
FITTING,SCREEN,EXH.
7052128
Unavailable
9
HOSE,WATER
8450054-100
Unavailable
9
HOSE,WATER
8450054-100
Unavailable
10
FITTING,INJECTOR,EXH.
5020747
Unavailable
11
FITTING,WATER INLET
5020668
Unavailable
12
HOSE,EXH.INLET
5411050
Unavailable
14
Bolt
7516727
Unavailable
15
BOLT, S.S,(10)
7516725
Unavailable
16
MANIFOLD,EXH.
1260694
Unavailable
17
WASHER, FLAT, S.S.(10)
7555856
Unavailable
18
WASHER, LOCK,SS.(10)
7552611
Unavailable
19
BOLT, S.S.(10)
7517004
Unavailable
20
GASKET,EXH.FLNG
5811045
Unavailable
21
FITTING,DRAIN,EXH.MANIFOLD
5020746
Unavailable
22
CONDUIT,FLEX(.75"ID) Substituted by 5521398-96
5521398-13
Unavailable
23
VALVE,POP-OFF
5432799
Unavailable
24
THERMOSTAT, (143 F.)
7051008
Unavailable
25
GASKET, THERMOSTAT Substituted by 5412014
5410781
Unavailable
26
COVER,THERMOSTAT Substituted by 5631098
5131008
Unavailable
27
Spring, Compression
7041310
Unavailable
28
SEAL,O-RING/THERMO/FITTING
5410860
Unavailable
29
HOSE,WATER OUT,3/4 ID.
5411479
Unavailable
