- Partiron
- OEM Parts
- Polaris
- Watercraft
- PWC
- 1997
- SLT 700 - B974572
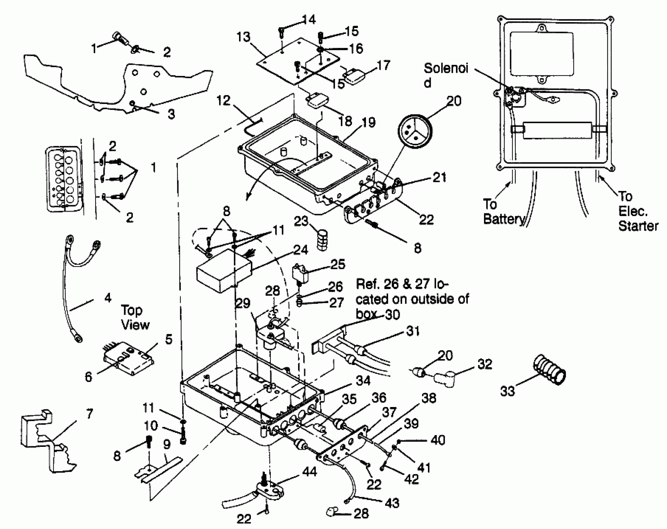
ELECTRICAL BOX SLT 700 B974572 (4941124112B010)
Polaris SLT 700 - B974572 ELECTRICAL BOX SLT 700 B974572 (4941124112B010) Diagram
#
1
BOLT(10)
7515127
Unavailable
1
BOLT(10)
7515127
Unavailable
2
WASHER,S.S.(10)
7555891
Unavailable
2
WASHER,S.S.(10)
7555891
Unavailable
2
WASHER,S.S.(10)
7555891
Unavailable
3
Grommet
5411158
Unavailable
4
HARNESS,GND-CONTROL BOX
2460581
Unavailable
5
DECAL,ELECT.BOX RESET
7073734
Unavailable
6
DECAL,WARN,HI.VOLT.
7073713
Unavailable
8
BOLT, S.S.(10)
7515118
Unavailable
8
BOLT, S.S.(10)
7515118
Unavailable
8
BOLT, S.S.(10)
7515118
Unavailable
9
BRKT,COIL RETAINER
5241182
Unavailable
10
BOLT(10)
7515119
Unavailable
12
O-RING,(ELEC.BOX)
5410912
Unavailable
13
BOARD,TERMINAL,W/FUSE
4040069
Unavailable
15
SCREW,S.S.(10)
7512072
Unavailable
15
SCREW,S.S.(10)
7512072
Unavailable
17
SWITCH-RECTIFIER,LR-52
4060110
Unavailable
18
REGULATOR/RECT.,LR-21
4060108
Unavailable
19
BOX,BOTTOM,ELEC.
5131256
Unavailable
20
O-RING,(10)
5410817
Unavailable
20
GROMMET,SECTION,2-HOLE
5410852
Unavailable
20
GROMMET,SECTION,NO HOLE
5410850
Unavailable
20
GROMMET,SECTION,1 HOLE
5410851
Unavailable
20
O-RING,(10)
5410817
Unavailable
20
GROMMET,SECTION,2-HOLE
5410852
Unavailable
20
GROMMET,SECTION,NO HOLE
5410850
Unavailable
20
GROMMET,SECTION,1 HOLE
5410851
Unavailable
21
GROMMET, WIRE
5410775
Unavailable
22
PLATE,6-HOLE,CAST
5630497
Unavailable
22
PLATE,6-HOLE,CAST
5630497
Unavailable
22
PLATE,6-HOLE,CAST
5630497
Unavailable
23
CONDUIT,CONVOL. Substituted by 4010051-15
4010051-05
Unavailable
24
Controller, Ignition (See Pg. A35 Ref. 12)
-------
Unavailable
25
CKT.BREAKER,15A.(WATER.)
2434011
Unavailable
26
O-RING
5410725
Unavailable
27
BOOT,THREADED,RED
7080461
Unavailable
29
SWITCH, MAGNETIC
3240204
Unavailable
30
Ignition, Coil (See Pg. A35 Ref. 13)
-------
Unavailable
31
GROMMET, COIL
5410677
Unavailable
32
Cap, Spark Plug (See Pg. A35 Ref. 14)
-------
Unavailable
33
CONDUIT,FLEX,1.250ID
5521287-132
Unavailable
34
TOP, ELEC.BOX
5131174
Unavailable
35
GROMMET,(.910 DIA.)
5411025
Unavailable
36
GROMMET, 16 GA.(10)
5410678
Unavailable
37
PLATE, 5-HOLE
5630416
Unavailable
38
CONDUIT,CONVOL(30 CM)
4010051-30
Unavailable
39
CABLE,RED,SOL./START.
4010081
Unavailable
41
WASHER, LOCK(10)
7552613
Unavailable
42
BOLT(10)
7516809
Unavailable
43
CABLE,RED,BATT/SOL.
4010082
Unavailable
44
PLATE, 2-HOLE
5630415
Unavailable
