- Partiron
- OEM Parts
- Polaris
- Watercraft
- PWC
- 1996
- SLT 700 - B964166
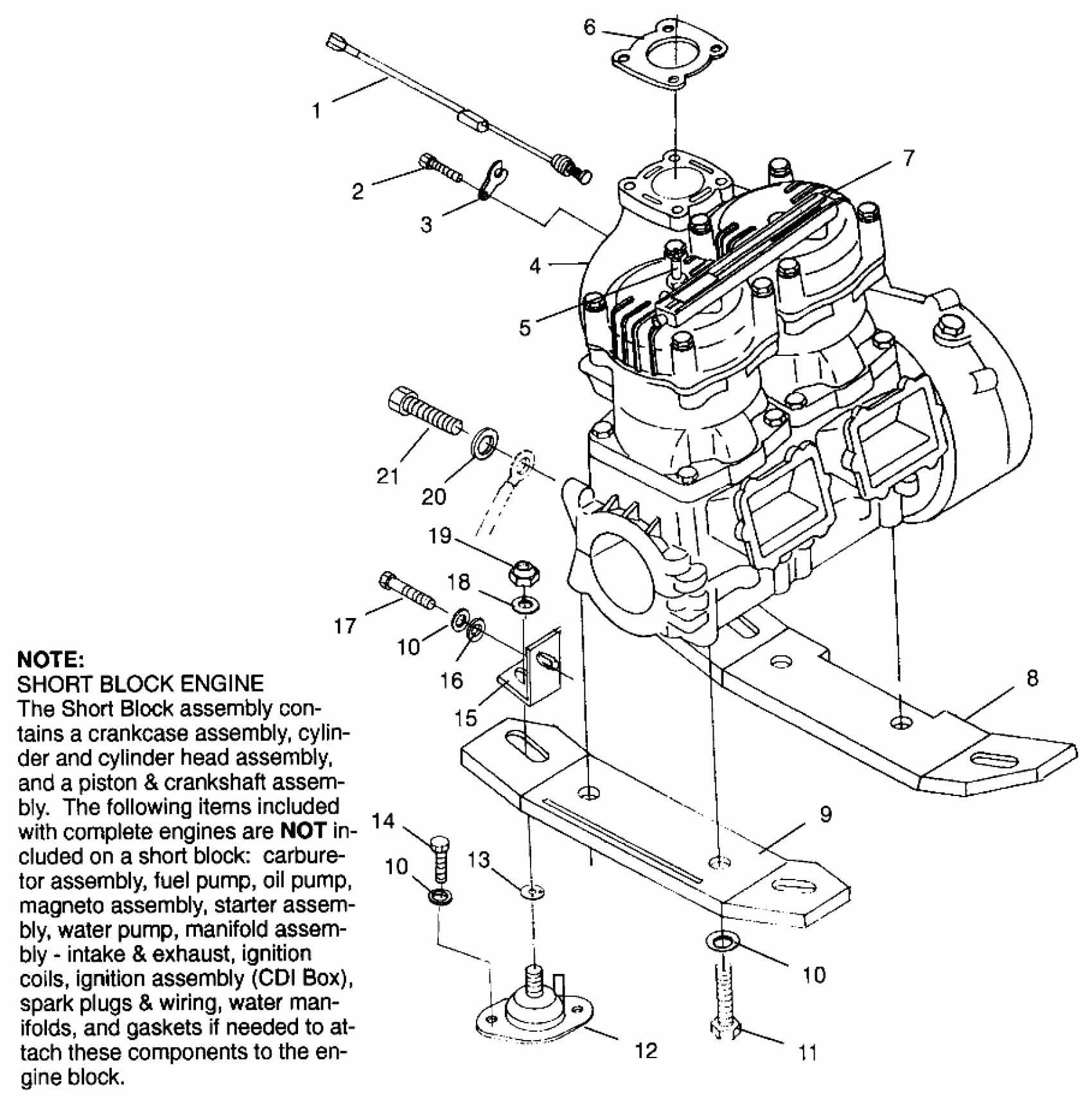
ENGINE MOUNTING SLT 700 B964166 and Intl. SLT 700 I964166 (4933923392B001)
Polaris SLT 700 - B964166 ENGINE MOUNTING SLT 700 B964166 and Intl. SLT 700 I964166 (4933923392B001) Diagram
#
Description
Price
1
SWITCH ASM,TEMP.
4110180
Unavailable
3
CLIP,RETAIN,TEMP.SW.
5240876
Unavailable
4
SHORT BLOCK,TWIN,KIT [No Longer Available]
2200681
Unavailable
5
SPARKPLUG, BPR-7ES(10)
3070173
Unavailable
6
GASKET,EXH.PIPE
5830051
Unavailable
7
Decal, Warning
7075383
Unavailable
8
PLATE,F.MOUNT Substituted by 5631128
5630585
Unavailable
9
PLATE,R.MOUNT Substituted by 5631129
5630584
Unavailable
10
WASHER,FLAT
7555956
Unavailable
10
WASHER,FLAT
7555956
Unavailable
10
WASHER,FLAT
7555956
Unavailable
11
BOLT, S.S.(10)
7512573
Unavailable
12
MT,ENG,ANTI-ROTATION,SLT Substituted by 3021102
3110054
Unavailable
13
SHIM,ENG.MT.(PWC)
5211727
Unavailable
14
BOLT, S.S.
7515365
Unavailable
15
BRKT,R.MUFFLER Substituted by 1060142
5241546
Unavailable
16
WASHER, FLAT, S.S.,(10)
7555835
Unavailable
17
BOLT, S.S.(10)
7515357
Unavailable
18
WASHER, FLAT, S.S.(10)
7555848
Unavailable
19
Nut
7547001
Unavailable
20
WASHER, LOCK(10)
7552613
Unavailable
21
BOLT(10)
7516809
Unavailable
