- Partiron
- OEM Parts
- Polaris
- Motorcycle
- SLINGSHOT
- 2015
- SLINGSHOT ALL OPTIONS - T15AAS/AAP
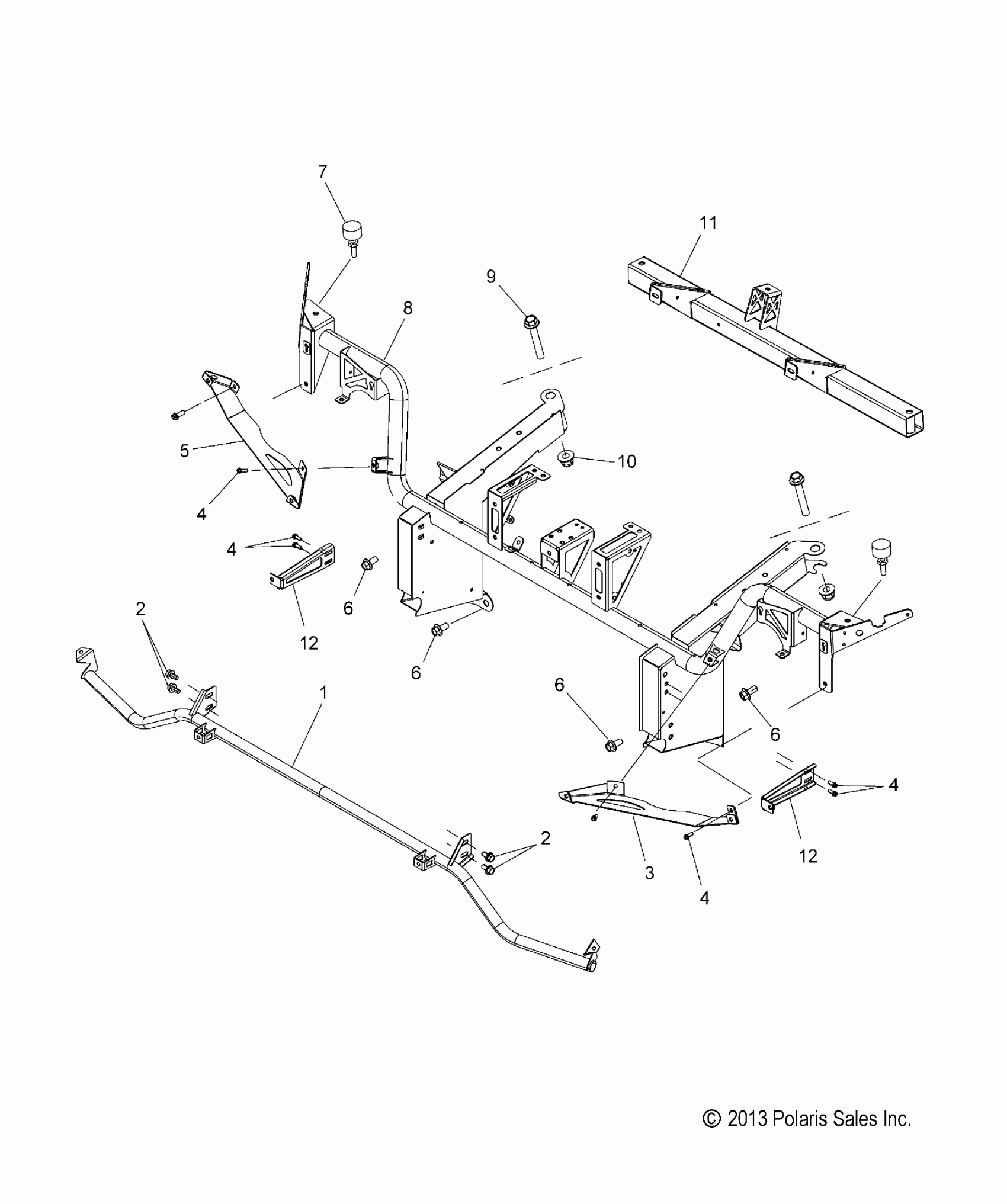
CHASSIS, FRONT FRAME ASM. - T15AAS/AAP ALL OPTIONS (49SLINGSHOTCHASSIS114SLING)
Polaris SLINGSHOT ALL OPTIONS - T15AAS/AAP CHASSIS, FRONT FRAME ASM. - T15AAS/AAP ALL OPTIONS (49SLINGSHOTCHASSIS114SLING) Diagram
#
Description
Price
1
TUBE, LOWER CLIP, E-COAT
1020622-329
Unavailable
3
BRKT., HEADLIGHT BEZEL, LH, E-COAT
5259841-329
Unavailable
5
BRKT., HEADLIGHT BEZEL, RH, E-COAT
5259842-329
Unavailable
7
BUMPER, HOOD ADJUSTMENT
5414577
Unavailable
8
SUBFRAME, FRONT, E-COAT
1020623-329
Unavailable
9
SCREW
7519804
Unavailable
11
MOUNT, RADIATOR, UPPER
1021191
Unavailable
12
BRKT., MOUNT, FRONT UPPER WHISK, E-COAT
5259418-329
Unavailable
12
BRKT., MOUNT, FRONT UPPER WHISK, E-COAT
5259418-329
Unavailable
