Partiron

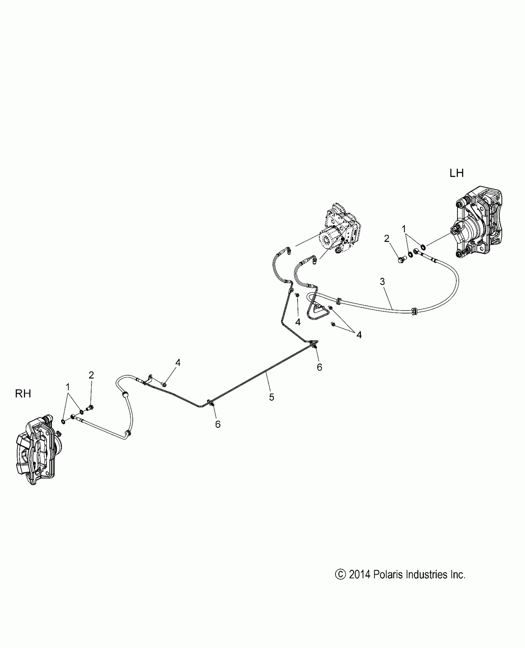
Polaris SLINGSHOT ALL OPTIONS - T15AAS/AAP BRAKES, FRONT BRAKE LINE - T15AAS/AAP ALL OPTIONS (49SLINGSHOTBRAKEFRT14SLING) Diagram

#

Description
Price

1

SEAL, STAT

5413212

$4.79

1

SEAL, STAT

5413212

$4.79

2

BOLT-BANJO, 10MM X 1.25-6G

1910958

$7.99

2

BOLT-BANJO, 10MM X 1.25-6G

1910958

$7.99

3

HOSE, BRAKE CALIPER, LF

1911777

Unavailable

4

SCREW

7517704

$7.19

4

SCREW

7517704

$7.19

5

HOSE, BRAKE CALIPER, RF

1911778

Unavailable

6

CLIP FIR-TREE,DIA6-33MM

7081496

$4.79

6

CLIP FIR-TREE,DIA6-33MM

7081496

$4.79