- Partiron
- OEM Parts
- Polaris
- Motorcycle
- SLINGSHOT
- 2016
- SLINGSHOT ALL OPTIONS (R10) - T16AAS/AAP
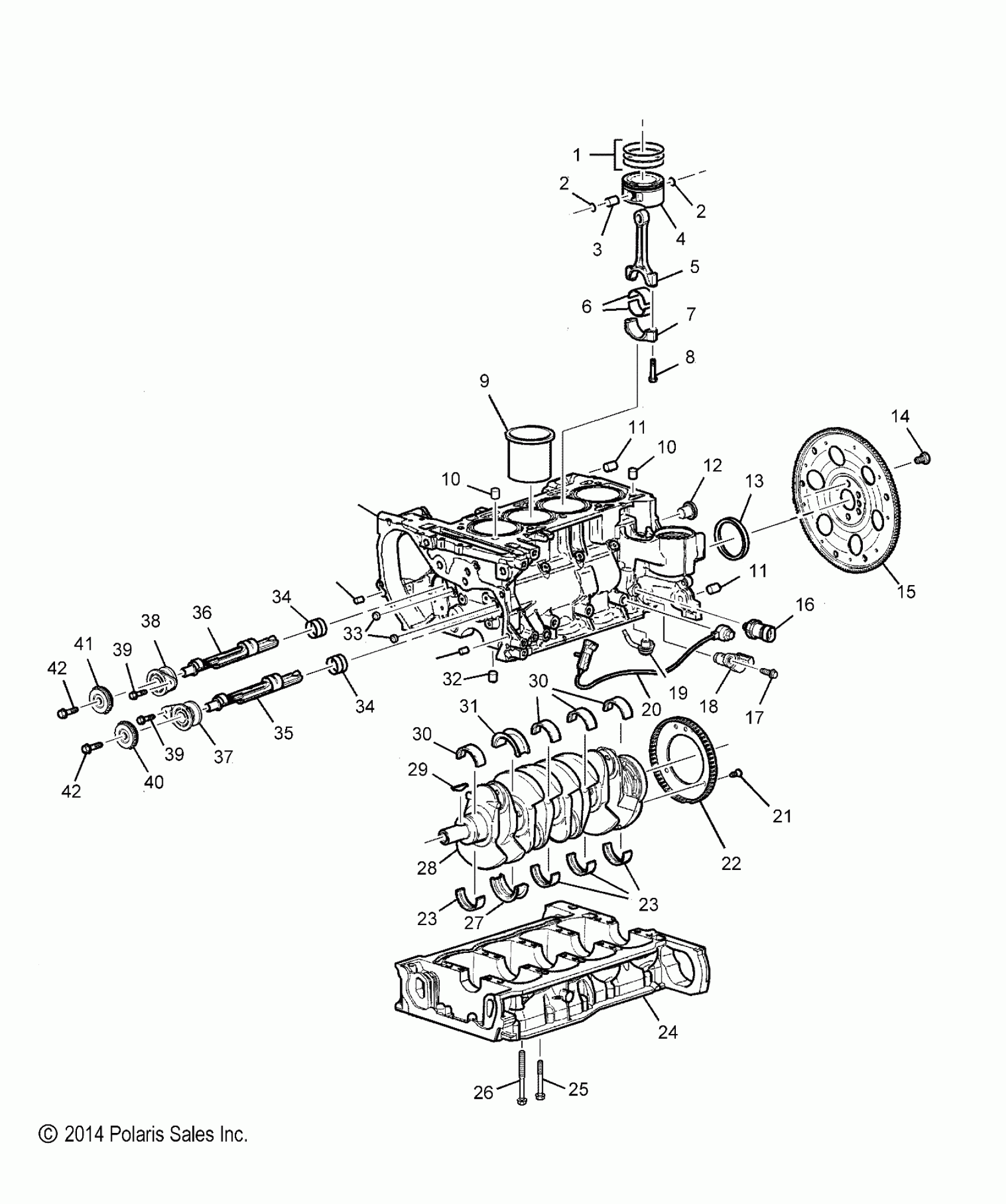
ENGINE, CYLINDER BLOCK AND RELATED PARTS - T16AAS/AAP ALL OPTIONS (49SLINGSHOTCYLBLOCK14SLING)
Polaris SLINGSHOT ALL OPTIONS (R10) - T16AAS/AAP ENGINE, CYLINDER BLOCK AND RELATED PARTS - T16AAS/AAP ALL OPTIONS (49SLINGSHOTCYLBLOCK14SLING) Diagram
#
1
KIT, PISTON RING
12659419
Unavailable
2
RETAINER, PISTON PIN
90537376
Unavailable
2
RETAINER, PISTON PIN
90537376
Unavailable
3
PIN, PISTON
-------
Unavailable
4
KIT, PISTON
12646457
Unavailable
5
ROD, CONNECTING [INCL. 7,8]
12654958
Unavailable
6
KIT, BEARING, CONN. ROD
19300927
Unavailable
7
CAP, CONN. ROD
-------
Unavailable
8
BOLT, CONN. ROD
90537293
Unavailable
9
SLEEVE, CYLINDER
-------
Unavailable
10
PIN, CYL HEAD LOCATOR
90537102
Unavailable
10
PIN, CYL HEAD LOCATOR
90537102
Unavailable
11
PIN, LOCATOR
90351708
Unavailable
11
PIN, LOCATOR
90351708
Unavailable
12
PLUG, ENG. BLOCK CORE HOLE
11588547
Unavailable
13
SEAL, CRANKSHAFT, REAR OIL
12591866
Unavailable
14
BOLT, A/TRANS FLEX, M10X18
90236536
Unavailable
15
PLATE, A/TRANS FLEX
12647333
Unavailable
16
SWITCH, ENG. OIL PRESSURE
12635992
Unavailable
17
Bolt
-------
Unavailable
18
SENSOR, CRANKSHAFT POSITION SENSOR [INCL.17]
12588992
Unavailable
19
NOZZLE, PISTON, OIL
12641084
Unavailable
20
SENSOR, KNOCK
12605738
Unavailable
21
BOLT
24447071
Unavailable
22
RING, CRANKSHAFT POS. SENSOR, 58T
12578661
Unavailable
23
BEARING
-------
Unavailable
23
BEARING
-------
Unavailable
24
CRANKCASE, LOWER
-------
Unavailable
25
BOLT, HFH, M8X80
11588733
Unavailable
26
BOLT, HFH, M10X146
11571239
Unavailable
27
BEARING
-------
Unavailable
28
CRANKSHAFT
12578182
Unavailable
29
KEY, CRANKSHAFT SPROCKET
24424855
Unavailable
30
KIT, BEARING [INCL. 23,27,31]
12591092
Unavailable
30
KIT, BEARING [INCL. 23,27,31]
12591092
Unavailable
31
BEARING, CRANKSHAFT
-------
Unavailable
32
PIN, LWR. CASE LOCATOR
-------
Unavailable
33
PLUG, ENG.
21000867
Unavailable
34
BEARING, BALANCE SHAFT, REAR
12581395
Unavailable
34
BEARING, BALANCE SHAFT, REAR
12581395
Unavailable
35
SHAFT, BALANCE
-------
Unavailable
36
SHAFT, BALANCE
-------
Unavailable
37
BEARING, BALANCE SHAFT FRONT
-------
Unavailable
38
BEARING, BALANCE SHAFT FRONT
-------
Unavailable
39
Bolt
-------
Unavailable
39
Bolt
-------
Unavailable
40
SPROCKET, BALANCE SHAFT
-------
Unavailable
41
SPROCKET, BALANCE SHAFT
-------
Unavailable
42
BOLT
11516328
Unavailable
42
BOLT
11516328
Unavailable
