- Partiron
- OEM Parts
- Polaris
- Motorcycle
- SLINGSHOT
- 2019
- SLINGSHOT ALL OPTIONS (R04) - T19AAPF/AARF/AASF
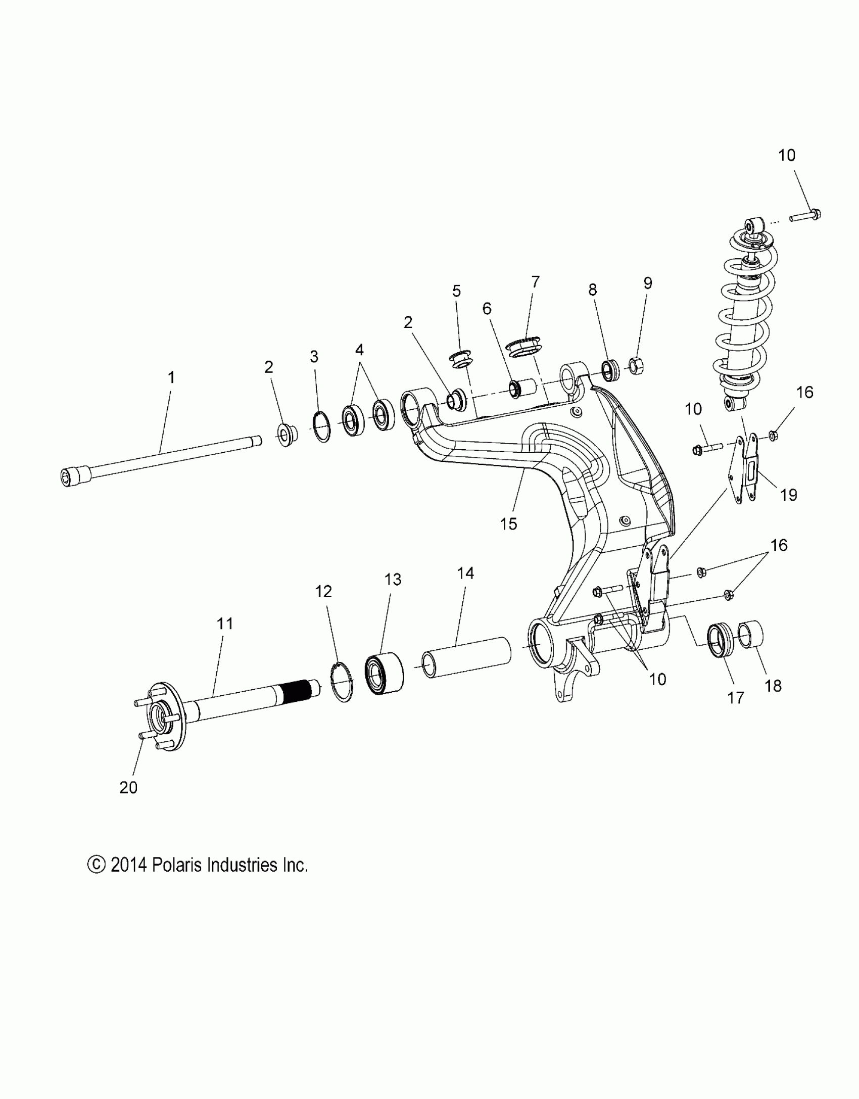
SUSPENSION, REAR ASM. - T19AAPF/AARF/AASF ALL OPTIONS (49SLINGSHOTSUSPRR14SLING)
Polaris SLINGSHOT ALL OPTIONS (R04) - T19AAPF/AARF/AASF SUSPENSION, REAR ASM. - T19AAPF/AARF/AASF ALL OPTIONS (49SLINGSHOTSUSPRR14SLING) Diagram
#
Description
Price
1
SHAFT, PIVOT, HOLLOW
5139316
Unavailable
2
BUSHING, PIVOT, BALL
3514759
Unavailable
2
BUSHING, PIVOT, BALL
3514759
Unavailable
4
BEARING, BALL, PIVOT
3514761
Unavailable
5
GROMMET, SWING ARM, SMALL
5414601
Unavailable
6
PIVOT, NEEDLE BUSHING
5137900
Unavailable
7
GROMMET, SWING ARM, LARGE
5414602
Unavailable
8
BEARING, NEEDLE, PIVOT
3514762
Unavailable
9
NUT
7547618
Unavailable
11
ASM., AXLE, REAR
1323435
Unavailable
12
RING, RETAINING
7710693
Unavailable
13
BEARING, WHEEL
3514773
Unavailable
14
SPACER, AXLE, ALUM
5140098
Unavailable
15
K-ASM,SWINGARM,CRUISER BLK [S, SLR]
2208117-266
Unavailable
15
K-ASM,SWINGARM,PRLMLTDWN [SLR PEARL MELTDOWN ONLY]
2208117-707
Unavailable
15
K-ASM,SWINGARM,TITANIUM [SL]
2208117-650
Unavailable
15
K-ASM,SWINGARM,HAVRED [SLR SL SREDPRL ONLY]
2208117-292
Unavailable
17
BEARING, REAR, SPROCKET
3514760
Unavailable
18
BUSHING, NEEDLE, AXLE
5138040
Unavailable
19
CLEVIS, SHOCK, RR, 18", BLK [BASE]
5139609-266
Unavailable
19
CLEVIS, SHOCK, RR, 20", BLK [PREMIUM]
5139610-266
Unavailable
20
STUD
7519649
Unavailable
