- Partiron
- OEM Parts
- Polaris
- Motorcycle
- SLINGSHOT
- 2018
- SLINGSHOT ALL OPTIONS (R04) - T18AAPF/AARF/AASF
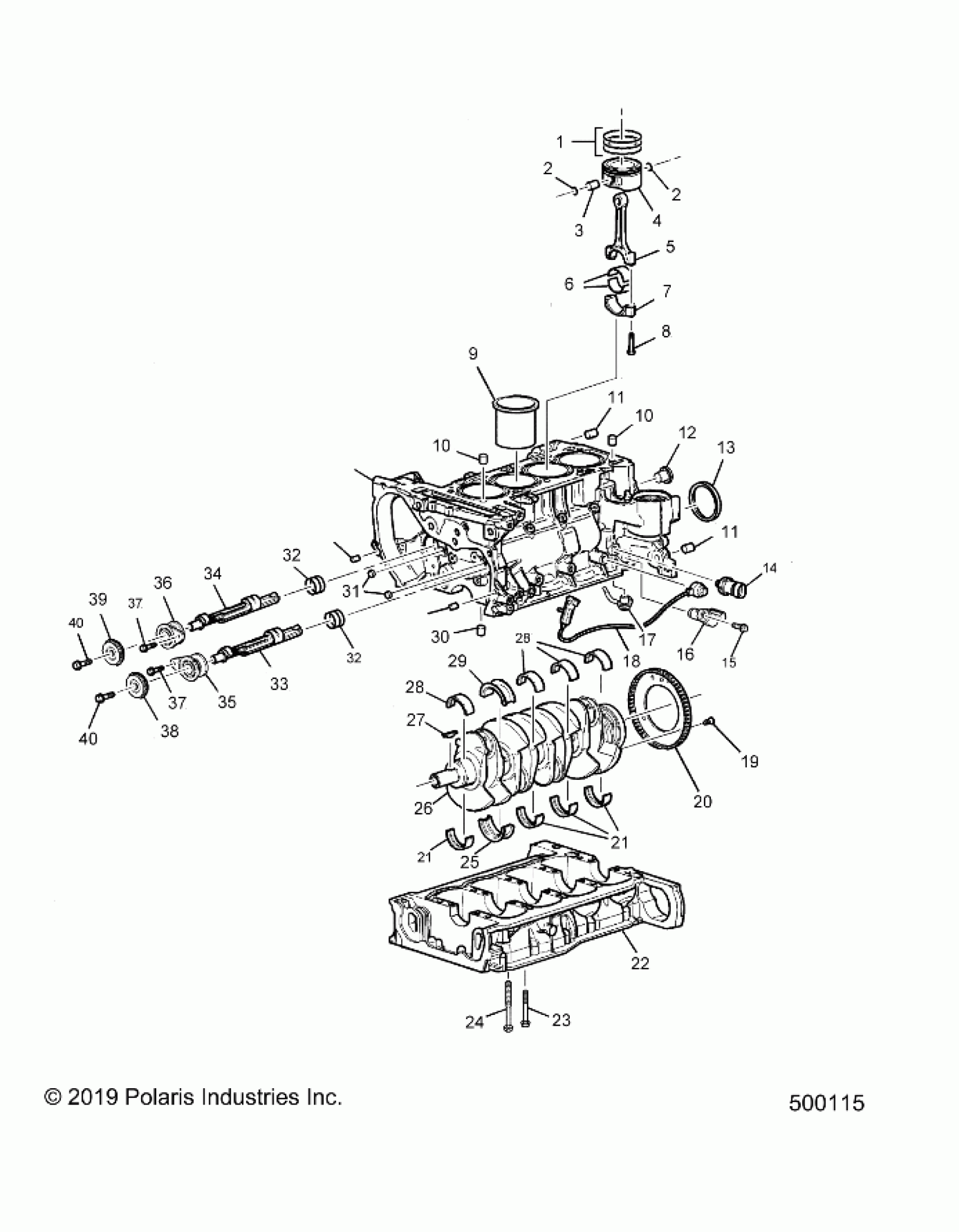
ENGINE, CYLINDER BLOCK AND RELATED PARTS - T18AAPF/AARF/AASF ALL OPTIONS (500115)
Polaris SLINGSHOT ALL OPTIONS (R04) - T18AAPF/AARF/AASF ENGINE, CYLINDER BLOCK AND RELATED PARTS - T18AAPF/AARF/AASF ALL OPTIONS (500115) Diagram
#
1
KIT, PISTON RING
12659419
Unavailable
2
RETAINER, PISTON PIN
90537376
Unavailable
2
RETAINER, PISTON PIN
90537376
Unavailable
3
PIN, PISTON
-------
Unavailable
4
KIT, PISTON
12646457
Unavailable
5
ROD, CONNECTING [INCL. 7,8]
12654958
Unavailable
6
KIT, BEARING, CONN. ROD
19300927
Unavailable
7
CAP, CONN. ROD
-------
Unavailable
8
BOLT, CONN. ROD
90537293
Unavailable
9
SLEEVE, CYLINDER
-------
Unavailable
10
PIN, CYL HEAD LOCATOR
90537102
Unavailable
10
PIN, CYL HEAD LOCATOR
90537102
Unavailable
11
PIN, LOCATOR
90351708
Unavailable
11
PIN, LOCATOR
90351708
Unavailable
12
PLUG, ENG. BLOCK CORE HOLE
11588547
Unavailable
13
SEAL, CRANKSHAFT, REAR OIL
12591866
Unavailable
14
SWITCH, ENG. OIL PRESSURE
12635992
Unavailable
15
Bolt
-------
Unavailable
16
SENSOR, CRANKSHAFT POSITION SENSOR [INCL.17]
12588992
Unavailable
17
NOZZLE, PISTON, OIL
12641084
Unavailable
18
SENSOR, KNOCK
12605738
Unavailable
19
BOLT
24447071
Unavailable
20
RING, CRANKSHAFT POS. SENSOR, 58T
12578661
Unavailable
21
BEARING
-------
Unavailable
21
BEARING
-------
Unavailable
22
CRANKCASE, LOWER
-------
Unavailable
23
BOLT, HFH, M8X80
11588733
Unavailable
24
BOLT, HFH, M10X146
11571239
Unavailable
25
BEARING
-------
Unavailable
26
CRANKSHAFT
12578182
Unavailable
27
KEY, CRANKSHAFT SPROCKET
24424855
Unavailable
28
KIT, BEARING [INCL. 23,27,31]
12591092
Unavailable
28
KIT, BEARING [INCL. 23,27,31]
12591092
Unavailable
29
BEARING, CRANKSHAFT
-------
Unavailable
30
PIN, LWR. CASE LOCATOR
-------
Unavailable
31
PLUG, ENG.
21000867
Unavailable
32
BEARING, BALANCE SHAFT, REAR
12581395
Unavailable
32
BEARING, BALANCE SHAFT, REAR
12581395
Unavailable
33
SHAFT, BALANCE
-------
Unavailable
34
SHAFT, BALANCE
-------
Unavailable
35
BEARING, BALANCE SHAFT FRONT
-------
Unavailable
36
BEARING, BALANCE SHAFT FRONT
-------
Unavailable
37
Bolt
-------
Unavailable
37
Bolt
-------
Unavailable
38
SPROCKET, BALANCE SHAFT
-------
Unavailable
39
SPROCKET, BALANCE SHAFT
-------
Unavailable
40
BOLT
11516328
Unavailable
40
BOLT
11516328
Unavailable
