- Partiron
- OEM Parts
- Polaris
- Watercraft
- PWC
- 2000
- SLH - W004673D
OIL TANK - W004673D (4955755575A013)
Polaris SLH - W004673D OIL TANK - W004673D (4955755575A013) Diagram
#
Description
Price
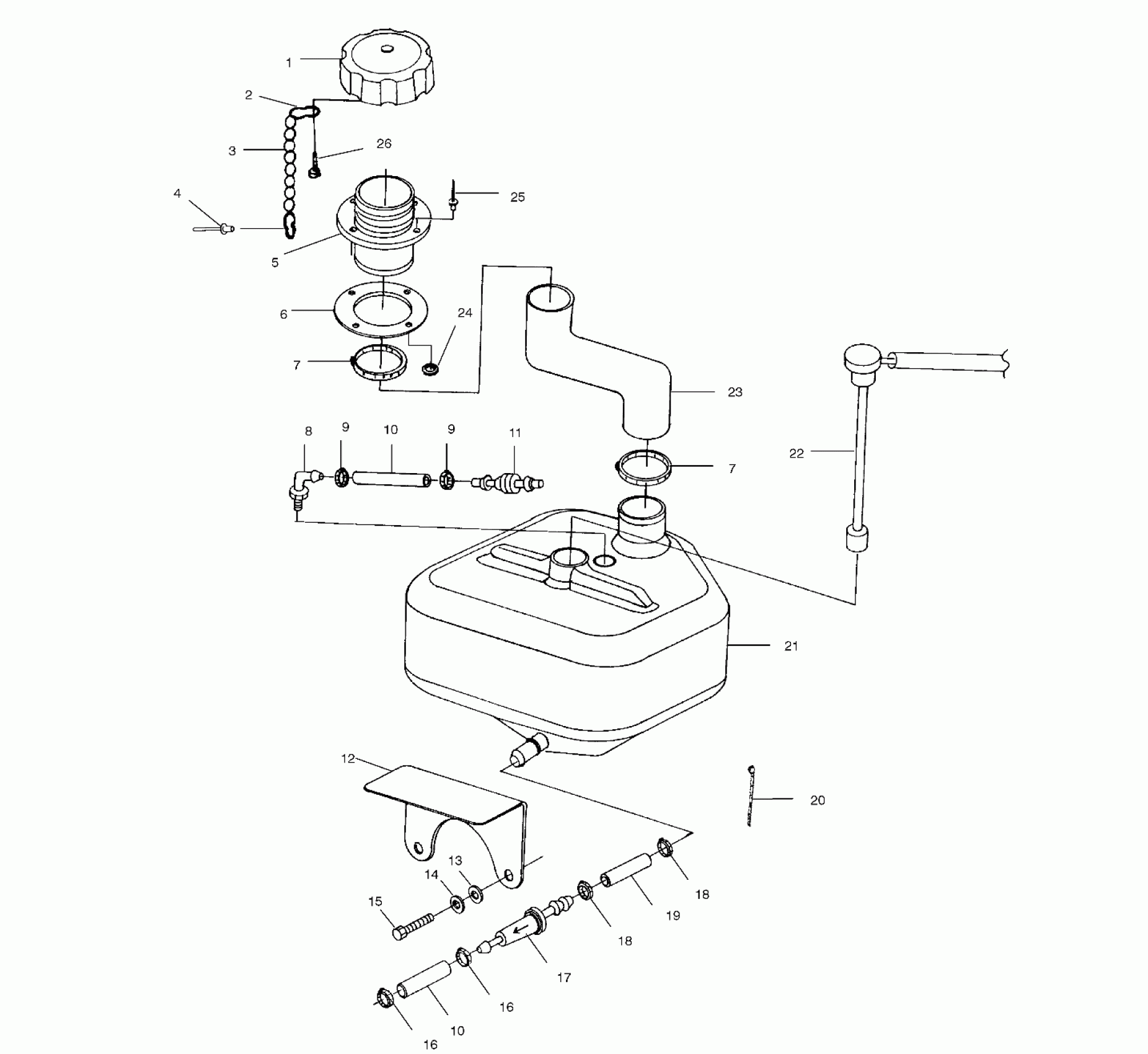
1
CAP,OILTANK
5432843
Unavailable
2
Coupling
7080442
Unavailable
3
CHAIN,BEAD,FUELCAP RETAIN.
7080710
Unavailable
4
RIVET(50)
7621229
Unavailable
5
INLET-OIL
5433601
Unavailable
6
GASKET,OIL INLET
5811554
Unavailable
7
CLAMP,HOSE, SS.
7080772
Unavailable
7
CLAMP,HOSE, SS.
7080772
Unavailable
8
ELBOW,90 DEG.
7052130
Unavailable
10
FUEL LINE,1/4 ID(1525 CM.)
8450003-1525
Unavailable
10
FUEL LINE,1/4 ID(1525 CM.)
8450003-1525
Unavailable
11
VALVE,VACUUM CHECK
7052118
Unavailable
12
PLATE,MT,TANK,OIL
5211866
Unavailable
13
WASHER,LOCK
7555961
Unavailable
15
SCREW, S.S.(10)
7515143
Unavailable
17
FILTER,OIL
2530015
Unavailable
19
FUEL LINE,(61 CM.) Substituted by 8450059-150
8450059-61
Unavailable
21
TANK,OIL,(SL2)
5432768
Unavailable
22
SENDER ASM,OIL LEVEL
2410079
Unavailable
23
HOSE,FILL,OIL
5433636
Unavailable
24
BURR,RIVET [No Longer Available]
7556029
Unavailable
25
RIVET(50)
7621511
Unavailable
26
SCREW, SS.
7517241
Unavailable
