- Partiron
- OEM Parts
- Polaris
- Watercraft
- PWC
- 1999
- SLH - B994673
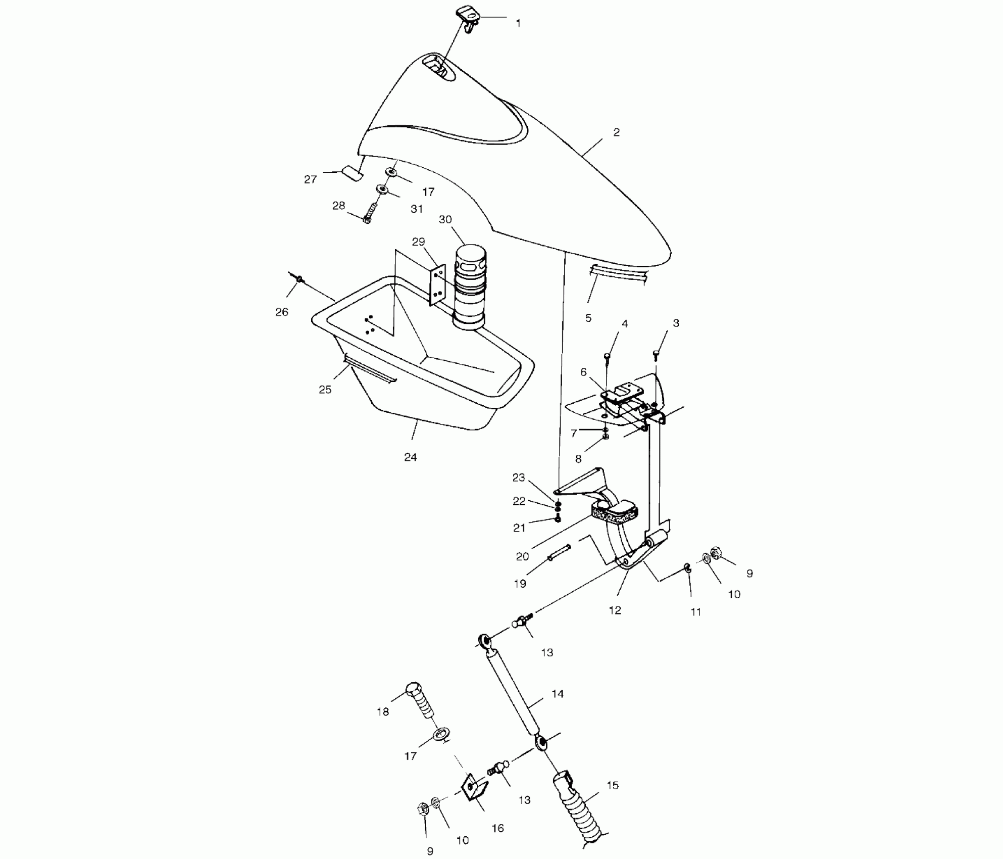
FRONT STORAGE COMPARTMENT - I994673 (4951335133a009)
Polaris SLH - B994673 FRONT STORAGE COMPARTMENT - I994673 (4951335133a009) Diagram
#
Description
Price
1
LATCH,COMP.DOOR,(SL2)
2653012
Unavailable
2
DOOR COMPARTMENT,SL2,TEAL MET
5433121-168
Unavailable
3
SCREW(10)
7517551
Unavailable
4
SCREW,(10)
7515198
Unavailable
5
SEAL,DOOR/COMP.,(SL2)
5521428
Unavailable
6
BRKT-HINGE,COMP DOOR,SL2 Substituted by 1013071
5433504
Unavailable
7
WASHER, FLAT, S.S.(10)
7555839
Unavailable
8
NUT,NYLOK,S.S.(10)
7542133
Unavailable
10
WASHER, LOCK, S.S.(10)
7552610
Unavailable
10
WASHER, LOCK, S.S.(10)
7552610
Unavailable
11
RING,RETAINING
7710456
Unavailable
12
HINGE,COMPARTMENT.(SL2 )
5432711
Unavailable
13
STUD,BALL,SWIVEL MT.
1500130
Unavailable
13
STUD,BALL,SWIVEL MT.
1500130
Unavailable
14
SPRING,GAS
7041675
Unavailable
15
BOOT,SPRING,GAS
5411391
Unavailable
16
BRKT,MT,GAS SPRING
5241909
Unavailable
18
SCREW(10)
7512056
Unavailable
19
PIN,HINGE,COMP.DOOR,SL2
7661026
Unavailable
20
SEAL,FR.HINGE,SL2
5811597
Unavailable
21
BOLT(10)
7515127
Unavailable
22
WASHER, LOCK, S.S.(10)
7555838
Unavailable
24
BUCKET,FR.STORAGE
5432707
Unavailable
25
GASKET,F.BUCKET,SL2
5811556
Unavailable
27
BUMPER,COMPART.DOOR
5811643
Unavailable
29
PLATE,FIRE EXT.SS Substituted by 5244773
5211740
Unavailable
30
CONTAINER,FIRE EXTINGUISHER
1060114
Unavailable
30
COVER,FIRE EXT. Substituted by 1060114
5431842
Unavailable
30
CONTAINER,FIRE EXT. Substituted by 1060114
5431841
Unavailable
31
WASHER, FLAT, S.S.(10)
7555837
Unavailable
