- Partiron
- OEM Parts
- Honda
- MOTORCYCLE
- Models With No Year
- SL90A MOTORCYCLE, JPN, VIN# SL90-100001
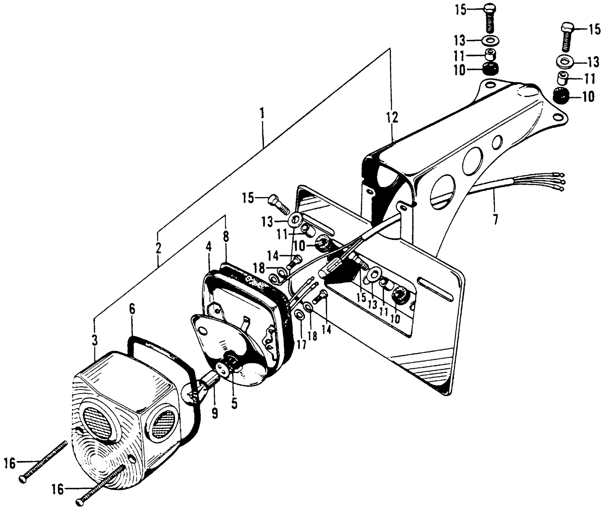
TAILLIGHT
Honda SL90A MOTORCYCLE, JPN, VIN# SL90-100001 TAILLIGHT Diagram
#
Description
Price
1
TAILLIGHT ASSY. (NOT AVAILABLE)
33700-074-671
Unavailable
2
TAILLIGHT ASSY. (NOT AVAILABLE) This part replaces 33701-074-670.
33700-074-671
Unavailable
3
LENS, TAILLIGHT
33702-074-671
Unavailable
4
BASE, TAILLIGHT (NOT AVAILABLE)
33703-074-671
Unavailable
5
WIRE, TAILLIGHT
33708-077-671
Unavailable
7
SUB-WIRE, TAILLIGHT (NOT AVAILABLE)
33711-074-000
Unavailable
8
GASKET, TAILLIGHT BASE
33719-074-670
Unavailable
9
BULB, STOP & TAILLIGHT (6V17/5.3W) (1154) (STANLEY) This part replaces 34906-041-670.
34906-202-670
$11.50
9
BULB, STOP & TAILLIGHT (6V17/5.3W) (1154) (STANLEY) This part replaces 34906-041-671.
34906-202-670
$11.50
9
BULB, STOP & TAILLIGHT (6V17/5.3W) (1154) (STANLEY) This part replaces 34906-205-222.
34906-202-670
$11.50
9
BULB, STOP & TAILLIGHT (6V17/5.3W) (1154) (STANLEY) This part replaces 34911-001-810.
34906-202-670
$11.50
12
BRACKET, NUMBER PLATE (NOT AVAILABLE) This part replaces 84700-074-672.
84700-110-670
Unavailable
12
BRACKET, NUMBER PLATE (NOT AVAILABLE)
84700-110-670
Unavailable
