- Partiron
- OEM Parts
- Honda
- MOTORCYCLE
- Models With No Year
- SL90A MOTORCYCLE, JPN, VIN# SL90-100001
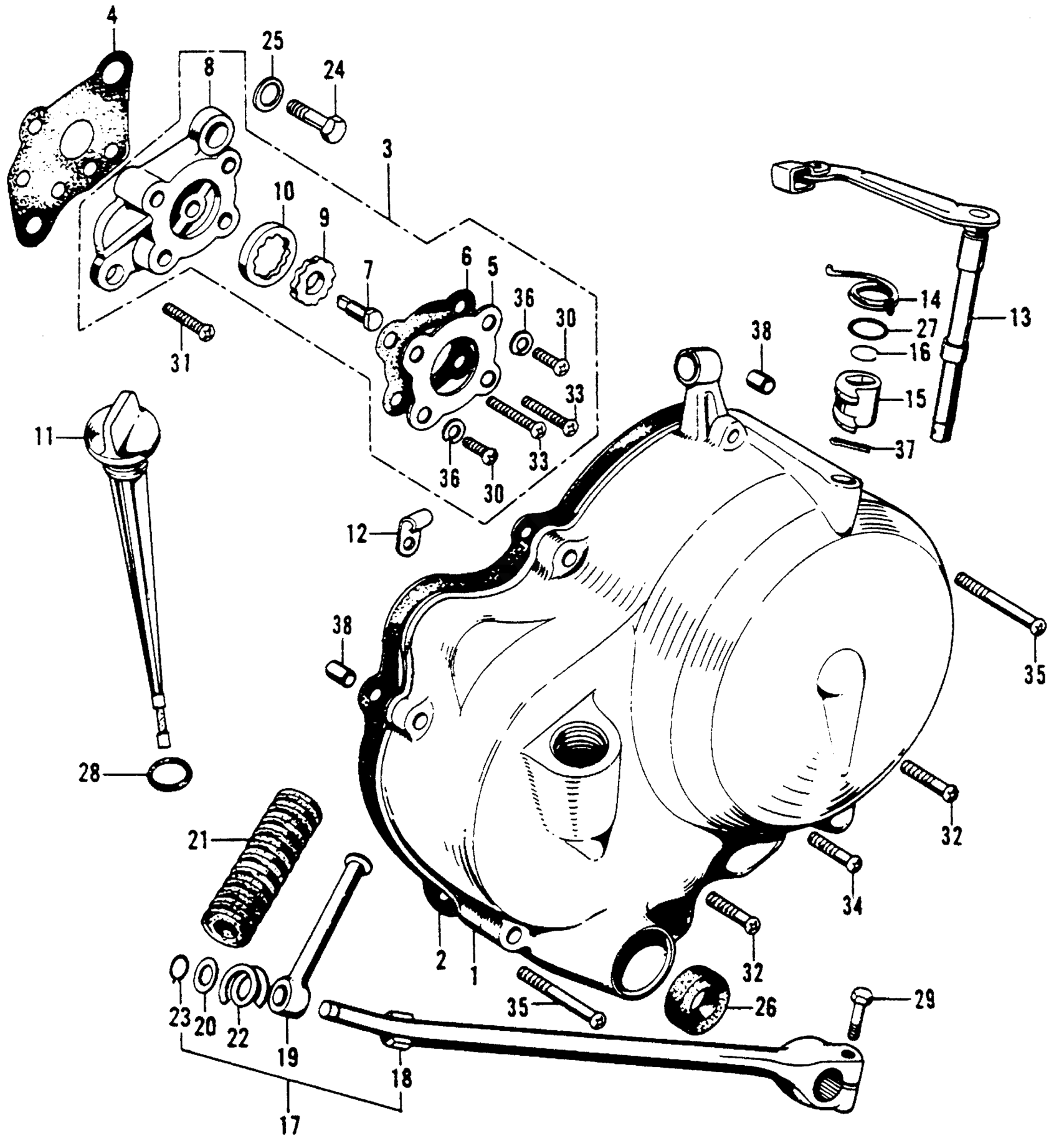
RIGHT CRANKCASE COVER + OILPUMP
Honda SL90A MOTORCYCLE, JPN, VIN# SL90-100001 RIGHT CRANKCASE COVER + OILPUMP Diagram
#
1
COVER, R. CRANKCASE
11330-056-020
Unavailable
3
PUMP ASSY., OIL (NOT AVAILABLE)
15100-028-020
Unavailable
4
GASKET, OIL PUMP BODY This part replaces 15119-028-020.
15119-028-306
Unavailable
4
GASKET, OIL PUMP BODY This part replaces 15119-028-030.
15119-028-306
Unavailable
4
GASKET, OIL PUMP BODY
15119-028-306
Unavailable
5
COVER, OIL PUMP (NOT AVAILABLE)
15121-028-060
Unavailable
6
GASKET, OIL PUMP COVER
15128-028-030
Unavailable
7
DRIVESHAFT, OIL PUMP (NOT AVAILABLE)
15181-028-050
Unavailable
8
BODY, OIL PUMP (NOT AVAILABLE) This part replaces 15210-028-040.
15210-028-060
Unavailable
8
BODY, OIL PUMP (NOT AVAILABLE)
15210-028-060
Unavailable
9
ROTOR, OIL PUMP (INNER) (NOT AVAILABLE) This part replaces 15331-035-000.
15331-035-004
Unavailable
9
ROTOR, OIL PUMP (INNER) (NOT AVAILABLE)
15331-035-004
Unavailable
10
ROTOR, OIL PUMP (OUTER) (NOT AVAILABLE) This part replaces 15332-035-000.
15332-035-004
Unavailable
10
ROTOR, OIL PUMP (OUTER) (NOT AVAILABLE)
15332-035-004
Unavailable
11
DIPSTICK, OIL (NOT AVAILABLE)
15650-056-010
Unavailable
12
CLAMP, OVERFLOW TUBE
16236-045-000
Unavailable
12
CLAMP, OVERFLOW TUBE This part replaces 16245-028-000.
16236-045-000
Unavailable
13
LEVER, CLUTCH (NOT AVAILABLE)
22810-028-000
Unavailable
14
SPRING, CLUTCH LEVER (NOT AVAILABLE)
22815-030-010
Unavailable
15
ARM, CLUTCH LIFTER (NOT AVAILABLE)
22834-028-000
Unavailable
16
SNAP-RING (10MM) (NOT AVAILABLE)
22875-030-000
Unavailable
17
ARM ASSY., KICK STARTER (NOT AVAILABLE)
28300-074-000
Unavailable
18
ARM, KICK STARTER This part replaces 28301-074-000.
28301-342-000
Unavailable
18
ARM, KICK STARTER
28301-342-000
Unavailable
19
PEDAL, KICK STARTER This part replaces 28302-001-000.
28302-126-770
Unavailable
19
PEDAL, KICK STARTER This part replaces 28302-011-000.
28302-126-770
Unavailable
19
PEDAL, KICK STARTER This part replaces 28302-074-000.
28302-126-770
Unavailable
19
PEDAL, KICK STARTER
28302-126-770
Unavailable
24
BOLT, OIL JOINT (NOT AVAILABLE)
90015-028-000
Unavailable
