- Partiron
- OEM Parts
- Yamaha
- snowmobile
- 1974
- SL433F 1974
EXHAUST
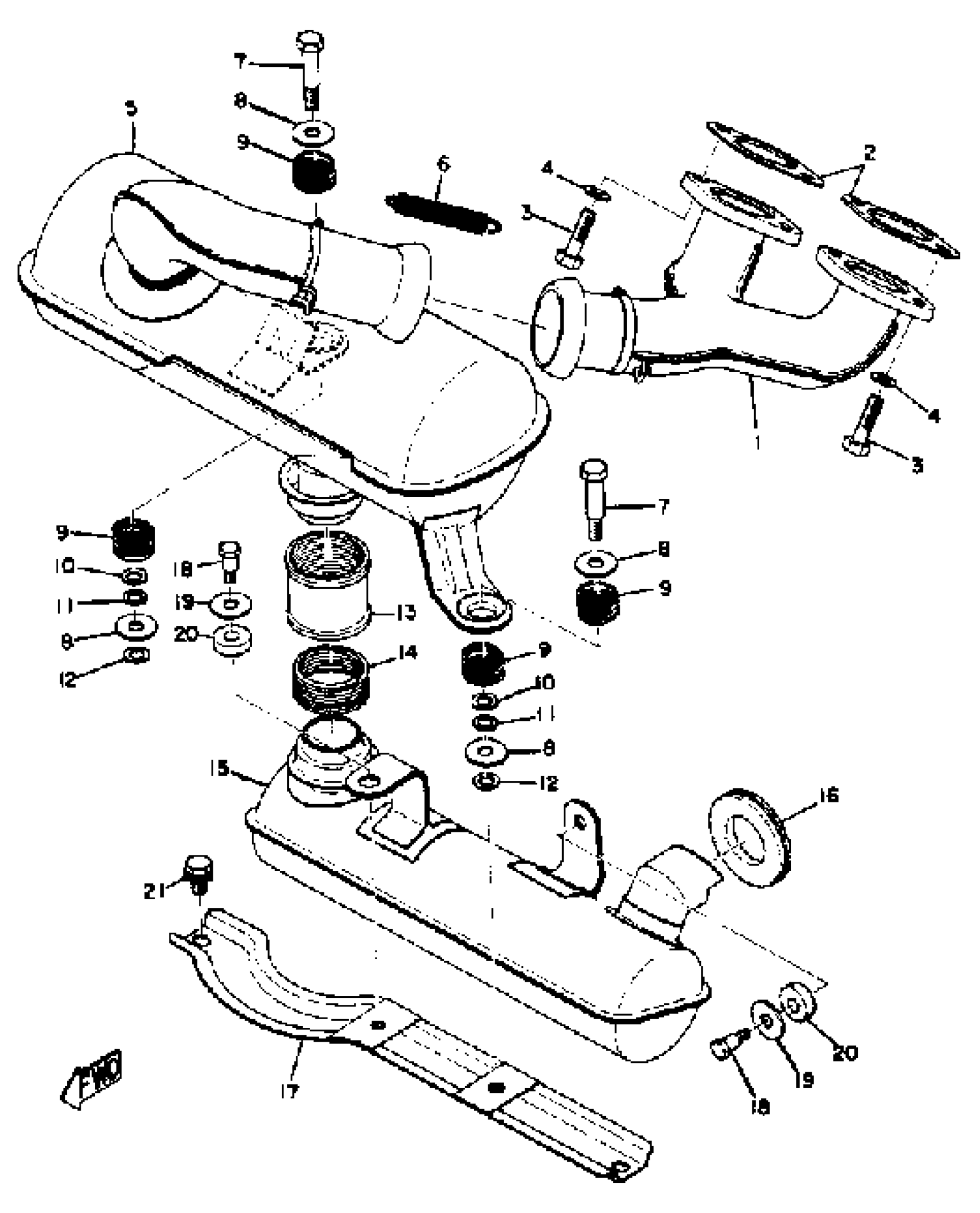
Yamaha SL433F 1974 EXHAUST Diagram
#
Description
Price
1
EXHAUST PIPE ASSEMBLY L
(821-14610-00-00)
Unavailable
5
MUFFLER ASSEMBLY L
(861-14710-01-00)
Unavailable
7
BOLT
90109-08293-00
Unavailable
9
SPRING, MUFFLER
853-14773-02-00
Unavailable
10
SPACER
(90560-08065-00)
Unavailable
12
WASHER, PLATE
(90201-07080-00)
Unavailable
13
GASKET, MUFFLER
841-14714-00-00
Unavailable
14
SPRING, COMPRESSION
(90504-30004-00)
Unavailable
15
MUFFLER ASSEMBLY R
(860-14720-01-00)
Unavailable
16
PROTECTOR, MUFF 1
841-14718-00-00
Unavailable
17
STAY, MUFFLER 1
(860-14771-01-00)
Unavailable
18
BOLT 306258330000
90109-06018-00
Unavailable
19
WASHER, PLATE (5J0)
90201-085E6-00
Unavailable
20
WASHER, PLATE
90202-08085-00
Unavailable
21
WASHER, PLAIN
92990-08200-00
Unavailable
21
BOLT, HEXAGON
97013-08016-00
Unavailable
