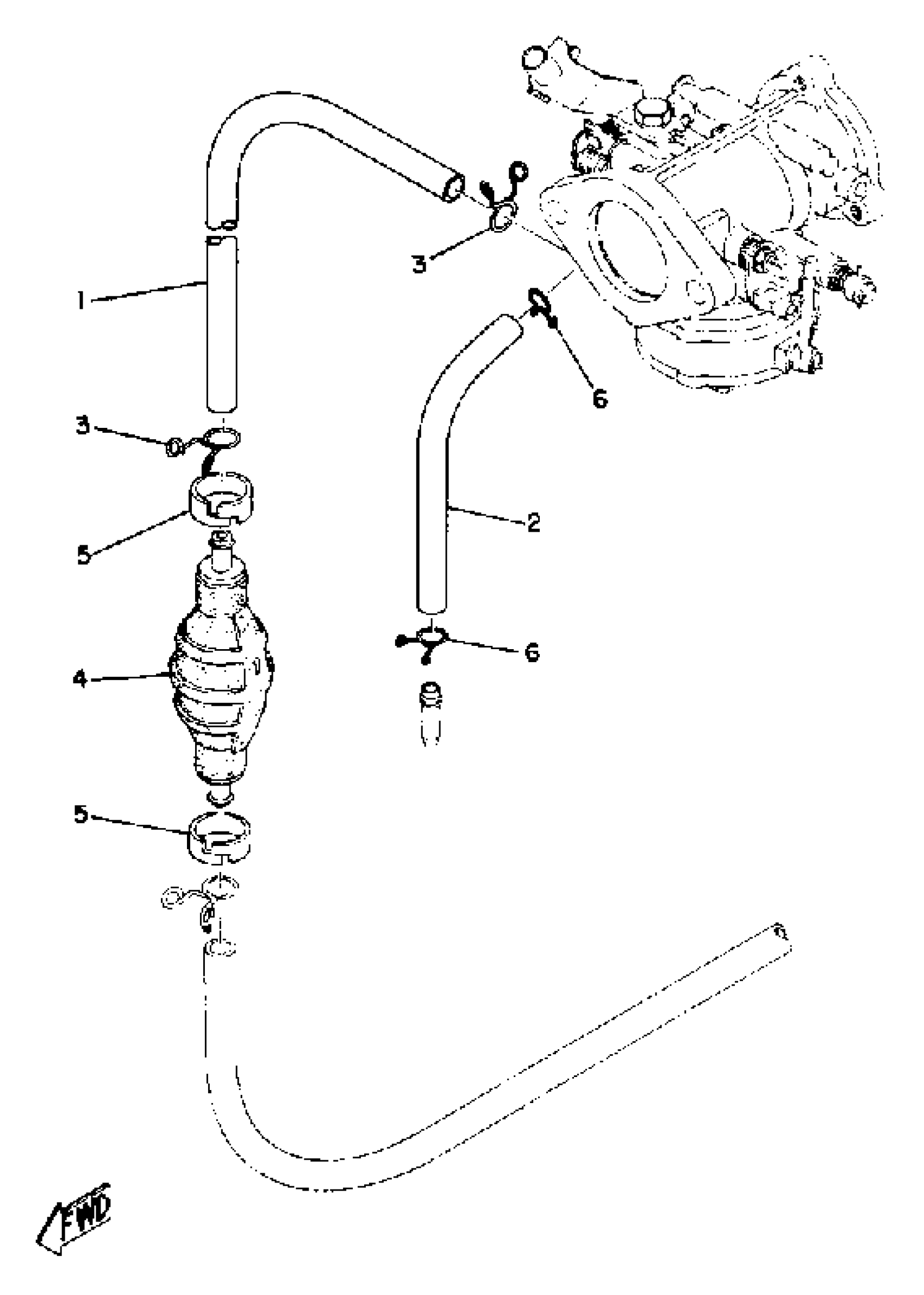
Partiron

Yamaha SL433B 1973 PIPING Diagram

#

Description
Price

1

HOSE

(90446-11030-00)

Unavailable

2

NUT (821-47579-00)

90170-22094-00

$5.60

3

CLIP (8J7)

90467-11009-00

$10.49

4

PRIMER PUMP ASSEMBLY

810-24360-00-00

Unavailable

5

BAND

(601-24353-00-00)

Unavailable

6

CLIP

90467-090A2-00

$4.41