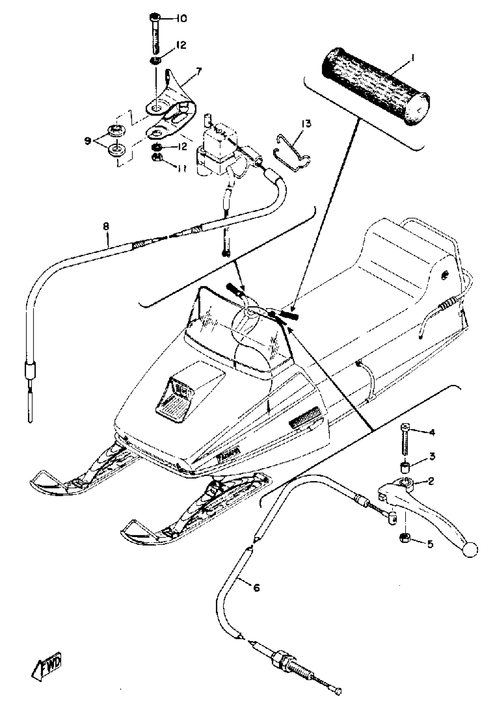
Partiron

Yamaha SL433B 1973 GRIP - WIRING Diagram

#

Description
Price

1

GRIP

801-26241-02-00

$10.99

2

LEVER L

803-83912-00-38

Unavailable

3

COLLAR, LEVER

802-83913-00-00

Unavailable

4

SCREW,PAN HEAD

90157-05055-00

Unavailable

5

NUT, HEXAGON SMALL

95317-05700-00

$8.49

6

CABLE, BRAKE

(807-26340-00-00)

Unavailable

7

THROTTLE LEVER

99999-01028-00

Unavailable

8

CABLE, THROTTLE 1

841-26311-00-00

Unavailable

9

C0LLAR

90387-062M9-00

$9.49

10

SCREW, PAN HEAD (810-83925-00)

90157-06004-00

Unavailable

11

NUT(650)

95380-06700-00

$8.49

12

YBS66-6 WASHER, PLAIN

92990-06200-00

$3.78

13

CLIP (821-26391-00)

90468-10017-00

Unavailable