- Partiron
- OEM Parts
- Yamaha
- snowmobile
- 1973
- SL433B 1973
EXHAUST
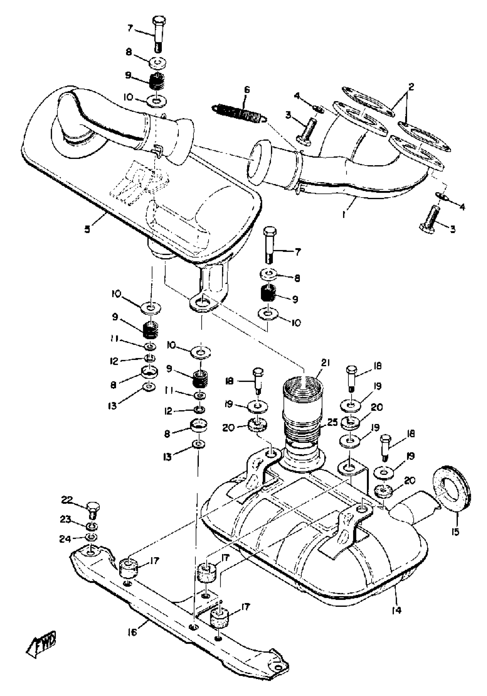
Yamaha SL433B 1973 EXHAUST Diagram
#
Description
Price
1
EXHAUST PIPE ASSEMBLY L
841-14610-00-00
Unavailable
5
MUFFLER ASSEMBLY L
841-14710-00-00
Unavailable
7
BOLT
90109-08293-00
Unavailable
8
PLATE, MUFFLER
(812-14793-00-00)
Unavailable
9
SPRING, COMPRESSION
90501-18114-00
Unavailable
11
SPACER
(90560-08065-00)
Unavailable
13
WASHER, PLATE
(90201-07080-00)
Unavailable
14
MUFFLER ASSEMBLY R
841-14720-01-00
Unavailable
15
PROTECTOR, MUFF 1
841-14718-00-00
Unavailable
16
STAY, MUFFLER 1
(841-14771-02-00)
Unavailable
17
DAMPER, MUFFLER
(841-14747-01-00)
Unavailable
18
BOLT
90109-06023-00
Unavailable
19
WASHER, PLATE (5J0)
90201-085E6-00
Unavailable
20
DAMPER, MUFFLER 2
(841-14757-00-00)
Unavailable
21
GASKET, MUFFLER
841-14714-00-00
Unavailable
22
BOLT, HEXAGON
97013-08016-00
Unavailable
24
WASHER, PLAIN
92990-08200-00
Unavailable
25
SPRING, COMPRESSION
(90504-30004-00)
Unavailable
